电脑桌面
添加小米粒文库到电脑桌面
安装后可以在桌面快捷访问

塑料模重点寸法公差标注规范VIP免费

塑料模重点寸法公差标注规范_第1页
1/8
塑料模重点寸法公差标注规范_第2页
2/8
塑料模重点寸法公差标注规范_第3页
3/8
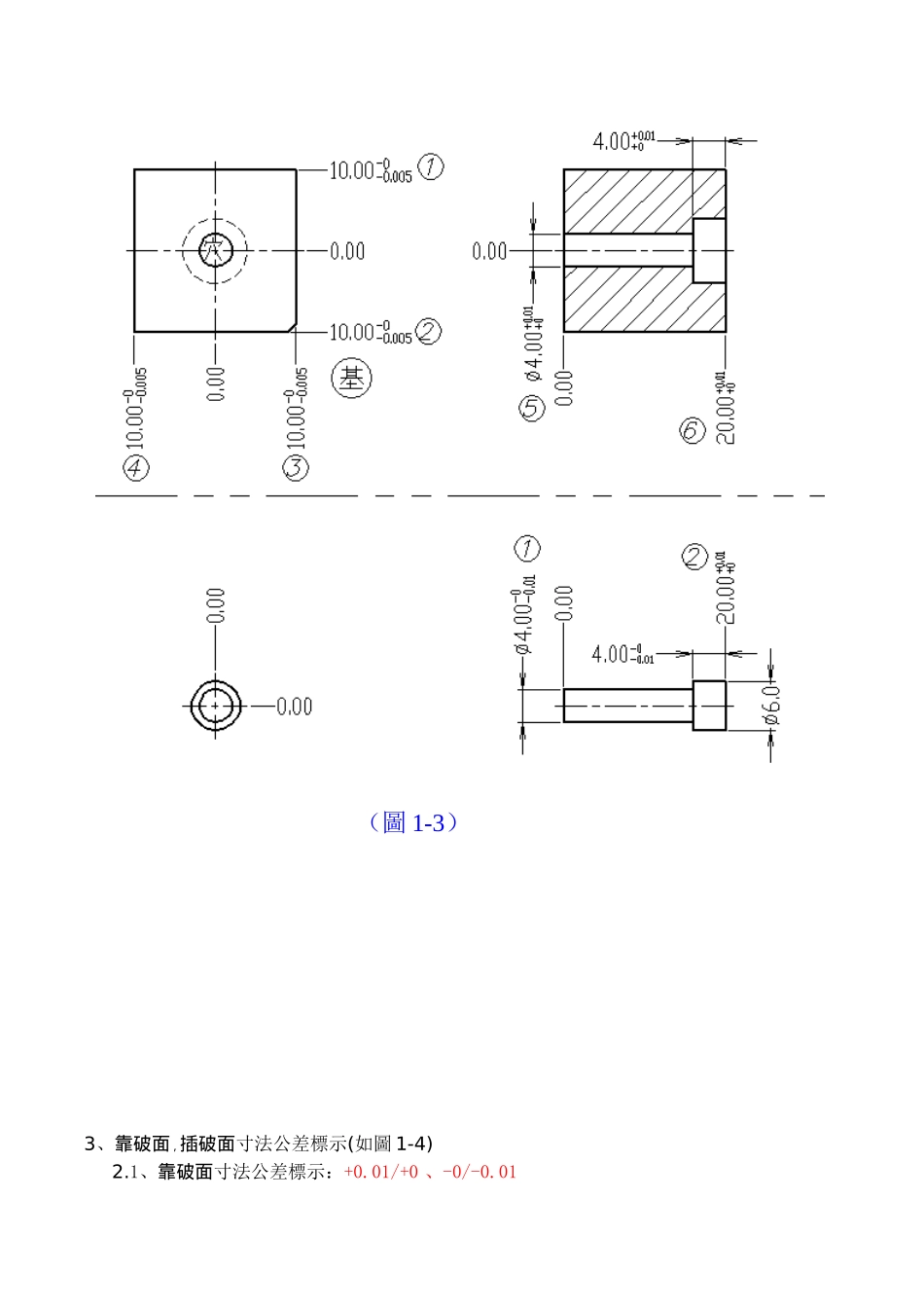
一、重點寸法公差標注標準:設計出圖圖面必須標示公差﹐如:産品公差﹐配合面﹐靠破面﹐插破面﹐線割孔﹐滑塊槽等實配位置。1、模仁最大寸法公差標示(圖1-1)2、線割孔﹐入子寸法公差標示3.1、方線割孔寸法公差標示:+0.005/+0(如圖1-2)3.2、方入子寸法公差標示:-0/-0.005(如圖1-2)(圖1-2)3.3、圓線割孔、圓入子寸法公差標示:+0.01/+0、-0/-0.01(如圖1-3)(圖1-3)3、靠破面﹐插破面寸法公差標示(如圖1-4)2.1、靠破面寸法公差標示:+0.01/+0、-0/-0.012.2、插破面寸法公差標示:+0.01/+0、-0/-0.01(圖1-4)4、滑塊槽寸法公差標示:+0/+0.01、-0/-0.01、-0/-0.01(如圖1-5、1-6)(圖1-5)(圖1-6)5、斜滑面塊公差標示:+0/-0.01(圖1-7)6、未注公差參一般公差表7、四角定位公差標示:+/-0.018、斜銷定位槽公差標示:+/-0.01

1、当您付费下载文档后,您只拥有了使用权限,并不意味着购买了版权,文档只能用于自身使用,不得用于其他商业用途(如 [转卖]进行直接盈利或[编辑后售卖]进行间接盈利)。
2、本站所有内容均由合作方或网友上传,本站不对文档的完整性、权威性及其观点立场正确性做任何保证或承诺!文档内容仅供研究参考,付费前请自行鉴别。
3、如文档内容存在违规,或者侵犯商业秘密、侵犯著作权等,请点击“违规举报”。

碎片内容

塑料模重点寸法公差标注规范

您可能关注的文档

确认删除?
VIP
微信客服
  • 扫码咨询
会员Q群
  • 会员专属群点击这里加入QQ群
客服邮箱
回到顶部