电脑桌面
添加小米粒文库到电脑桌面
安装后可以在桌面快捷访问

建筑施工安全检查评分汇总表VIP免费

建筑施工安全检查评分汇总表_第1页
1/24
建筑施工安全检查评分汇总表_第2页
2/24
建筑施工安全检查评分汇总表_第3页
3/24
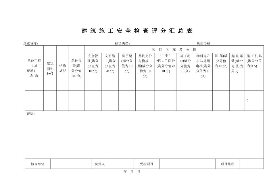
建筑施工安全检查评分汇总表企业名称:经济类型:资质等级:单位工程(施工现场)名称建筑面积(m2)结构类型总计得分(满分分值100分)项目名称及分值安全管理(满分分值为10分)文明施工(满分分值为20分)脚手架(满分分值为10分)基坑支护与模板工程(满分分值为10分)“三宝”“四口”防护(满分分值为10分)施工用电(满分分值为10分)物料提升机与外用电梯(满分分值为10分)塔吊(满分分值为10分)起重吊装(满分分值为分5)施工机具(满分分值为分5)0评语:检查单位负责人受检项目项目经理年月日安全管理检查评分表序号检查项目扣分标准应得分数扣减分数实得分数1保证项目安全生产责任制未建立安全责任制,扣10分各级各部门未执行责任制,扣4~6分经济承包中无安全生产指标,扣10分未制定各工种安全技术操作规程,扣10分未按规定配备专(兼)职安全员的扣10分管理人员责任制考核不合格,扣5分102目标管理未制定安全管理目标(伤亡控制指标和安全达标、文明施工目标),扣10分未进行安全责任目标分解的扣10分无责任目标考核规定的扣8分考核办法未落实或落实不好的扣5分103施工组织设计施工组织设计中无安全措施,扣10分施工组织设计未经审批,扣10分专业性较强的项目,未单独编制专项安全措施未落实,扣8分安全措施不全面,扣2~4分安全措施无针对性,扣6~8分安全措施未落实,扣8分104分部(分项)工程安全技术交底无书面安全技术交底的扣10分交底针对性不强,扣4~6分交底不全面,扣4分交底未履行签字手续,扣2~4分105安全检查无定期安全检查制度,扣5分安全检查无记录,扣5分检查出事故隐患整改做不到定人、定时间、定措施,扣2~6分对重大事故隐患整改通知书所列项目未如期完成,扣5分106安全教育无安全教育制度,扣10分新入场工人未进行三级安全教育,扣10分无具体安全教育内容,扣6~8分变换工种时未进行安全教育,扣10分每有一人不懂本工种安全技术操作规程,扣2分施工管理人员未按规定进行年度培训的,扣5分专职安全员未按规定进行年度培训考核或考核不合格的,扣5分10小计607一般项目班前安全活动未建立班前安全活动制度,扣10分班前安全活动无记录,扣2分108特殊作业持证上岗有一人未经培训从事特种作业,扣4分有一人未持操作证上岗,扣2分109工伤事故工伤事故未按规定报告,扣3~5分工伤事故未按事故调查分析规定处理,扣10分未建立工伤事故档案,扣4分1010安全标志无现场安全标志布置总平面图,扣5分现场未按安全标志总平面图设置安全标志的,扣5分10小计40检查项目合计100注:1.每项最多扣减分数不大于该项应得分数。2.保证项目有一项不得分或保证项目小计得分不足40分,检查评分表计零分。3.该表换算到《施工安全检查评分汇总表》(表3.0.1)后得分=10×该表检查项目实得分数合计。100文明施工检查评分表序号检查项目扣分标准应得分数扣减分数实得分数1保证项目现场围档在市区主要路段的工地周围未设置高于2.5m的围档,扣10分一般路段的工地周围未设置高于1.8m的围档,扣10分围档材料不坚固、不稳定、不整洁、不美观,扣5~7分围档没有沿工地四周连续设置的扣3~5分102封闭管理施工现场进出口无大门的扣3分无门卫和无门卫制度的扣3分进入施工现场不佩戴工作卡的扣3分门头未设置企业标志的扣3分103施工场地工地地面未做硬化处理的扣5分道路不畅通的扣5分无排水设施、排水不通畅的扣4分无防止泥浆、污水、废水外流或堵塞下水道和排水河道措施的扣3分工地有积水的扣2分工地未设置吸烟处、随意吸烟的扣2分温暖季节无绿化布置的扣4分104材料堆放建筑材料、构件、料具不按总平面布局堆放的扣4分料堆未挂名称、品种、规格等标语的扣2分堆放不整齐,扣3分未做到工完场地清的扣3分建筑垃圾堆放不整齐、未标出名称、品种的扣3分易燃易爆物品未分类存放的扣4分105现场住宿在建工程兼作住宿的扣8分施工作业区与办公、生活区不明显划分的扣6分宿舍无保温和防煤气中毒措施的扣5分宿舍无消暑和防蚊虫叮咬措施的扣3分无床铺、生活用品放置不整齐的扣2分宿舍周围环境不卫生、不安全的扣3分106现场防火无消防措施、制度或无灭火器材的扣10分灭火器材配置不合理的扣5分无消防水源(高层建筑)或不能满足消防要求,扣8分...

1、当您付费下载文档后,您只拥有了使用权限,并不意味着购买了版权,文档只能用于自身使用,不得用于其他商业用途(如 [转卖]进行直接盈利或[编辑后售卖]进行间接盈利)。
2、本站所有内容均由合作方或网友上传,本站不对文档的完整性、权威性及其观点立场正确性做任何保证或承诺!文档内容仅供研究参考,付费前请自行鉴别。
3、如文档内容存在违规,或者侵犯商业秘密、侵犯著作权等,请点击“违规举报”。

碎片内容

建筑施工安全检查评分汇总表

确认删除?
VIP
微信客服
  • 扫码咨询
会员Q群
  • 会员专属群点击这里加入QQ群
客服邮箱
回到顶部