电脑桌面
添加小米粒文库到电脑桌面
安装后可以在桌面快捷访问

建筑地基基础工程施工质量验收规1VIP免费

建筑地基基础工程施工质量验收规1_第1页
1/27
建筑地基基础工程施工质量验收规1_第2页
2/27
建筑地基基础工程施工质量验收规1_第3页
3/27
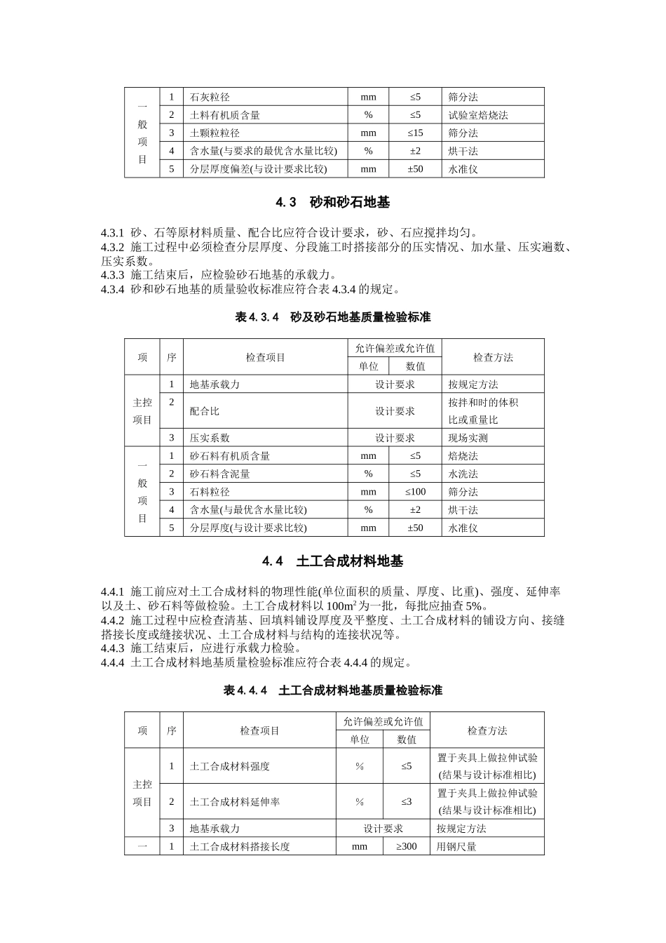
建筑地基基础工程施工质量验收规范Codeforacceptanceofconstructionqualityofbuildingfoundation1总则1.0.1为加强工程质量监督管理,统一地基基础工程施工质量的验收,保证工程质量,制定本规范。1.0.2本规范适用于建筑工程的地基基础工程施工质量验收。1.03地基基础工程施工中采用的工程技术文件、承包合同文件对施工质量验收的要求不得低于本规范的规定。1.0.4本规范应与现行国家标准《建筑工程施工质量验收统一标准》GB50300配套使用。1.0.5地基基础工程施工质量的验收除应执行本规范外,尚应符合国家现行有关标准规范的规定。2术语2.0.1土工合成材料地基geosyntheticsfoundation在土工合成材料上填以土(砂土料)构成建筑物的地基,土工合成材料可以是单层,也可以是多层。一般为浅层地基。2.0.2重锤夯实地基heavytampingfoundation利用重锤自由下落时的冲击能来夯实浅层填土地基,使表面形成一层较为均匀的硬层来承受上部载荷。强夯的锤击与落距要远大于重锤夯实地基。2.0.3强夯地基dynamicconsolidationfoundation工艺与重锤夯实地基类同,但锤重与落距要远大于重锤夯实地基。2.0.4注浆地基groutingfoundation将配置好的化学浆液或水泥浆液,通过导管注入土体孔隙中,与土体结合,发生物化反应,从而提高土体强度,减小其压缩性和渗透性。2.0.5预压地基preloadingfoundation在原状土上加载,使土中水排出,以实现土的预先固结,减少建筑物地基后期沉降和提高地基承载力。按加载方法的不同,分为堆载预压、真空预压、降水预压三种不同方法的预压地基。2.0.6高压喷射注浆地基jetgroutingfoundation利用钻机把带有喷嘴的注浆管钻至土层的预定位置或先钻孔后将注浆管放至预定位置,以高压使浆液或水从喷嘴中射出,边旋转边喷射的浆液,使土体与浆液搅拌混合形成一固结体。施工采用单独喷出水泥浆的工艺,称为单管法;施工采用同时喷出高压空气与水泥浆的工艺,称为二管法;施工采用同时喷出高压水、高压空气及水泥浆的工艺,称为三管法。2.0.7水泥土搅拌桩地基soil-cementmixedpilefoundation利用水泥作为固化剂,通过搅拌机械将其与地基土强制搅拌,硬化后构成的地基。2.0.8土与灰土挤密桩地基soil-limecompactedcolumn在原土中成孔后分层填以素土或灰土,并夯实,使填土压密,同时挤密周围土体,构成坚实的地基。2.0.9水泥粉煤灰、碎石桩cementflyashgravelpile用长螺旋钻机钻孔或沉管桩机成孔后,将水泥、粉煤灰及碎石混合搅拌后,泵压或经下料斗投入孔内,构成密实的桩体。2.0.10锚杆静压桩pressedpilebyanchorrod利用锚杆将桩分节压入土层中的沉桩工艺。锚杆可用垂直土锚或临时锚在混凝土底板、承台中的地锚。3基本规定3.0.1地基基础工程施工前,必须具备完备的地质勘察资料及工程附近管线、建筑物、构筑物和其他公共设施的构造情况,必要时应作施工勘察和调查以确保工程质量及临近建筑的安全。施工勘察要点详见附录A。3.0.2施工单位必须具备相应专业资质,并应建立完善的质量管理体系和质量检验制度。3.0.3从事地基基础工程检测及见证试验的单位,必须具备省级以上(含省、自治区、直辖市)建设行政主管部门颁发的资质证书和计量行政主管部门颁发的计量认证合格证书。3.0.4地基基础工程是分部工程,如有必要,根据现行国家标准《建筑工程施工质量验收统一标准》GB50300规定,可再划分若干个子分部工程。3.0.5施工过程中出现异常情况时,应停止施工,由监理或建设单位组织勘察、设计、施工等有关单位共同分析情况,解决问题,消除质量隐患,并应形成文件资料。4地基4.1一般规定4.1.1建筑物地基的施工应具备下述资料:1.岩土工程勘察资料。2.临近建筑物和地下设施类型、分布及结构质量情况。3.工程设计图纸、设计要求及需达到的标准、检验手段。4.1.2砂、石子、水泥、钢材、石灰、粉煤灰等原材料的质量、检验项目、批量和检验方法,应符合国家现行标准的规定。4.1.3地基施工结束,宜在一个间歇期后,进行质量验收,间歇期由设计确定。4.1..4地基加固工程,应在正式施工前进行试验段施工,论证设定的施工参数及加固效果。为验证加固效果所进行的载荷试验,其施加载荷应不低于设计...

1、当您付费下载文档后,您只拥有了使用权限,并不意味着购买了版权,文档只能用于自身使用,不得用于其他商业用途(如 [转卖]进行直接盈利或[编辑后售卖]进行间接盈利)。
2、本站所有内容均由合作方或网友上传,本站不对文档的完整性、权威性及其观点立场正确性做任何保证或承诺!文档内容仅供研究参考,付费前请自行鉴别。
3、如文档内容存在违规,或者侵犯商业秘密、侵犯著作权等,请点击“违规举报”。

碎片内容

建筑地基基础工程施工质量验收规1

您可能关注的文档

确认删除?
VIP
微信客服
  • 扫码咨询
会员Q群
  • 会员专属群点击这里加入QQ群
客服邮箱
回到顶部