电脑桌面
添加小米粒文库到电脑桌面
安装后可以在桌面快捷访问

准格尔旗快速路路面底基层施工组织设计VIP免费

准格尔旗快速路路面底基层施工组织设计_第1页
1/10
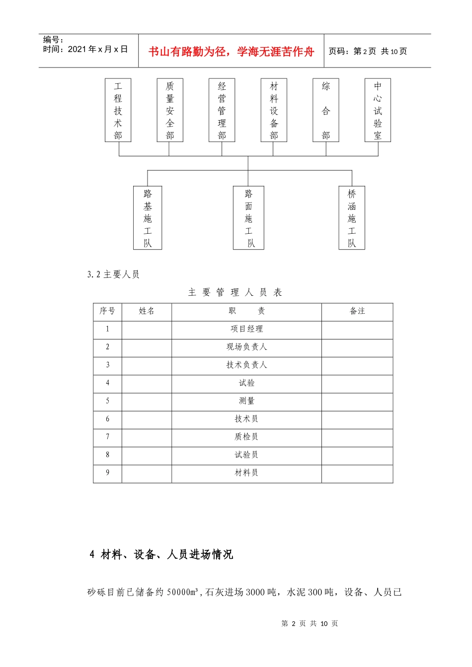
准格尔旗快速路路面底基层施工组织设计_第2页
2/10
准格尔旗快速路路面底基层施工组织设计_第3页
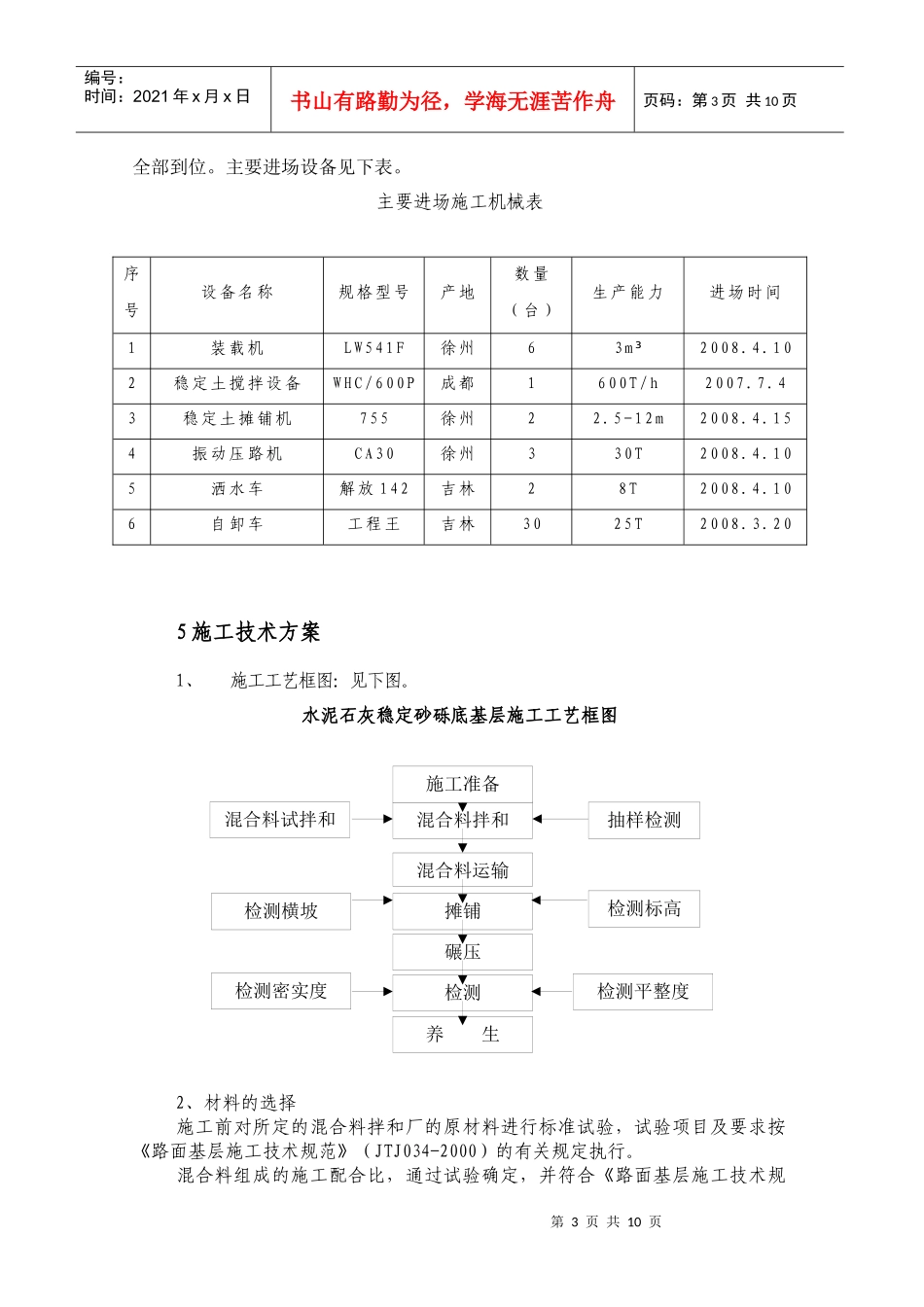
3/10
第1页共10页编号:时间:2021年x月x日书山有路勤为径,学海无涯苦作舟页码:第1页共10页准格尔旗快速路路面底基层施工组织设计1工程概况及主要工程数量1.1技术标准准格尔旗大路新区东工业园城市快速路工程路面底基层采用水泥、石灰综合稳定级配砂砾,其配合比为:水泥:石灰:砂砾=2:5:93,七天饱水抗压强度不小于0.8Mpa。1.2主要工程量:底基层150244m²。2施工进度计划该工程计划于2008年4月20日开工,2008年5月15日竣工,施工总工期26天。3组织机构及人员分工3.1组织机构项目组织机构框图东方路桥集团公司总部平衡调度保证体系准格尔旗大路新区东工业园快速路道路工程项目经理部项目经理项目副经理项目技术负责人第2页共10页第1页共10页编号:时间:2021年x月x日书山有路勤为径,学海无涯苦作舟页码:第2页共10页工程技术部质量安全部经营管理部材料设备部综合部中心试验室路基施工队路面施工队桥涵施工队3.2主要人员主要管理人员表序号姓名职责备注1项目经理2现场负责人3技术负责人4试验5测量6技术员7质检员8试验员9材料员4材料、设备、人员进场情况砂砾目前已储备约50000m³,石灰进场3000吨,水泥300吨,设备、人员已第3页共10页第2页共10页编号:时间:2021年x月x日书山有路勤为径,学海无涯苦作舟页码:第3页共10页全部到位。主要进场设备见下表。主要进场施工机械表序号设备名称规格型号产地数量(台)生产能力进场时间1装载机LW541F徐州63m³2008.4.102稳定土搅拌设备WHC/600P成都1600T/h2007.7.43稳定土摊铺机755徐州22.5-12m2008.4.154振动压路机CA30徐州330T2008.4.105洒水车解放142吉林28T2008.4.106自卸车工程王吉林3025T2008.3.205施工技术方案1、施工工艺框图:见下图。水泥石灰稳定砂砾底基层施工工艺框图2、材料的选择施工前对所定的混合料拌和厂的原材料进行标准试验,试验项目及要求按《路面基层施工技术规范》(JTJ034-2000)的有关规定执行。混合料组成的施工配合比,通过试验确定,并符合《路面基层施工技术规混合料拌和混合料运输摊铺碾压检测养生抽样检测施工准备检测平整度检测密实度混合料试拌和检测标高检测横坡第4页共10页第3页共10页编号:时间:2021年x月x日书山有路勤为径,学海无涯苦作舟页码:第4页共10页范》(JTJ-2000)的有关规定。3、施工准备工作做好基层材料配合比设计报监理工程师审批后方可施工。下承层必须经过自检合格,报请驻地监理单位检验,签字认可后,方可铺筑其上面的基层。各种材料进场前,及早检查其规格和品质,不符合技术要求的决不进场。材料进场时,应检查其数量,并按施工平面图堆放,按规定项目对其抽样检查,其抽样检查结果,报驻地监理单位。基层施工前铺筑试验段。通过试验段确定施工工艺、松铺系数、人员与机械配备数量、压实遍数,以指导正常施工。4、施工放样施工放样采用全站仪恢复中线边线,每10m放边线桩,考虑松铺系数后测量水平挂基准线。为了使基层的高度、厚度和平整度达到质量标准,中心线两侧按路面设计图设计标桩,在标桩上划出基层设计高和松铺厚度。5、拌和基层混合料在拌和站集中拌和,拌和时必须掌握土块、粒料的最大尺寸应符合规定。混合料的含水量要略大于最佳值,使混合料运到现场摊铺后碾压时的含水量不小于最佳值(比最佳值大1%左右)。配料必须准确,拌和必须均匀。6、运输、摊铺首先在铺筑段两侧培土,以控制底基层的宽度和厚度。然后将拌成的混合料,用自卸汽车运送到铺筑现场,用摊铺机摊铺混合料。根据摊铺机的生产能力调节摊铺速度,以尽量减少摊铺机停机等料时间。摊铺机后设专人消除粗细集料离析现象。7、碾压用振动压路机、轮胎压路机紧跟在摊铺机后面及时进行碾压。碾压时应控制车速,由边向中、由低向高碾压,直到达到所需的压实度,并及时进行压实度检测,不够时及时进行补压。在碾压过程中,基层表面应始终保持潮湿,如表层水蒸发较快,应及时补洒少量的水。如在碾压过程中有“弹簧”、松散、起皮等现象,应及时翻开重新拌和(加适量的水泥),或用其它方法处理,使基层达到质量要求。8、接缝处理基层采用两台摊铺机一前一后相隔约5~10米同步向前摊铺混合料,并一起进行碾压。没...

1、当您付费下载文档后,您只拥有了使用权限,并不意味着购买了版权,文档只能用于自身使用,不得用于其他商业用途(如 [转卖]进行直接盈利或[编辑后售卖]进行间接盈利)。
2、本站所有内容均由合作方或网友上传,本站不对文档的完整性、权威性及其观点立场正确性做任何保证或承诺!文档内容仅供研究参考,付费前请自行鉴别。
3、如文档内容存在违规,或者侵犯商业秘密、侵犯著作权等,请点击“违规举报”。

碎片内容

准格尔旗快速路路面底基层施工组织设计

您可能关注的文档

确认删除?
VIP
微信客服
  • 扫码咨询
会员Q群
  • 会员专属群点击这里加入QQ群
客服邮箱
回到顶部