电脑桌面
添加小米粒文库到电脑桌面
安装后可以在桌面快捷访问

农村水泥路施工组织设计VIP免费

农村水泥路施工组织设计_第1页
1/44
农村水泥路施工组织设计_第2页
2/44
农村水泥路施工组织设计_第3页
3/44
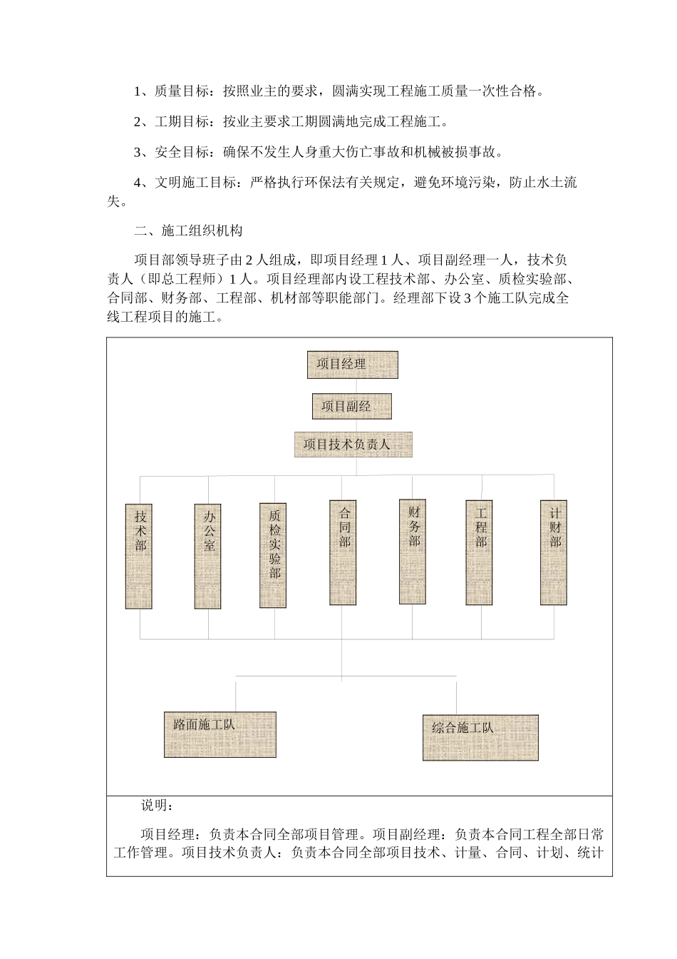
目录第一章总体施工组织布置及规划·······························2第二章主要工程项目的施工方案、施工方法················8第三章工期的保证体系和保证措施····························16第四章工程质量的管理体系以及保证措施···················20第五章安全生产管理体系及保证措施·························21第六章环境保护、水土保持保证体系及保证措施··········22第七章文明施工、文物保护保证体系及保证措施··········28第八章项目风险预测与防范,事故应急预案················30第九章其他应说明的事项········································32第一章总体施工组织布置及规划第一节工程概况和编制依据一、工程概况工程全长5公里,路面宽度4米,路面结构采用水泥混凝土路面,工程内容为:路面硬化及培土路肩。二、地质地貌及气候项目地处地处秦岭南麓、商洛市南部。因县域北有流岭、中有鹃岭、南有郧岭,遂有“三山夹两川”之称。境内森林面积373万亩,森林覆盖率62.9%。气候湿润。项目区属于北亚热带向暖温带过渡的季风性半湿润山地气候。气候温和,四季分明,“冬无严寒,夏无酷署,春季温暖多风,秋季潮湿多雨”。平均气温13.1℃,年均日照时数2134小时,年均降雨量709毫米。无霜期207天。夏季较炎热,冬季部分地区气温较低。受秦岭的影响气候既有南方的温暖,又兼北方的寒冷。三、编制依据(一)、关于商洛市山阳县2015年西片区水泥路建设工程的施工招标文件、设计图纸、技术规范、补遗书及标前会议内容。(二)、对施工现场的实地考察。(三)、有关国产、进口设备的性能及台班定额。(四)、现行的国家及交通部颁发的技术规范、技术标准。第二节施工总体布署一、奋斗目标1、质量目标:按照业主的要求,圆满实现工程施工质量一次性合格。2、工期目标:按业主要求工期圆满地完成工程施工。3、安全目标:确保不发生人身重大伤亡事故和机械被损事故。4、文明施工目标:严格执行环保法有关规定,避免环境污染,防止水土流失。二、施工组织机构项目部领导班子由2人组成,即项目经理1人、项目副经理一人,技术负责人(即总工程师)1人。项目经理部内设工程技术部、办公室、质检实验部、合同部、财务部、工程部、机材部等职能部门。经理部下设3个施工队完成全线工程项目的施工。说明:项目经理:负责本合同全部项目管理。项目副经理:负责本合同工程全部日常工作管理。项目技术负责人:负责本合同全部项目技术、计量、合同、计划、统计项目经理项目副经理项目技术负责人技术部办公室质检实验部合同部计财部工程部财务部路面施工队综合施工队项目经理的管理工作。工程部、技术部:负责本合同全部施工项目的施工及技术交底、施工方案、测量、放线、资料管理等工作。财务部:负责工程款的接受与支付。合同部:负责工程计划、合同管理、计量支付、变更洽商等工作。办公室:负责后勤、拆迁、安全保证、对外关系等工作。质检、实验部:负责质量检查、配合监理检查工作、负责实验检测工作。计财部:负责机械设备调配,材料采购。三、施工段及施工任务划分根据本合同段实际工程项目、数量及工期情况,我们将组织2个施工队其具体分工如下表:作业单位施工项目施工范围路面施工队砼路面综合施工队其他工程四、施工准备及临时工程规划临时工程与设施包括为实施永久性工程的各项相关的临时性工作台,如:临时道路;临时电力、电信、电讯线路的架设与维护;临时供水、排污系统的建设与维护以及其他相关的临时设施等。依据施工平面图及现场考察情况,建设施工与管理所需的办公室、住房、医疗卫生、工作场地、工地试验室、消防设施等;建设材料区、盖板预制区,布置和安装水泥混凝土拌和设备。第三节设备、人员动员周期及设备、人员、一、设备、人员动员周期我部严格遵照业主和我公司签订的施工合同的开工日期进行施工前期准备工作,包括临时设施的修建、安装、材料储备、机械设...

1、当您付费下载文档后,您只拥有了使用权限,并不意味着购买了版权,文档只能用于自身使用,不得用于其他商业用途(如 [转卖]进行直接盈利或[编辑后售卖]进行间接盈利)。
2、本站所有内容均由合作方或网友上传,本站不对文档的完整性、权威性及其观点立场正确性做任何保证或承诺!文档内容仅供研究参考,付费前请自行鉴别。
3、如文档内容存在违规,或者侵犯商业秘密、侵犯著作权等,请点击“违规举报”。

碎片内容

农村水泥路施工组织设计

您可能关注的文档

确认删除?
VIP
微信客服
  • 扫码咨询
会员Q群
  • 会员专属群点击这里加入QQ群
客服邮箱
回到顶部