电脑桌面
添加小米粒文库到电脑桌面
安装后可以在桌面快捷访问

出口茶叶种植基地检验检疫备案工作流程卡VIP免费

出口茶叶种植基地检验检疫备案工作流程卡_第1页
1/24
出口茶叶种植基地检验检疫备案工作流程卡_第2页
2/24
出口茶叶种植基地检验检疫备案工作流程卡_第3页
3/24
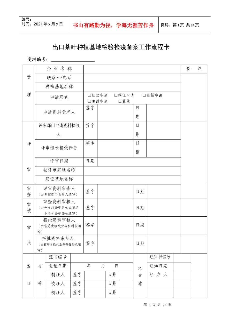
第1页共24页编号:时间:2021年x月x日书山有路勤为径,学海无涯苦作舟页码:第1页共24页出口茶叶种植基地检验检疫备案工作流程卡受理编号:受理企业名称备注联系人/电话种植基地名称申请形式□初次申请□换证申请□重新申请□更改申请□其他申请资料受理人签字日期评审评审部门申请资料接收人签字日期评审组长接受任务签字日期评审日期日期被评审基地名称发证基地名称审查评审资料审查人(由考核部门负责人填写)签字日期审核审查资料审核人(由分支局分管局长或省局业务处分管处长填写)签字日期审批报批资料审核人(由省局食检处业务科科长填写)签字日期报批资料审批人(由省局食检处业务分管处长填写)签字日期发证合格证书编号不合格通知书编号发证日期年月日通知日期制证人签字日期经办人校证人签字日期领证人签字日期第2页共24页第1页共24页编号:时间:2021年x月x日书山有路勤为径,学海无涯苦作舟页码:第2页共24页归档归档材料接收人签字日期注:①各有关人员应认真填写流程卡上相应栏目,不得漏填或缺填。②自受理之日起30日内作出是否备案的决定。受理部门应在7日内完成初审并作出是否到现场审核的决定。需要现场审核的,应在受理之日起15日内完成,在20个工作日内将申请材料报送省局食检处。省局食检处收到报批材料后,在5日内分别作出是否准予备案的决定。准予备案的,在10日内颁发备案证书;不予备案的,书面说明理由。③对复查换证或更改备案内容的,受理部门应向企业收回原备案证书。受理编号:出口茶叶种植基地检验检疫备案评审记录评审类型□初次评审□重新评审□换证复查□监督检查□更改评审评审方式□资料审核□现场审核申请企业名称茶叶基地名称基地地址第3页共24页第2页共24页编号:时间:2021年x月x日书山有路勤为径,学海无涯苦作舟页码:第3页共24页评审日期年月日浙江检验检疫局食品检验处制(2006版)第4页共24页第3页共24页编号:时间:2021年x月x日书山有路勤为径,学海无涯苦作舟页码:第4页共24页填写须知一、要求用钢笔填写或电子文本,文字工整、清楚。二、评审组对企业的评审按以下程序进行:1.文件(申请书和资料等)审核;2.见面会;3.现场评审;4.评审组内部会议;5.总结会,向企业反馈评审情况。三、文件资料审核应对照《浙江检验检疫局出口茶叶种植基地备案管理细则》、《出口茶叶种植基地检验检疫备案条件和要求》中有关要求进行,“判定”栏内根据情况选择打“√”或涂黑,在“客观描述”栏中记录审核情况。四、评审组应在本表“判定”栏内根据情况填写“是、否、有、无、不适用”等内容。在“客观描述”栏中记录观察到的具体情况或理由。五、记录也可作为日常监督检查的记录表。六、鉴于被评审基地或评审依据的特殊要求,本记录不足以满足记录需要时,应另外附上附加核查记录表。七、本记录作为登记评审过程的原始凭证,评审人员不得随意漏项、漏填。第5页共24页第4页共24页编号:时间:2021年x月x日书山有路勤为径,学海无涯苦作舟页码:第5页共24页评审依据1、《浙江检验检疫局出口茶叶种植基地备案管理细则》2、《出口茶叶种植基地检验检疫备案条件和要求》3、评审组成员职务姓名单位资格组长组员第6页共24页第5页共24页编号:时间:2021年x月x日书山有路勤为径,学海无涯苦作舟页码:第6页共24页评审组分工资料审核审核内容审核情况判定客观描述出口企业卫生注册证书是否有效□有效□无效有符合要求的植保员□符合□不符合对茶叶基地的管理制定□符合□不符合对原料加工企业的管理制度□符合□不符合溯源管理制度□符合□不符合茶叶基地申请表□符合□不符合与出口企业的关系证明□符合□不符合基地类型:茶园管理制度□符合□不符合农药、化肥管理制度□符合□不符合可选农药清单□符合□不符合鲜叶采收、运输管理制度□符合□不符合第7页共24页第6页共24页编号:时间:2021年x月x日书山有路勤为径,学海无涯苦作舟页码:第7页共24页原料批次管理制度□符合□不符合有毒有害物质检验监控制度□符合□不符合茶园土壤检测报告□符合□不符合基地负责人、植保员证明□符合□不符合基地平面图及地块组成清单□符合□不符合□符合□不符...

1、当您付费下载文档后,您只拥有了使用权限,并不意味着购买了版权,文档只能用于自身使用,不得用于其他商业用途(如 [转卖]进行直接盈利或[编辑后售卖]进行间接盈利)。
2、本站所有内容均由合作方或网友上传,本站不对文档的完整性、权威性及其观点立场正确性做任何保证或承诺!文档内容仅供研究参考,付费前请自行鉴别。
3、如文档内容存在违规,或者侵犯商业秘密、侵犯著作权等,请点击“违规举报”。

碎片内容

出口茶叶种植基地检验检疫备案工作流程卡

精品中小学文档+ 关注
实名认证
内容提供者

精品资料,值得下载

确认删除?
VIP
微信客服
  • 扫码咨询
会员Q群
  • 会员专属群点击这里加入QQ群
客服邮箱
回到顶部