电脑桌面
添加小米粒文库到电脑桌面
安装后可以在桌面快捷访问

建筑施工临时用电计算实例VIP免费

建筑施工临时用电计算实例_第1页
1/11
建筑施工临时用电计算实例_第2页
2/11
建筑施工临时用电计算实例_第3页
3/11
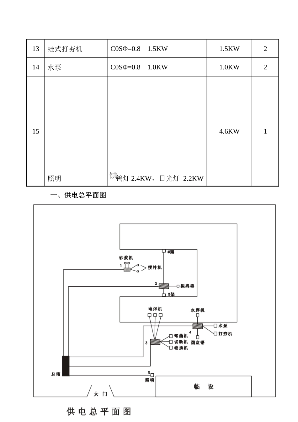
建筑施工临时用电计算实例○陈石斌(汕头市龙湖区建设局安全管理监督站)新津中学教学楼地上部分主要用电设备及功率:编号用电设备名称铭牌技术数据换算后设备容量Pe台数1400L砼搅拌机C0SΦ=0.87.5KW7.5KW22UJ325砂浆搅拌机C0SΦ=0.653.0KW3.0KW23插入式振捣器C0SΦ=0.851.1KW1.1KW24平板式振捣器C0SΦ=0.851.1KW1.1KW251.5吨提升卷扬机C0SΦ=0.657.5KW7.5KW261.0吨卷扬机C0SΦ=0.655.5KW5.5KW27QJ40钢筋切断机C0SΦ=0.77.0KW7.0KW18QJ40钢筋弯曲机C0SΦ=0.73.0KW3.0KW19交流电焊机C0SΦ=0.85JC=65%11KW7.6KW210弧对焊机C0SΦ=0.85JC=60%30.5KW20.1KW111ф600木工圆盘锯C0SΦ=0.875.5KW5.5KW112单盘水磨机C0SΦ=0.82.2KW2.2KW213蛙式打夯机C0SΦ=0.81.5KW1.5KW214水泵C0SΦ=0.81.0KW1.0KW215照明钨灯2.4KW,日光灯2.2KW4.6KW1一、供电总平面图0.65JCJC0.6二、负荷计算施工工地地上部分可分段作业,现场总需要系数KX=0.6,功率因数COSφ=0.65,由总配电箱返出的各用电设备按满负荷计算。1、不同暂载率的用电设备的容量换算:第9号电焊机的设备容量:Pe9=S’.COSφ=11××0.85≈7.6KW第10号弧焊机的设备容量:Pe10=S’.COSφ=30.5××0.85≈20.1KW69.72+81.62Pj2+Qj2SjUe√32、单相用电设备的不对称容量换算:将2只电焊机分别接在AB、BC线间,照明线路均衡分配到AB、BC线间,弧焊机接在CA线间,则单相不对称容量为:20.1-7.6-2.3=10.2KW,三相用电设备总容量为76.3KW,×100%=13.3%<15%,不必换算。3、所有用电设备的总设备容量及计算负荷:<1>总设备容量:Σpe=(7.5+3+1.1+1.1+7.5+5.5+7.6+2.2+1.5+1)×2+7+3+20.1+5.5+4.6=116.2KW<2>计算负荷:Pj=Kx×Epe=0.6×116.2≈69.7KWQj=PjtgФ=69.7×1.17≈81.6KWSj==≈107.3KW107.30.38×1.7310.276.3212+15.8219.42+22.7219.42+22.7229.8√3×0.38Ij==≈163.1A<3>总配电箱至第1分配电箱的计算负荷(该线路为搅拌机及砂浆机所用,筒称Σ总一1的计算负荷):Pj1=7.5×2+3×2=21KW(取COSΦ=0.8)Qj1=Pj1tgΦ=21×0.75≈15.8KVARSj1=≈26.3KVAIj1=≈40A<4>Σ总一2分路为振捣器及1.5吨卷扬机所用,计算负荷:Pj2=1.1×4+7.5×2=19.4KW(取COSΦ=0.65)Qj2=19.4×1.17≈22.7KVARSj2=≈29.8KVAIj2=≈45.4A<5>Σ总一3分路为1.0吨卷扬机,钢筋机械,电焊机、弧焊机所用,计算负荷:Pj3=5.5×2+7+3+7.6×2+20.1=56.3(取COSΦ=0.85)26.31.73×0.3856.32+34.9266.2√3×0.3814.92+11.2218.7√3×0.384.6√3×0.38Qj3=56.3×0.62≈34.9KVARSj3=≈66.2KVAIj3=≈100.7A<6>Σ总一4分路为木工机械,水磨机、打夯机、水泵之用,计算负荷:Pj4=5.5+2.2×2+1.5×2+1×2=14.9KW(取COSΦ=0.8)Qj4=14.9×0.75≈11.2KVARSj4=≈18.7KVAIj4=≈28.4A<7>Σ总一5分路为照明所用,因照明使用纯电阻性,所以Pj5=4.6KWIj5=≈7A三、导线及导线载面的选择本工程总电源至各分配电箱采用铜蕊绝缘塑料架空线,分配电箱至各开关箱采用塑料电缆(VV)或橡胶电缆(Ycw)或YJV电缆埋地敷设。Ro10Ue2Xo10Ue2选择的程序是:先按允许温升初选载面,使Ij小于电缆允许载流量。然后再用电压损失校核,使其小于电压损失规定值为满足要求。1.Σ总一1段,L1=80m=0.08KmI j1=40A,Pj1=21KW,Qj1=15.8KVAR查表规范表(5-2-1),初选3×6mm2+2×4mm2(I=51A),电压损失,查表(5-2-5)得导线的电阻Ro=1.2Ω/km,电抗Xo=0.302Ω/km,U△1%=PaLa+QaLa=×21×0.08+×15.8×0.08≈1.4+0.26=1.66(%)<(5%)满足规定。2.Σ总-2段,L2=90m=0.09kmIj2=45.4A,Pj2=19.4kw查表,初选3×10mm2+2×6mm2(I=70A),电压损失,查表(5-2-5)得导线的电阻Ro=1.2Ω/km,U△2%=×19.4×0.09+略≈1.45(%)<(5%),满足规定。1.210×0.3820.3210×0.3821.210×0.38nΣ1nΣ13.Σ总-3段,L3=30m=0.03km,Ij3=100.7A,Pj3=56.3kw,查表(5-2-1)初选3×25mm2+2×16mm2(I=128A)查表,得电阻Ro=0.74Ω/km电压损失△U3%=×56.3×0.03+略≈0.87(%)<5%,满足规定。4.Σ总-4段,L4=0.07km,Ij4=28.4A,Pj4=14.9kw查表,初选3×4mm2+2×2.5mm2(I=39A)查表,得电阻Ro=1.2Ω/km,电压损失△U4%=×14...

1、当您付费下载文档后,您只拥有了使用权限,并不意味着购买了版权,文档只能用于自身使用,不得用于其他商业用途(如 [转卖]进行直接盈利或[编辑后售卖]进行间接盈利)。
2、本站所有内容均由合作方或网友上传,本站不对文档的完整性、权威性及其观点立场正确性做任何保证或承诺!文档内容仅供研究参考,付费前请自行鉴别。
3、如文档内容存在违规,或者侵犯商业秘密、侵犯著作权等,请点击“违规举报”。

碎片内容

建筑施工临时用电计算实例

墨香书阁+ 关注
实名认证
内容提供者

热爱教学事业,对互联网知识分享很感兴趣

确认删除?
VIP
微信客服
  • 扫码咨询
会员Q群
  • 会员专属群点击这里加入QQ群
客服邮箱
回到顶部