电脑桌面
添加小米粒文库到电脑桌面
安装后可以在桌面快捷访问

塔吊工程施工安全技术交底(表格)VIP免费

塔吊工程施工安全技术交底(表格)_第1页
1/1
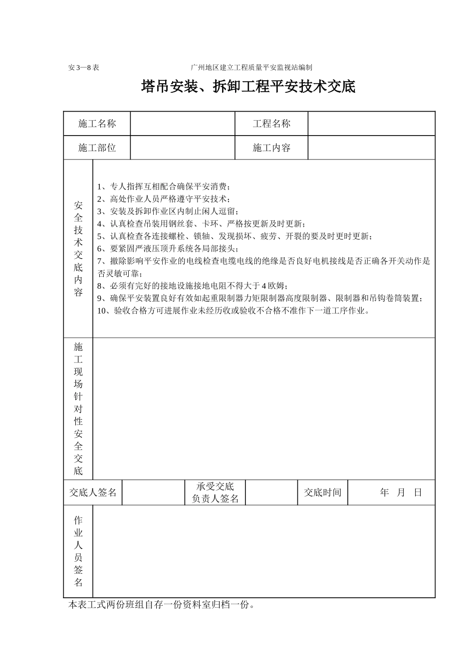
安3—8表广州地区建立工程质量平安监视站编制塔吊安装、拆卸工程平安技术交底施工名称工程名称施工部位施工内容安全技术交底内容1、专人指挥互相配合确保平安消费;2、高处作业人员严格遵守平安技术;3、安装及拆卸作业区内制止闲人逗留;4、认真检查吊装用钢丝套、卡环、严格按更新及时更新;5、认真检查各连接螺栓、锁轴、发现损坏、疲劳、开裂的要及时更时更新;6、要紧固严液压顶升系统各局部接头;7、撤除影响平安作业的电线检查电缆电线的绝缘是否良好电机接线是否正确各开关动作是否灵敏可靠;8、必须有完好的接地设施接地电阻不得大于4欧姆;9、确保平安装置良好有效如起重限制器力矩限制器高度限制器、限制器和吊钩卷筒装置;10、验收合格方可进展作业未经历收或验收不合格不准作下一道工序作业。施工现场针对性安全交底交底人签名承受交底负责人签名交底时间年月日作业人员签名本表工式两份班组自存一份资料室归档一份。

1、当您付费下载文档后,您只拥有了使用权限,并不意味着购买了版权,文档只能用于自身使用,不得用于其他商业用途(如 [转卖]进行直接盈利或[编辑后售卖]进行间接盈利)。
2、本站所有内容均由合作方或网友上传,本站不对文档的完整性、权威性及其观点立场正确性做任何保证或承诺!文档内容仅供研究参考,付费前请自行鉴别。
3、如文档内容存在违规,或者侵犯商业秘密、侵犯著作权等,请点击“违规举报”。

碎片内容

塔吊工程施工安全技术交底(表格)

墨香书阁+ 关注
实名认证
内容提供者

热爱教学事业,对互联网知识分享很感兴趣

确认删除?
VIP
微信客服
  • 扫码咨询
会员Q群
  • 会员专属群点击这里加入QQ群
客服邮箱
回到顶部