电脑桌面
添加小米粒文库到电脑桌面
安装后可以在桌面快捷访问

建筑地面工程施工质量监理实施细则VIP免费

建筑地面工程施工质量监理实施细则_第1页
1/18
建筑地面工程施工质量监理实施细则_第2页
2/18
建筑地面工程施工质量监理实施细则_第3页
3/18
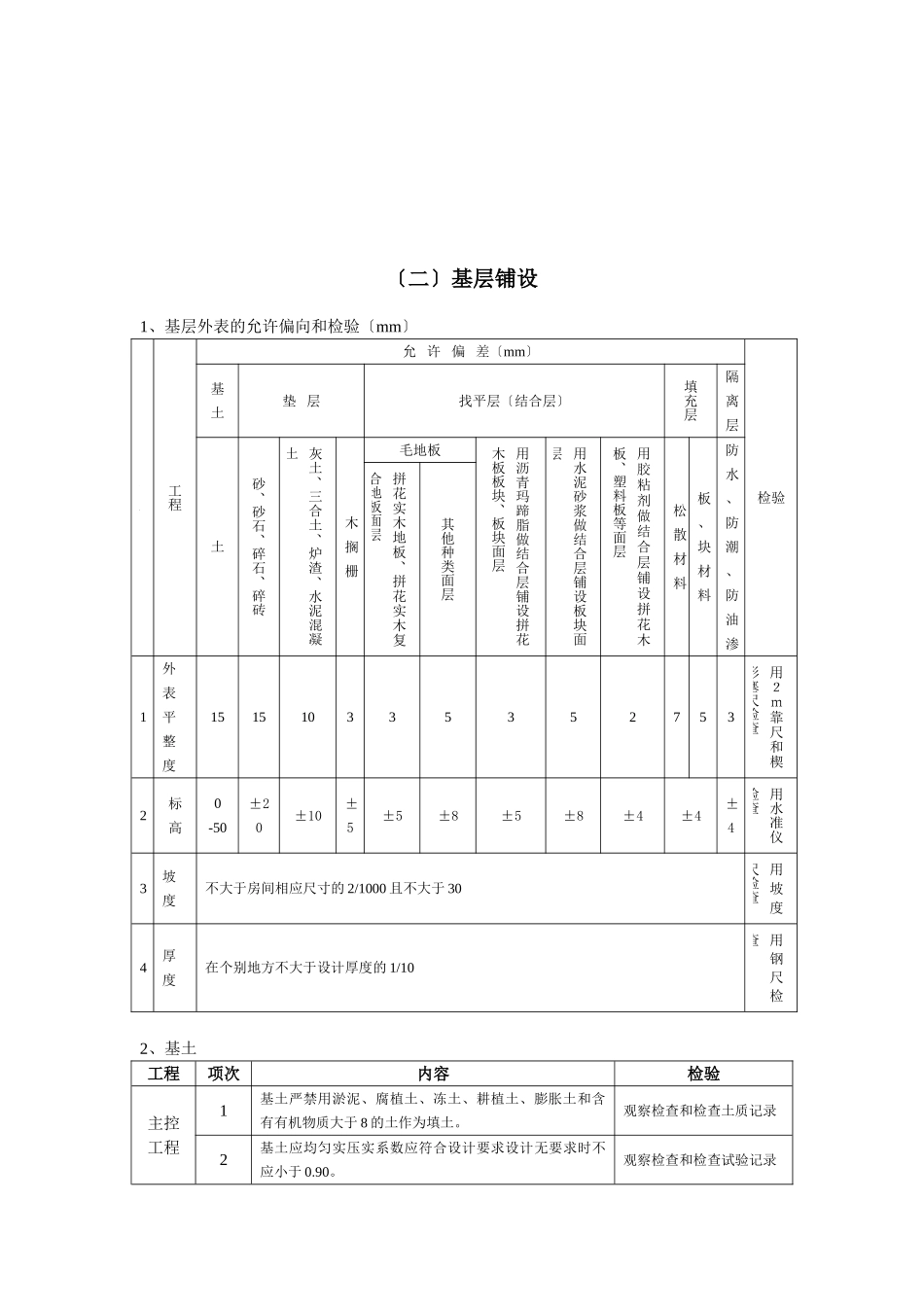
八、建筑地面工程施工质量监理施行细那么〔一〕根本规定1、建筑地面工程、子分部工程、分项工程的划分分部工程子分部工程分项工程建筑装饰装修工程地面整体面层基层:基土、灰土垫层、砂垫层和砂石垫层、碎石垫层和碎砖垫层、三合土垫层、炉渣垫层、水泥混凝土垫层、找平层、隔离层、填充层面层:水泥混凝土面层、水泥砂浆面层、水磨石面层、水泥钢〔铁〕屑面层、防油渗面层、不发火〔防爆的〕面层板块面层基层:基土、灰土垫层、砂垫层和砂石垫层、碎石垫层和碎砖垫层、三合土垫层、炉渣垫层、水泥混凝土垫层、找平层、隔离层、填充层面层:砖面层〔陶瓷锦砖、缸砖、陶瓷地砖和水泥花砖面层〕、大理石面层和花岗岩面层、预制板块面层〔水泥混凝土板块、水磨石板块面层〕、料石面层〔条石、块石面层〕、塑料板面层、活动地板面层、地毯面层木、竹面层基层:基土、灰土垫层、砂垫层和砂石垫层、碎石垫层和碎砖垫层、三合土垫层、炉渣垫层、水泥混凝土垫层、找平层、隔离层、填充层面层:实木地板面层〔条材、块材面层〕、实木复合地板面层〔条材、块材面层〕、中度〔强化〕复合地板面层〔条材面层〕、竹地板面层2、建筑地面工程采用的材料应按设计要求和GB50209-2002的规定选用并应符合的规定;进场材料应有中文质量合格证明、规格、型及性能检测对重要材料应有复验。3、厕浴间和有防滑要求的建筑地面的板块材料应符合设计要求。4、厕浴间、厨房和有排水〔或其他液体〕要求的建筑地面面层与相连接各类面层的标高差应符合设计要求。5、检验应符合以下规定:(1)检查允许偏向应采用钢尺、2m靠尺、楔形塞尺、坡度尺和水准仪;(2)检查空鼓应采用敲击的;(3)检查有防水要求建筑地面的基层〔各构造层〕和面层应采用泼水或蓄水蓄水时间不得少于24h;(4)检查各类面层〔含不需铺设部分或部分面层〕外表的裂纹、脱皮、麻面和起砂等缺陷应采用观感的。〔二〕基层铺设1、基层外表的允许偏向和检验〔mm〕项次工程允许偏差〔mm〕检验基土垫层找平层〔结合层〕填充层隔离层土砂、砂石、碎石、碎砖灰土、三合土、炉渣、水泥混凝土木搁栅毛地板用沥青玛蹄脂做结合层铺设拼花木板板块、板块面层用水泥砂浆做结合层铺设板块面层用胶粘剂做结合层铺设拼花木板、塑料板等面层松散材料板、块材料防水、防潮、防油渗拼花实木地板、拼花实木复合地板面层其他种类面层1外表平整度151510335352753用2m靠尺和楔形塞尺检查2标高0-50±20±10±5±5±8±5±8±4±4±4用水准仪检查3坡度不大于房间相应尺寸的2/1000且不大于30用坡度尺检查4厚度在个别地方不大于设计厚度的1/10用钢尺检查2、基土工程项次内容检验主控工程1基土严禁用淤泥、腐植土、冻土、耕植土、膨胀土和含有有机物质大于8的土作为填土。观察检查和检查土质记录2基土应均匀实压实系数应符合设计要求设计无要求时不应小于0.90。观察检查和检查试验记录一般工程1基土外表的允许偏向应符合〔二〕.1的规定。应按GB50209-2002表4.1.5中的检验检验3、灰土垫层工程项次内容检验主控工程1灰土体积比应符合设计要求观察检查和检查配合比单记录一般工程1熟化石灰颗粒粒径不得大于5mm;粘土〔或粉质粘土、粉土〕内不得含有有机物质颗粒粒径不得大于15mm。观察检查和检查材质合格记录2灰土垫层外表的允许偏向应符合〔二〕.1的规定。应按GB50209-2002表4.1.5中的检验检验。4、砂垫层和砂石垫层工程项次内容检验主控工程1砂和砂石不得含有草根等有机杂质;砂应采用中砂;石子粒径不得大于垫层厚度的2/3。观察检查和检查材质合格证明及检测2砂垫层和砂石垫层外表的干度〔或贯入度〕应符合设计要求。观察检查和检查试验记录一般工程1外表不应有砂窝、石堆等质量缺陷观察检查2砂垫层和砂石垫层外表的允许偏向应符合本表4.1.5的规定应按GB50209-2002表4.1.5中的检验检验。5、碎石垫层和碎砖垫层工程项次内容检验主控工程1碎石的强度应均匀粒径不应大于垫层厚度的2/3;碎砖不应采用风化、酥松、夹有有机杂质的砖料颗粒粒径不应大于60mm。观察检查和检查才智合格证明及检测。2碎石、碎砖垫层的实度应符合设计要求观察检查和检查试验记录一般工程1碎石、碎砖垫...

1、当您付费下载文档后,您只拥有了使用权限,并不意味着购买了版权,文档只能用于自身使用,不得用于其他商业用途(如 [转卖]进行直接盈利或[编辑后售卖]进行间接盈利)。
2、本站所有内容均由合作方或网友上传,本站不对文档的完整性、权威性及其观点立场正确性做任何保证或承诺!文档内容仅供研究参考,付费前请自行鉴别。
3、如文档内容存在违规,或者侵犯商业秘密、侵犯著作权等,请点击“违规举报”。

碎片内容

建筑地面工程施工质量监理实施细则

您可能关注的文档

确认删除?
VIP
微信客服
  • 扫码咨询
会员Q群
  • 会员专属群点击这里加入QQ群
客服邮箱
回到顶部