电脑桌面
添加小米粒文库到电脑桌面
安装后可以在桌面快捷访问

土方回填工程检验批质量验收记录VIP免费

土方回填工程检验批质量验收记录_第1页
1/4
土方回填工程检验批质量验收记录_第2页
2/4
土方回填工程检验批质量验收记录_第3页
3/4
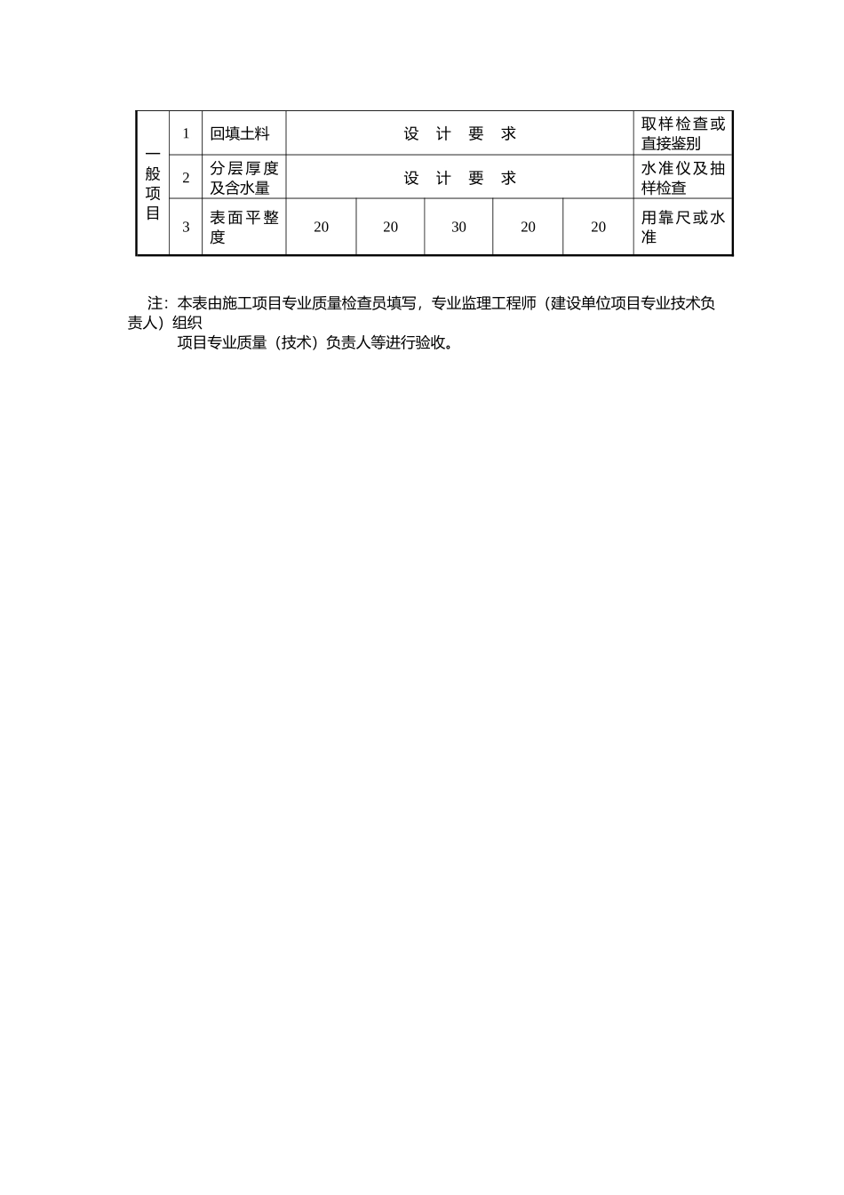
土方回填工程检验批质量验收记录(GB50202-2002)表6.3.4编号:010102□□□工程名称分项工程名称项目经理施工单位验收部位施工执行标准名称及编号专业工长(施工员)分包单位分包项目经理施工班组长质量验收规范的规定施工单位自检记录监理(建设)单位验收记录检查项目质量要求(mm)柱基基坑基槽场地平整管沟地(路)面基层人工机械主控项目1标高50±30±5050502分层压实系数设计要求:一般项目1回填土料设计要求:2分层厚度及含水量设计要求:3表面平整度2020302020施工操作依据质量检查记录施工单位检查结果评定项目专业项目专业质量检查员:技术负责人:年月日监理(建设)单位验收结论专业监理工程师:(建设单位项目专业技术负责人)年月日010102□□□说明6.2土方回填6.3.1土方回填前应清除基底的垃圾、树根等杂物,抽除坑穴积水、淤泥,验收基底标高如在耕植土或松土上填方,应在基底压实后再进行。6.3.2对填方土料应按设计要求验收后方可填入。6.3.3填方施工过程中应检查排水措施,每层填筑厚度、含水量控制、压实程度。填筑厚度及压实遍数应根据土质,压实系数及所用机具确定。如无试验依据,应符合表6.3.3的规定。表6.3.3填土施工时的分层厚度及压实遍数压实机具分层厚度(mm)每层压实遍数平碾250~3006~8振动压实机250~3503~4柴油打夯机200~2503~4人工打夯<2003~46.3.4填方施工结束后,应检查标高、边坡坡度、压实程度等,检验标准应符合表6.3.4的规定。表6.3.4填土工程质量检验标准(mm)项序项目允许偏差或允许值检验方法柱基基坑基槽场地平整管沟地(路)面基层人工机械主控项目1标高50±30±505050水准仪2分层压实系数设计要求按规定方法一般项目1回填土料设计要求取样检查或直接鉴别2分层厚度及含水量设计要求水准仪及抽样检查3表面平整度2020302020用靠尺或水准注:本表由施工项目专业质量检查员填写,专业监理工程师(建设单位项目专业技术负责人)组织项目专业质量(技术)负责人等进行验收。

1、当您付费下载文档后,您只拥有了使用权限,并不意味着购买了版权,文档只能用于自身使用,不得用于其他商业用途(如 [转卖]进行直接盈利或[编辑后售卖]进行间接盈利)。
2、本站所有内容均由合作方或网友上传,本站不对文档的完整性、权威性及其观点立场正确性做任何保证或承诺!文档内容仅供研究参考,付费前请自行鉴别。
3、如文档内容存在违规,或者侵犯商业秘密、侵犯著作权等,请点击“违规举报”。

碎片内容

土方回填工程检验批质量验收记录

确认删除?
VIP
微信客服
  • 扫码咨询
会员Q群
  • 会员专属群点击这里加入QQ群
客服邮箱
回到顶部