电脑桌面
添加小米粒文库到电脑桌面
安装后可以在桌面快捷访问

塑料积木的模具设计(含零件图与装配图,如有需要可索取)VIP免费

塑料积木的模具设计(含零件图与装配图,如有需要可索取)_第1页
1/42
塑料积木的模具设计(含零件图与装配图,如有需要可索取)_第2页
2/42
塑料积木的模具设计(含零件图与装配图,如有需要可索取)_第3页
3/42
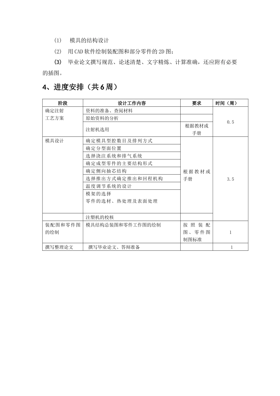
设计(论文)题目:塑料积木模具设计设计人姓名:_________________班级:_____________________指导老师姓名:***1、设计(论文)内容(1)分析零件的成形工艺性。(2)制品的基本参数的计算及注射机选用。(3)模具类型及结构的确定。(4)模具和成型设备关系的校核。(5)模具零件的必要计算。(6)绘制模具装配图。(7)绘制模具的部分零件的二维图(8)编写设计说明书。2、设计(论文)的目的和要求(1)综合运用本专业所学课程的理论和生产实际知识,进行塑料模具设计的实际训练,从而培养学生独立工作的能力,提高学生的实际分析能力和创新意识。(2)加深学生对塑料模具设计基本理论的理解,培养学生设计和实践能力的重要环节和必要手段,培养学生设计塑料模具的能力。其目的是使学生全面了解与掌握注射模具的组成、结构、动作原理及其设计方法与步骤等。(3)培养学生将所学的模具知识、零件设计、制图、工艺、公差与技术测量等知识有机地结合在一起,提高学生对模具零件设计、制图、等知识与技能的综合掌握与应用能力,培养其严谨的实验态度和分析解决问题的能力。(4)掌握零件设计与加工的基本技能,如计算、绘图、查阅设计资料和手册,熟悉标准和规范等。3、设计(论文)主要技术指标(1)模具的结构设计(2)用CAD软件绘制装配图和部分零件的2D图;(3)毕业论文撰写规范、论述清楚、文字精炼、计算准确,还应附有必要的插图。4、进度安排(共6周)阶段设计工作内容要求时间(周)确定注射工艺方案资料的准备、查阅材料0.5原始资料的分析注射机选用根据教材或手册模具设计确定模具型腔数目及排列方式根据教材或手册3.5确定分型面位置选择浇注系统和排气系统确定成型零件的主要结构形式确定侧向抽芯结构选择推出方式确定推出和回程机构温度调节系统的设计模架的选择零件的选材、热处理及表面处理注塑机的校核装配图和零件图的绘制模具结构总装图和零件工作图的绘制按照装配图、零件图制图标准1撰写整理论文撰写毕业论文、答辩准备1塑料积木塑件图目录引言.....................................................21结构工艺分析..............................................51.1原始设计依据........................................51.2塑件的结构及工艺性分析..............................51.3塑件材料及成型特性分析..............................61.3.1ABS主要的性能特点...........................................71.3.2ABS的成型工艺性能.........................................71.3.4成形特性:...................................................71.3.5成形工艺:...................................................82注射模的组成...........................................92.1注射模组成..........................................93注塑模整体结构设计.......................................103.1型腔数量的确定.....................................103.2分型面的设计.......................................103.3气槽的设计.........................................113.4浇注系统的设计.....................................113.4.1主流道设计..................................................113.4.2浇口套的结构形式............................................123.5分流道的设计.......................................123.6浇口的设计.........................................133.6.1浇口的作用..................................................133.6.2浇口设计的基本要点..........................................133.6.3浇口类型....................................................133.7冷料穴的设计.......................................143.7.1冷料穴......................................................143.7.2拉料杆设计..................................................153.8合模导向机构的设计.................................153.8.1导向机构....................................................153.8.2...

1、当您付费下载文档后,您只拥有了使用权限,并不意味着购买了版权,文档只能用于自身使用,不得用于其他商业用途(如 [转卖]进行直接盈利或[编辑后售卖]进行间接盈利)。
2、本站所有内容均由合作方或网友上传,本站不对文档的完整性、权威性及其观点立场正确性做任何保证或承诺!文档内容仅供研究参考,付费前请自行鉴别。
3、如文档内容存在违规,或者侵犯商业秘密、侵犯著作权等,请点击“违规举报”。

碎片内容

塑料积木的模具设计(含零件图与装配图,如有需要可索取)

确认删除?
VIP
微信客服
  • 扫码咨询
会员Q群
  • 会员专属群点击这里加入QQ群
客服邮箱
回到顶部