电脑桌面
添加小米粒文库到电脑桌面
安装后可以在桌面快捷访问

南阳市城市规划管理技术规定范本VIP免费

南阳市城市规划管理技术规定范本_第1页
1/26
南阳市城市规划管理技术规定范本_第2页
2/26
南阳市城市规划管理技术规定范本_第3页
3/26
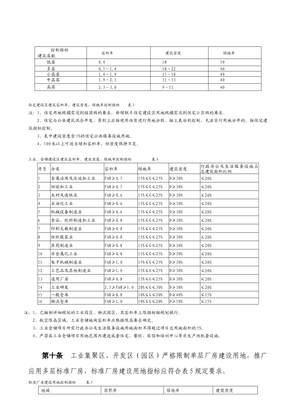
南阳市城市规划管理技术规定(修订)第一章总则第一条为加强南阳市城市规划管理,有效地实现城市规划设计、管理的标准化、规范化和法制化,保障城市规划的实施,根据《中华人民共和国城乡规划法》、《南阳市城市总体规划》等规定要求,遵循国家有关规范、标准,结合南阳实际制定本规定。第二条本规定适用于南阳市城市总体规划所确定的规划区范围内各类新建、扩建、改建的建设工程(包括室外装修)及一切与城市规划设计和管理有关的活动。临时建筑、居民和村民自建住房,另按有关规定执行。第三条各类工程建设应采用南阳独立平面坐标系和国家高程系。第四条各类工程建设除应满足本规定外,还须符合有关法律、法规、规章及技术规范。第二章用地管理第一节城市用地分类及适建范围第五条城市用地按其主要用途和功能分区的基本原则,按照国家《城市用地分类与规划建设用地标准(GBJ137-90)》分为大类、中类和小类三个层次,其中大类10类,中类46类,小类73类(具体内容详见附录1)。第六条各类建设用地的划分应遵循土地使用兼容性的原则,按经批准的各项规划执行。凡表1中未列入的建设项目,由市规划行政主管部门根据对周围环境的影响和基础设施的条件,具体核定适建范围。凡需改变规划用地性质超出表1规定范围的,应先调整规划,并按规定程序和审批权限报批,经批准后执行。第七条凡用地单位征用未开拓的规划道路旁土地,需同时代征规划道路宽度一半范围的土地,作为开拓道路及敷设市政基础设施用地;若用地临道路交通广场、河道绿地、街头绿地、道路景观绿地等,一并代征,作为相应市政基础设施等用地。其建筑密度、容积率等规划技术指标计算按实际(使用)建设用地面积(不含代征地面积)计算。第二节建筑容量控制指标第八条城市规划区内新建、扩建、改建的建设项目,在控制性详细规划覆盖的地区,其建筑容量指标按控制性详细规划确定。第九条建设用地面积大于0.3万平方米小于3万平方米,且控制性详细规划尚未覆盖的建设区的建设项目,其控制指标按表2、表3、表4的规定执行。表中建筑密度、容积率为上限,是强制性指标;绿地率为下限,是建议性指标。公共建设区建筑容积率、建筑密度、绿地率控制指标表2用地面积类型指标3000~60006000~1200012000~2000020000~30000FARD(%)G(%)FARD(%)G(%)FARD(%)G(%)FARD(%)G(%)办公建筑24M以下2.434302.231321.828341.6243624M~50M3.532303.030322.026341.8223650M以上4.030303.328322.824342.52036旅馆建筑24M以下2.035301.832321.728351.6254024M~50M3.332303.030322.826352.5244050M以上4.530304.028323.525353.02240商业建筑24M以下2.240251.936251.632301.4283024M~50M3.036252.634252.230301.82430民用综合建筑24M以下1.530351.428381.326401.2244024M~50M2.028351.826381.624401.5224050M以上3.226353.024382.822402.52040注:1、办公建筑容积率不得低于1.5。2、FAR——容积率D——建筑密度G——绿地率(本条注解适用于本规定全文,后文遇到此问题,亦按此解释。)住宅建设区建筑容积率、建筑密度、绿地率控制指标表3注:1、住宅用地规模需达到组团级的要求,新增联片住宅建设区用地规模需达到住宅小区级的要求。2、住宅与公共建筑混合开发,原则上应按使用性质进行用地分割,按上表分别控制,无法实行用地分开的,按住宅建筑指标控制。3、表中建设密度含5%的住宅公共服务设施用地。4、100米以上可适当增加容积率,但密度保持不变。工业、仓储建设区建筑容积率、建筑密度、绿地率控制指标表4序号分类容积率绿地率建筑密度行政办公及生活服务设施占总建筑面积比例1金属冶炼及压延加工业FAR≥0.515%≤G≤25%D≥30%≤20%2回收加工业FAR≥0.515%≤G≤25%D≥30%≤20%3木材及造纸业FAR≥0.615%≤G≤25%D≥30%≤20%4石油化工业FAR≥0.615%≤G≤25%D≥30%≤20%5机械设备制造业FAR≥0.615%≤G≤25%D≥30%≤20%6食品、饮料制造加工业FAR≥0.815%≤G≤25%D≥30%≤20%7印刷文教制造业FAR≥0.815%≤G≤25%D≥30%≤20%8纺织服装业FAR≥0.815%≤G≤25%D≥30%≤20%9医药制造业FAR≥0.815%≤G≤25%D≥30%≤20%10非金属化工业FAR≥0.815%...

1、当您付费下载文档后,您只拥有了使用权限,并不意味着购买了版权,文档只能用于自身使用,不得用于其他商业用途(如 [转卖]进行直接盈利或[编辑后售卖]进行间接盈利)。
2、本站所有内容均由合作方或网友上传,本站不对文档的完整性、权威性及其观点立场正确性做任何保证或承诺!文档内容仅供研究参考,付费前请自行鉴别。
3、如文档内容存在违规,或者侵犯商业秘密、侵犯著作权等,请点击“违规举报”。

碎片内容

南阳市城市规划管理技术规定范本

确认删除?
VIP
微信客服
  • 扫码咨询
会员Q群
  • 会员专属群点击这里加入QQ群
客服邮箱
回到顶部