电脑桌面
添加小米粒文库到电脑桌面
安装后可以在桌面快捷访问

市政工程监理平行检验表格VIP免费

市政工程监理平行检验表格_第1页
1/31
市政工程监理平行检验表格_第2页
2/31
市政工程监理平行检验表格_第3页
3/31
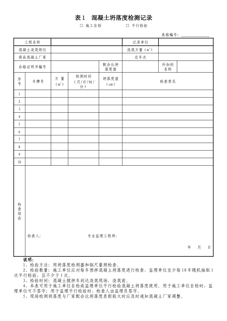
表1混凝土坍落度检测记录□施工自检□平行检验表格编号:。工程名称记录单位混凝土浇筑部位浇筑方量(m3)商品混凝土厂家总车次合格证明书编号配合比坍落度值外加剂名称序号车牌号方量(m3)检测时间(月/日/时/分)坍落度值(cm)检查意见12345678910检查结论检查人:专业监理工程师:年月日说明:1、检验方法:用坍落度检测器和钢尺量测检查。2、检验数量:施工单位应对每车预拌混凝土坍落度进行检查,监理单位至少每10车随机抽取1次平行检验,且不少于1次。3、检验时间:混凝土搅拌车到达浇筑现场,浇筑前。4、本表可用于施工单位自检或监理单位平行检验混凝土坍落度使用。用于施工单位自检时,监理单位可不签字;用于监理平行检验时,检查人由监理员签字。5、现场检测坍落度与厂家配合比坍落度差距较大时应及时通知混凝土厂家调整。表2钢筋外观质量检测记录表格编号:。序号施工检验批号钢筋型号生产厂家进场时间数量(t)炉批号重量偏差(%)外观质量检查结论锈蚀裂纹油污平直损伤检查结论检查人:监理见证员:监理工程师:年月日说明:1、钢筋进场后,外观质量检测应在监理单位的见证下进行。除本表格外,检测结果同时应在监理见证记录中予以体现。2、检验频率:以同牌号、同炉号、同规格、同交货状态的钢筋,每60t为一批,不足60t以一批计,每批抽检1次。3、钢筋重量偏差的测定:(1)测量钢筋重量偏差时,试样应从不同根钢筋上截取,数量不少于5支。每支试验长度不小于500mm。长度应逐支测量,精确到1mm。测量试样总重量时,应精确到不大于总重量的1%。(2)用钢丝刷清除钢筋试样表面杂物后,称取试样总重量。用下式计算钢筋实际重量和理论重量的偏差(%):重量偏差(%)=试样实际总重量−(试样总长度×理论重量)试样总长度×理论重量×100(3)钢筋理论重量可见下表:热轧光圆钢筋:热轧带肋钢筋:(4)允许重量偏差钢筋类别公称直径/mm允许重量偏差热轧光圆钢筋6~12±714~22±5热轧带肋钢筋6~12±714~20±522~50±44、外观质量:钢筋应平直、无损伤,钢筋表面不得有裂纹、起皮、油污、颗粒状或片状锈蚀等。根据检测结果在相应栏内填“有”或“无”,平直栏直接填“平直”或“弯曲”。5、产品标牌上的标识炉批号应与质量保证书上一致,并做好记录。当不一致时,应查明材料来源,否则应退货。6、当钢筋表面存在裂纹、起皮应退货;若存在损伤、不平直应剔出退货;存在油污应清理干净;存在颗粒状或片状老锈应除尽,若影响截面尺寸,应降级处理。7、外观检查合格后,应及时见证取样送有资质的检测机构进行力学性能检测,检测合格后方可使用。公称直径(mm)公称横截面积(mm2)理论重量(kg/m)6(6.5)81012141618202228.27(33.18)50.2778.54113.1153.9201.1254.5314.2380.10.222(0.260)0.3950.6170.8881.2101.5802.0002.4702.980注:表中理论重量密度为7.85g/cm3。公称直径6.5mm的产品为过渡性产品。公称直径(mm)公称横截面积(mm2)理论重量(kg/m)681012141618202225283236405028.2750.2778.54113.1153.9201.1254.5314.2380.1490.9615.8804.21018125719640.2220.3950.6170.8881.2101.5802.0002.4702.9803.8504.8306.3107.9909.87015.42注:表中理论重量密度为7.85g/cm3。表3土方路基(路床)平行检验记录监理单位:编号:单位(子单位)工程名称分部(子分部)工程名称对应检验批质量验收记录单编号检验频率检验桩号范围序号检验项目允许偏差(mm,%)检查情况或偏差值是否符合要求1纵断高程-20,+102中线偏位≤303平整度≤154宽度不小于设计值5横坡±0.3%且不反坡6边坡不陡于设计值监理单位结论是否符合设计文件和规范要求:□是□否,下发监理通知书,要求施工单位整改。□其他,检查人:专业监理工程师:年月日说明:1、检验方法:参见下表。2、检验数量:本记录表按200米为一个平行检验单元,每1公里道路随机抽取不少于1个单元,且不少于1次,检验频率参见下表。3、检验时间:施工单位检验批施工完毕,并经自检合格后。每个检验单元检验要求序号项目检验频率检验方法范围(m)点数1纵断高程201用水准仪测量2中线偏位1002用经纬仪、钢尺量取最大值3平整...

1、当您付费下载文档后,您只拥有了使用权限,并不意味着购买了版权,文档只能用于自身使用,不得用于其他商业用途(如 [转卖]进行直接盈利或[编辑后售卖]进行间接盈利)。
2、本站所有内容均由合作方或网友上传,本站不对文档的完整性、权威性及其观点立场正确性做任何保证或承诺!文档内容仅供研究参考,付费前请自行鉴别。
3、如文档内容存在违规,或者侵犯商业秘密、侵犯著作权等,请点击“违规举报”。

碎片内容

市政工程监理平行检验表格

您可能关注的文档

墨香书阁+ 关注
实名认证
内容提供者

热爱教学事业,对互联网知识分享很感兴趣

相关文档

确认删除?
VIP
微信客服
  • 扫码咨询
会员Q群
  • 会员专属群点击这里加入QQ群
客服邮箱
回到顶部