电脑桌面
添加小米粒文库到电脑桌面
安装后可以在桌面快捷访问

售楼部工程施工组织设计VIP免费

售楼部工程施工组织设计_第1页
1/69
售楼部工程施工组织设计_第2页
2/69
售楼部工程施工组织设计_第3页
3/69
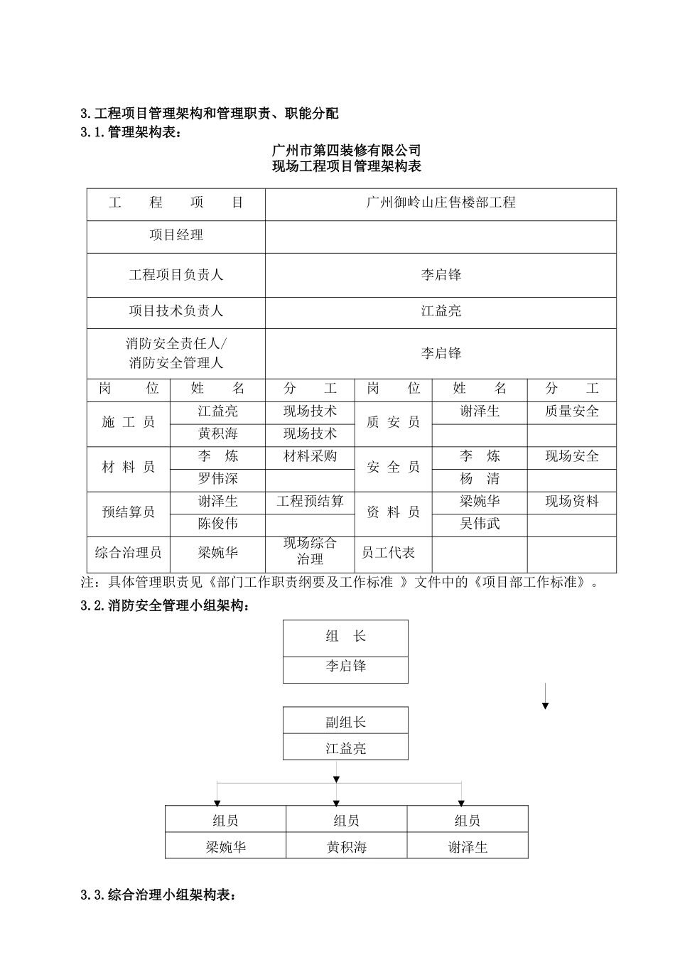
1.工程概况1.1.工程名称广州御岭山庄售楼部工程工程地点御岭山庄(原南湖桃源山庄)建设单位广州市市政集团有限公司设计单位广州市市政集团设计院有限公司监理单位广州建筑工程监理有限公司建筑面积售楼部室内:1158㎡;室外:6167㎡层数/层高一层/8.3m楼高8.3m工程面积装修(装饰)幕墙外墙饰面水电7325㎡/758㎡7325㎡合同造价概算伍佰万元整合同工期50日历天开工日期竣工日期1.2.四置及环境本工程位于白云区御岭山庄(原南湖桃源山庄),四面环山,绿树成荫。施工现场是御岭山庄(原南湖桃源山庄)售楼部室内外、广场及围墙,现场临水、临电由业主提供。工人宿舍统一安排,设置在工人宿舍区。由于四面环山,绿树成荫,因此在施工过程中要特别注意安全防火的控制以及施工产生的粉尘、污水和垃圾对周围环境的影响。1.3.工程内容、工程特点及系统设置1.3.1工程内容:本工程的施工内容包括装饰分部:天花工程:轻钢龙骨石膏板天花吊顶、木饰面板天花吊顶等;墙身工程:墙身木饰面、轻钢龙骨石膏板间隔制作安装,玻璃门、木门制作安装及油漆,内墙抹灰油乳胶漆,柱身干挂大理石,墙身大理石铺贴、窗帘盒及窗帘安装制作、地砖镶贴,洁具安装,木柜制作及安装,铝合金框钢化玻璃隔断、皮革软包安装、等;地面工程:地面饰面砖、大理石及肌理地砖、抛光砖、门槛石、地脚线镶贴等;电气分部:配电箱安装、线管敷设及安装、开关插座安装、灯具安装及调试等;给排水分部:卫生洁具、水池、绿化给排水安装及通水调试等;围墙、广场分部:钢结构骨架、砌体工程、土方开挖、土方回填、基础钢筋工程、基础模版工程、基础砼工程、拆模、围墙干挂大理石,石材铺贴等。具体施工项目按照施工设计图纸及甲方提供的装修项目明细表。1.3.2工程特点:1.3.2.1本工程将依据御岭山庄(原南湖桃源山庄)施工现场的实际条件,工作量、工期、劳动力等方面,为了确保在规定的时间内完成,合理安排施工顺序和流水方向,减少穿插,避免互相制约,使各专业工种形成一条单线式流水施工线,因此本方案本着先深后浅的原则,分一个流水线,自上而下采用立体交叉流水施工方法。避免劳动力高低峰,原材料进出场不平衡,最大限度利用机械设备等手段使工程在宏观控制下,处在均衡、连续,有节奏的施工中。1.3.2.2本工程共一层,主要大面积施工的是石膏板、木饰面等轻钢龙骨天花吊顶,间隔主要为轻钢龙骨石膏板隔断、铝合金框钢化玻璃隔断,墙面多为乳胶漆施涂、木饰面板、玻璃及石材饰面等,总体效果大方美观,充分体现售楼部办公的功能需求。由于本工程在施工过程中需要配合其他专业队伍,因此在施工过程中,我司将在正常施工的前提下严格按照总进度的要求,控制好本标段工程的进度和质量,以确保一次成优。1.3.3系统设置:1.3.3.1本工程配电系统采用TN-S系统,干线选五芯;配电箱采用三相进线;照明系统控制方式采用时间断电器自动控制和手动控制相结合方式。1.3.3.2本工程绿化给水采用浇灌给水系统,用DN50的水表接自市政管道。2.质量目标、环境/职业健康安全目标2.1本单项工程一次验收合格,创市优良样板工程。2.2顾客满意度达90%2.3环境目标:最大限度减少施工扬尘及化学危险品挥发,现场噪声不超标排放,逐步实现城市固体废物分类管理,不断提高资源利用率、回收率,严防重大火灾、爆炸事故发生及化学危险品泄漏,减少对环境的影响。2.4职业健康安全目标:安全防火事故控制指标为零;死亡事故控制指标为零;重伤事故控制指标为零;职工工伤(轻伤)事故控制频率:月度1.0‰,年度12‰以内;职业病发生率为零。3.工程项目管理架构和管理职责、职能分配3.1.管理架构表:广州市第四装修有限公司现场工程项目管理架构表工程项目广州御岭山庄售楼部工程项目经理工程项目负责人李启锋项目技术负责人江益亮消防安全责任人/消防安全管理人李启锋岗位姓名分工岗位姓名分工施工员江益亮现场技术质安员谢泽生质量安全黄积海现场技术材料员李炼材料采购安全员李炼现场安全罗伟深杨清预结算员谢泽生工程预结算资料员梁婉华现场资料陈俊伟吴伟武综合治理员梁婉华现场综合治理员工代表注:具体管理职责见《部门工作职责纲要及工作标准》文件中的《项...

1、当您付费下载文档后,您只拥有了使用权限,并不意味着购买了版权,文档只能用于自身使用,不得用于其他商业用途(如 [转卖]进行直接盈利或[编辑后售卖]进行间接盈利)。
2、本站所有内容均由合作方或网友上传,本站不对文档的完整性、权威性及其观点立场正确性做任何保证或承诺!文档内容仅供研究参考,付费前请自行鉴别。
3、如文档内容存在违规,或者侵犯商业秘密、侵犯著作权等,请点击“违规举报”。

碎片内容

售楼部工程施工组织设计

您可能关注的文档

确认删除?
VIP
微信客服
  • 扫码咨询
会员Q群
  • 会员专属群点击这里加入QQ群
客服邮箱
回到顶部