电脑桌面
添加小米粒文库到电脑桌面
安装后可以在桌面快捷访问

工艺电子基础知识培训教材 (1)VIP免费

工艺电子基础知识培训教材 (1)_第1页
1/37
工艺电子基础知识培训教材 (1)_第2页
2/37
工艺电子基础知识培训教材 (1)_第3页
3/37
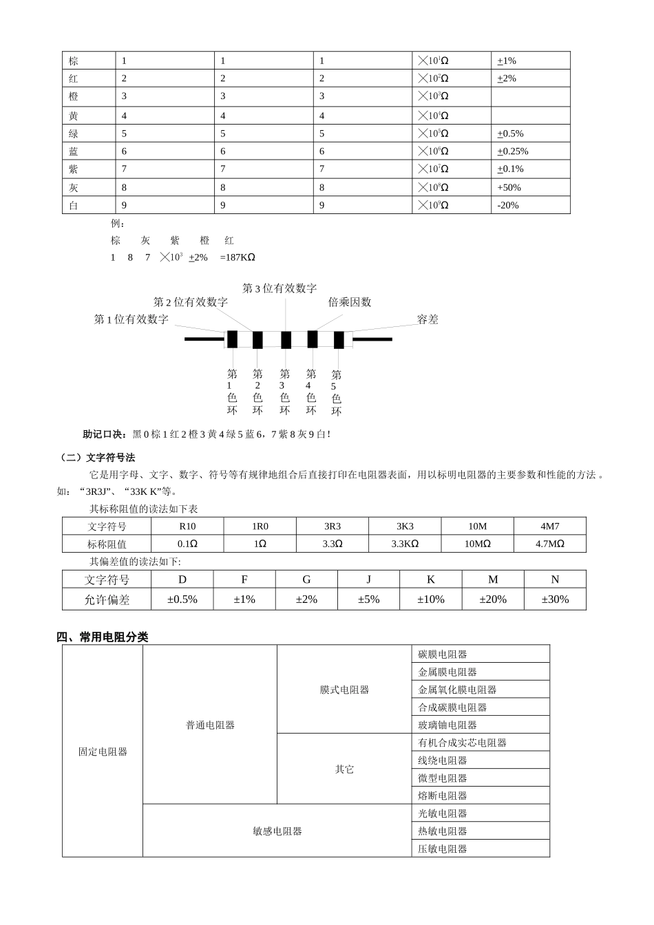
工艺基础知识培训第1色环第2色环第3色环第4色环第1位有效数字第2位有效数字倍乘因数容差电子元器件基本知识电阻一、阻的特性电阻是指对电流具有阻碍作用的器件,它们用来阻止电子流动。符号:R,单位:Ω(欧姆)。线性电阻器的电流与电压之间呈正比关系,可用欧姆定律来表示:R=U/I二、电阻器主要有分压、限流等作用电阻在电路中的符号为:“”电阻的单位换算1MΩ(兆欧)=103KΩ(千欧)=106Ω三、电阻的识别(一)色环法:电阻器的国际色标分为4色环和5色环国际色标4圈色环特征色第1色环第1位有效数字第2色环第2位有效数字第3色环倍乘因数第4色环误差无色———+20%银——╳10-2Ω+10%金——╳10-1Ω+5%黑00╳100Ω棕11╳101Ω+1%红22╳102Ω+2%橙33╳103Ω黄44╳104Ω绿55╳105Ω+0.5%蓝66╳106Ω+0.25%紫77╳107Ω+0.1%灰88╳108Ω+50%白99╳109Ω-20%例:黄紫红金47102+5%=4700Ω+5%误差国际色标5圈色环特征色第1色环第1位有效数字第2色环第2位有效数字第3色环第3位有效数字第4色环倍乘因数第5色环误差无色————+20%银———╳10-2Ω+10%金———╳10-1Ω+5%黑000╳100Ω第1色环第2色环第3色环第4色环第1位有效数字第2位有效数字倍乘因数容差第3位有效数字第5色环棕111╳101Ω+1%红222╳102Ω+2%橙333╳103Ω黄444╳104Ω绿555╳105Ω+0.5%蓝666╳106Ω+0.25%紫777╳107Ω+0.1%灰888╳108Ω+50%白999╳109Ω-20%例:棕灰紫橙红187╳103+2%=187KΩ助记口决:黑0棕1红2橙3黄4绿5蓝6,7紫8灰9白!(二)文字符号法它是用字母、文字、数字、符号等有规律地组合后直接打印在电阻器表面,用以标明电阻器的主要参数和性能的方法。如:“3R3J”、“33KK”等。其标称阻值的读法如下表文字符号R101R03R33K310M4M7标称阻值0.1Ω1Ω3.3Ω3.3KΩ10MΩ4.7MΩ其偏差值的读法如下:文字符号DFGJKMN允许偏差±0.5%±1%±2%±5%±10%±20%±30%四、常用电阻分类固定电阻器普通电阻器膜式电阻器碳膜电阻器金属膜电阻器金属氧化膜电阻器合成碳膜电阻器玻璃铀电阻器其它有机合成实芯电阻器线绕电阻器微型电阻器熔断电阻器敏感电阻器光敏电阻器热敏电阻器压敏电阻器无极性电容有极性电容第1色环第2色环第3色环第4色环第1位有效数字第2位有效数字容差标称电压倍乘因数第5色环五、电阻的串并联(一)串联:多个电阻串联后阻值为各电阻阻值之和,即:R=R1+R2+R3+…(二)并联:多个电阻并联后阻值为各电阻阻值的倒数之和的倒数,即:电容一、电容的特性简单地讲,电容就是储存电荷的容器。两个彼此绝缘的金属极板就能构成一个最简单的电容器。电容器储存电荷数量的多少,取决于电容器的容量。电容量在数字上的定义为一个导电极板上电荷量与两块极板之间的电位差的比值,即:C=Q/U式中:Q是一个极板上的电容量,单位为库仑;U为两极板之间的电位差,单位为伏特;C是电容量,单位为法拉。1法拉(F)=103毫法(mF)=106微法(uF)=109纳法(nF)=1012皮法(pF)电容的主要特性有:“隔直流,通交流”、“通高频、阻低频”电容的电路符号在PCB板上,有极性电容(如电解电容)表示为(有白印的一边为负极)二、电容的标识(一)色环法(实物中有三色环、四色环、五色环等)特征色第1色环第1位有效数字第2色环第2位有效数字第3色环倍乘因数第4色环误差第5色环标称电压(V)无色———+20%银——╳10-2Ω+10%金——╳10-1Ω+5%黑00╳100Ω4棕11╳101Ω+1%6.3红22╳102Ω+2%10橙33╳103Ω16黄44╳104Ω25+R=11/R1+1/R2+1/R3+…+1/Rn103J153K272Kω1C11×ω1Cg1×ωv1C31×ω1C21×CgC1C2C3C31C21C11ω1ω1Cg1×C31C21C11Cg1Cg1绿55╳105Ω+0.5%32蓝66╳106Ω+0.2%40紫77╳107Ω50灰88╳108Ω63白99╳109Ω(二)文字符号法文字符号p(m、u、n|F)前面的数字表示电容量,其后的数字表示小数点后的小数电容量。电容量标志符号电容量标志符号0.1pFP110pF10P0.33pFP333.3uF3u31pF1P3.3F3F33.3pF3P3------(三)数码表示法数码表示法一般为三位数加一位字母,前两位数为电容量有效值,第三位为倍乘数(若第3位为9,则是10-1)。该法所用的单位一般为pF。字母表示误差。如:容量:10×103=104pF容量:15×103pF=0.015...

1、当您付费下载文档后,您只拥有了使用权限,并不意味着购买了版权,文档只能用于自身使用,不得用于其他商业用途(如 [转卖]进行直接盈利或[编辑后售卖]进行间接盈利)。
2、本站所有内容均由合作方或网友上传,本站不对文档的完整性、权威性及其观点立场正确性做任何保证或承诺!文档内容仅供研究参考,付费前请自行鉴别。
3、如文档内容存在违规,或者侵犯商业秘密、侵犯著作权等,请点击“违规举报”。

碎片内容

工艺电子基础知识培训教材 (1)

您可能关注的文档

确认删除?
VIP
微信客服
  • 扫码咨询
会员Q群
  • 会员专属群点击这里加入QQ群
客服邮箱
回到顶部