电脑桌面
添加小米粒文库到电脑桌面
安装后可以在桌面快捷访问

单层的钢结构厂房施工组织设计(DOC31页)VIP免费

单层的钢结构厂房施工组织设计(DOC31页)_第1页
1/29
单层的钢结构厂房施工组织设计(DOC31页)_第2页
2/29
单层的钢结构厂房施工组织设计(DOC31页)_第3页
3/29
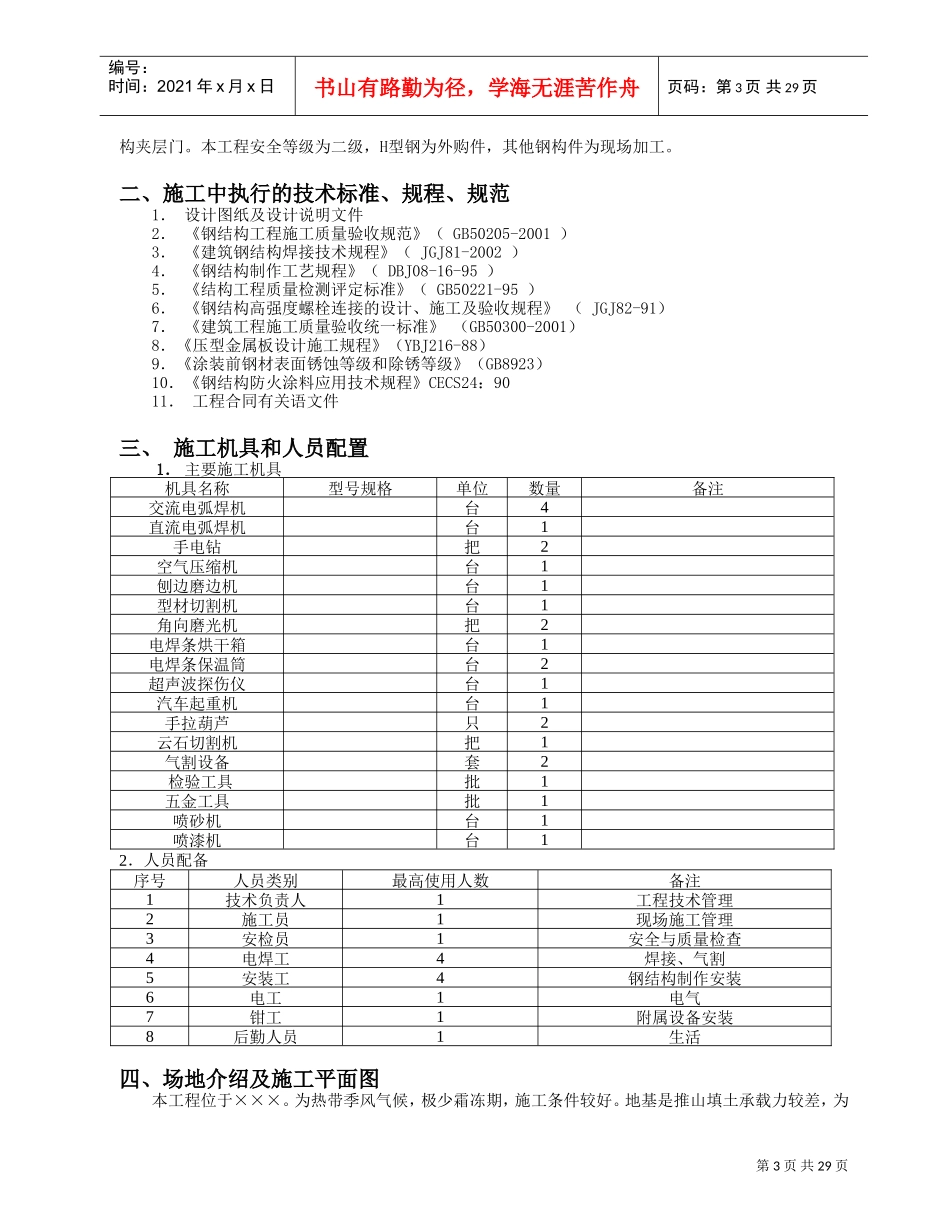
第1页共29页编号:时间:2021年x月x日书山有路勤为径,学海无涯苦作舟页码:第1页共29页丽江德一食品有限责任公司单层钢结构厂房施工组织设计项目名称:中药酵素生产车间安装工程工程名称:钢结构厂房制作安装工程编制单位:西昌天城建设工程有限公司编制人:农华山日期:2017年3月31日审定:涂远风审核:目录第2页共29页编号:时间:2021年x月x日书山有路勤为径,学海无涯苦作舟页码:第2页共29页一、工程概况1.工程名称2.工程地点3.工程简介二、工程施工中的技术规范和标准三、施工机具和人员配备1.施工机具2.人员配备四、施工平面图及场地简介五、施工工序六、施工进度计划表七、施工方案1.工艺流程图2.施工准备3.钢结构构件制作、组装、检验4.钢结构焊接、检验5.钢结构安装、检验6.螺栓连接、检验7.钢结构防腐涂料涂装、检验8.钢结构防火涂料涂装、检验9.压型金属板安装、检验八、钢结构质量施工管理九、钢结构安全施工管理十、钢结构环境保护文明施工管理一、工程概况1.工程名称:钢结构车间制作安装工程2.工程地点:玉龙县南口工业园区3.工程简介:本工程为单层钢结构金属压型钢板车间,钢柱、主梁均采用H型钢;楼层采用工字钢和槽钢,均采用高强度螺栓连接;楼板为花纹钢板;檩条为镀锌C型钢,用普通螺栓连接固定;屋、墙面板为保温金属压型钢板,用自攻螺钉连接固定;拉条为圆钢;角撑为角钢;基础为框架柱基础,与柱连接为预埋板地锚螺栓连接。车间长为102米,宽为41米,檐高6米,共一层;狐形屋面,坡度6-10%;窗采用铝合金推拉窗,门为钢结第3页共29页编号:时间:2021年x月x日书山有路勤为径,学海无涯苦作舟页码:第3页共29页构夹层门。本工程安全等级为二级,H型钢为外购件,其他钢构件为现场加工。二、施工中执行的技术标准、规程、规范1.设计图纸及设计说明文件2.《钢结构工程施工质量验收规范》(GB50205-2001)3.《建筑钢结构焊接技术规程》(JGJ81-2002)4.《钢结构制作工艺规程》(DBJ08-16-95)5.《结构工程质量检测评定标准》(GB50221-95)6.《钢结构高强度螺栓连接的设计、施工及验收规程》(JGJ82-91)7.《建筑工程施工质量验收统一标准》(GB50300-2001)8.《压型金属板设计施工规程》(YBJ216-88)9.《涂装前钢材表面锈蚀等级和除锈等级》(GB8923)10.《钢结构防火涂料应用技术规程》CECS24:9011.工程合同有关语文件三、施工机具和人员配置1.主要施工机具机具名称型号规格单位数量备注交流电弧焊机台4直流电弧焊机台1手电钻把2空气压缩机台1刨边磨边机台1型材切割机台1角向磨光机把2电焊条烘干箱台1电焊条保温筒台2超声波探伤仪台1汽车起重机台1手拉葫芦只2云石切割机把1气割设备套2检验工具批1五金工具批1喷砂机台1喷漆机台12.人员配备序号人员类别最高使用人数备注1技术负责人1工程技术管理2施工员1现场施工管理3安检员1安全与质量检查4电焊工4焊接、气割5安装工4钢结构制作安装6电工1电气7钳工1附属设备安装8后勤人员1生活四、场地介绍及施工平面图本工程位于×××。为热带季风气候,极少霜冻期,施工条件较好。地基是推山填土承载力较差,为第4页共29页编号:时间:2021年x月x日书山有路勤为径,学海无涯苦作舟页码:第4页共29页混凝土柱基础。地下水一般,场地排水通畅,雨量充足,无冰雪。施工总面积约6000平方米,道路为简易实土路面,路况较差,周围是国家粮库,西边为国家粮库铁路专用线。(施工平面图略)五、施工工序1.施工准备(1)生活设施施工(2)施工机具布置(3)材料进场存放、验收(4)技术准备2.钢结构制作组装、检验(1)钢材放样,下料,开孔(2)切割、矫正成型(3)边缘、端部和摩擦面加工(4)钢结构构件组装、校正、检验(5)各构件第一遍防腐涂刷3.钢结构焊接、检验4.钢结构安装、检验(1)基础检查(2)吊装前准备(3)钢柱吊装校正(4)钢梁吊装校正(5)钢屋架安装校正(6)其他钢构件安装校正、检验5.螺栓连接、检验(1)普通螺栓连接(2)普通螺栓连接、检验6.钢结构防腐涂料涂装、检验(1)钢构件表面除锈(2)钢结构防腐涂料涂装、检验7.防火涂料涂装、检验8.压型金属板安装、检验9.扫尾...

1、当您付费下载文档后,您只拥有了使用权限,并不意味着购买了版权,文档只能用于自身使用,不得用于其他商业用途(如 [转卖]进行直接盈利或[编辑后售卖]进行间接盈利)。
2、本站所有内容均由合作方或网友上传,本站不对文档的完整性、权威性及其观点立场正确性做任何保证或承诺!文档内容仅供研究参考,付费前请自行鉴别。
3、如文档内容存在违规,或者侵犯商业秘密、侵犯著作权等,请点击“违规举报”。

碎片内容

单层的钢结构厂房施工组织设计(DOC31页)

确认删除?
VIP
微信客服
  • 扫码咨询
会员Q群
  • 会员专属群点击这里加入QQ群
客服邮箱
回到顶部