电脑桌面
添加小米粒文库到电脑桌面
安装后可以在桌面快捷访问

常用电子元器件大全(34页)VIP免费

常用电子元器件大全(34页)_第1页
1/33
常用电子元器件大全(34页)_第2页
2/33
常用电子元器件大全(34页)_第3页
3/33
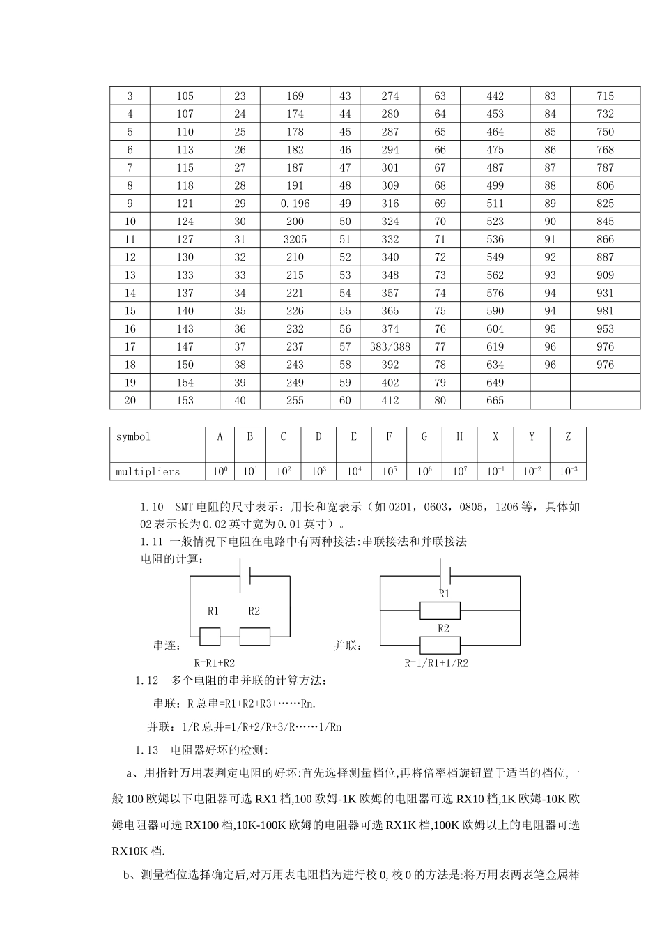
第一章电子元器件第一节、电阻器1.1电阻器的含义:在电路中对电流有阻碍作用并且造成能量消耗的部分叫电阻.1.2电阻器的英文缩写:R(Resistor)及排阻RN1.3电阻器在电路符号:R或WWW1.4电阻器的常见单位:千欧姆(KΩ),兆欧姆(MΩ)1.5电阻器的单位换算:1兆欧=103千欧=106欧1.6电阻器的特性:电阻为线性原件,即电阻两端电压与流过电阻的电流成正比,通过这段导体的电流强度与这段导体的电阻成反比。即欧姆定律:I=U/R。表1.7电阻的作用为分流、限流、分压、偏置、滤波(与电容器组合使用)和阻抗匹配等。1.8电阻器在电路中用“R”加数字表示,如:R15表示编号为15的电阻器。1.9电阻器的在电路中的参数标注方法有3种,即直标法、色标法和数标法。a、直标法是将电阻器的标称值用数字和文字符号直接标在电阻体上,其允许偏差则用百分数表示,未标偏差值的即为±20%.b、数码标示法主要用于贴片等小体积的电路,在三为数码中,从左至右第一,二位数表示有效数字,第三位表示10的倍幂或者用R表示(R表示0.)如:472表示47×102Ω(即4.7KΩ);104则表示100KΩ、;R22表示0.22Ω、122=1200Ω=1.2KΩ、1402=14000Ω=14KΩ、R22=0.22Ω、50C=324*100=32.4KΩ、17R8=17.8Ω、000=0Ω、0=0Ω.c、色环标注法使用最多,普通的色环电阻器用4环表示,精密电阻器用5环表示,紧靠电阻体一端头的色环为第一环,露着电阻体本色较多的另一端头为末环.现举例如下:如果色环电阻器用四环表示,前面两位数字是有效数字,第三位是10的倍幂,第四环是色环电阻器的误差范围(见图一)四色环电阻器(普通电阻)标称值第一位有效数字标称值第二位有效数字标称值有效数字后0的个数(10的倍幂)允许误差颜色第一位有效值第二位有效值倍率允许偏差黑00棕11±1%红22±2%橙33黄44绿55±0.5%蓝66±0.25%紫77±0.1%灰88白99―20%~+50%金5%银10%无色20%图1-1两位有效数字阻值的色环表示法如果色环电阻器用五环表示,前面三位数字是有效数字,第四位是10的倍幂.第五环是色环电阻器的误差范围.(见图二)五色环电阻器(精密电阻)标称值第一位有效数字标称值第二位有效数字标称值第三位有效数字标称值有效数字后0的个数(10的倍幂)允许误差颜色第一位有效值第二位有效值第三位有效值倍率允许偏差黑000棕1111%红2222%橙333黄444绿5550.5%蓝6660.25紫7770.1%灰888白999-20%~+50%金±5%银±10%图1-2三位有效数字阻值的色环表示法d、SMT精密电阻的表示法,通常也是用3位标示。一般是2位数字和1位字母表示,两个数字是有效数字,字母表示10的倍幂,但是要根据实际情况到精密电阻查询表里出查找.下面是精密电阻的查询表:代码阻值代码阻值代码阻值代码阻值代码阻值coderesiscanecoderesiscancecoderesiscancecoderesiscancecoderesiscance1100211624126161422816812102221654226762432826983105231694327463442837154107241744428064453847325110251784528765464857506113261824629466475867687115271874730167487877878118281914830968499888069121290.19649316695118982510124302005032470523908451112731320551332715369186612130322105234072549928871313333215533487356293909141373422154357745769493115140352265536575590949811614336232563747660495953171473723757383/388776199697618150382435839278634969761915439249594027964920153402556041280665symbolABCDEFGHXYZmultipliers10010110210310410510610710-110-210-31.10SMT电阻的尺寸表示:用长和宽表示(如0201,0603,0805,1206等,具体如02表示长为0.02英寸宽为0.01英寸)。1.11一般情况下电阻在电路中有两种接法:串联接法和并联接法电阻的计算:R1R1R2R2串连:并联:R=R1+R2R=1/R1+1/R21.12多个电阻的串并联的计算方法:串联:R总串=R1+R2+R3+……Rn.并联:1/R总并=1/R+2/R+3/R……1/Rn1.13电阻器好坏的检测:a、用指针万用表判定电阻的好坏:首先选择测量档位,再将倍率档旋钮置于适当的档位,一般100欧姆以下电阻器可选RX1档,100欧姆-1K欧姆的电阻器可选RX10档,1K欧姆-10K欧姆电阻器可选RX100档,10K-100K欧姆的电阻器可选RX1K档,100K欧姆以上的电阻器可选RX10K档.b、测量档位选择确定...

1、当您付费下载文档后,您只拥有了使用权限,并不意味着购买了版权,文档只能用于自身使用,不得用于其他商业用途(如 [转卖]进行直接盈利或[编辑后售卖]进行间接盈利)。
2、本站所有内容均由合作方或网友上传,本站不对文档的完整性、权威性及其观点立场正确性做任何保证或承诺!文档内容仅供研究参考,付费前请自行鉴别。
3、如文档内容存在违规,或者侵犯商业秘密、侵犯著作权等,请点击“违规举报”。

碎片内容

常用电子元器件大全(34页)

您可能关注的文档

确认删除?
VIP
微信客服
  • 扫码咨询
会员Q群
  • 会员专属群点击这里加入QQ群
客服邮箱
回到顶部