电脑桌面
添加小米粒文库到电脑桌面
安装后可以在桌面快捷访问

屋面找平层施工技术交底2VIP免费

屋面找平层施工技术交底2_第1页
1/5
屋面找平层施工技术交底2_第2页
2/5
屋面找平层施工技术交底2_第3页
3/5
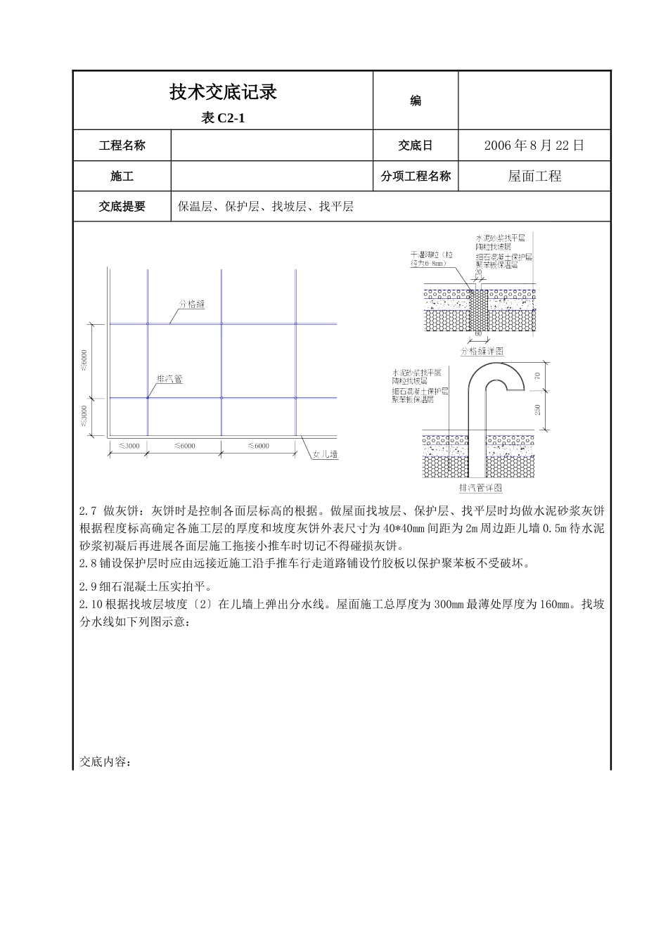
技术交底记录表C2-1编工程名称交底日2006年8月22日施工分项工程名称屋面工程交底提要保温层、保护层、找坡层、找平层交底内容:1.施工准备1.1材料准备1.1.1保温层:70mm厚聚苯板块外表度为18kg/m3抗压强度≥60Kpa即10形变下受缩应力≥60Kpa;展开尺寸为1×2m。1.1.2保护层:40厚1:2:4细石混凝土。1.1.3找坡层:1:0.2:3.5水泥粉煤灰页岩陶粒找2坡。1.1.4找平层:1:3水泥砂浆保护层。1.1.5水泥:强度等级为P.O32.5普通硅酸盐水泥。1.1.6砂:中砂含泥量不大于3不含有机杂质。1.1.7碎石:粒径为5~10mm。1.2主要机具混凝土搅拌机、铁锹、铁棍、刮杠、程度尺、手推车、木拍子等。1.1.3作业条件铺设保温材料的基层施工完成后将基层外表清理干净经检查验收合格后方可进展下道工序。2.操作工艺2.1工艺流程基层清理→根堵孔、固定→保温层作业→检查验收→铺设保温层→铺设保护层→铺设找坡层→铺设找平层2.2雨水斗、套安置:按照标高将雨水斗、套安装就位外应用细石砼填塞套周边应焊止水环。2.3清理基层:混凝土构造基层枯燥铺时要求基层平整铺板要平缝隙要严防止产生冷桥尘土、杂物等清理干净。如构造基层有裂缝应做好提早处理。2.4穿过屋面和墙面等构造层的根部位应用豆石混凝土〔内掺微膨胀剂〕填塞实将根固定。2.5松散、板状保温材料的运输、存放应注意防潮湿防止损伤和污染雨天作业要防止水漫或雨淋。2.6屋面的排汽道应纵横贯穿不得堵塞并同与大气连通的排汽出口相通。找平层设置的分格缝可兼作排气道排汽道间距宜为6m纵横设置。屋面面积每36m2宜设一个排汽口。排汽道口应埋设排汽排汽应设置在构造层上穿过保温层的壁应设排汽孔以保证排汽道的畅通。排汽的安装必须结实、封闭严否那么会使排汽变成了进水孔造成屋面漏水。待屋面面层完成后应临时进展封堵以免雨水进入排汽内及其它杂物掉入内。待施工完毕隔一年后可撤除排气封补防水层。平面布置原那么可见下列图示意:交底内容:技术交底记录表C2-1编工程名称交底日2006年8月22日施工分项工程名称屋面工程交底提要保温层、保护层、找坡层、找平层2.7做灰饼:灰饼时是控制各面层标高的根据。做屋面找坡层、保护层、找平层时均做水泥砂浆灰饼根据程度标高确定各施工层的厚度和坡度灰饼外表尺寸为40*40mm间距为2m周边距儿墙0.5m待水泥砂浆初凝后再进展各面层施工拖接小推车时切记不得碰损灰饼。2.8铺设保护层时应由远接近施工沿手推车行走道路铺设竹胶板以保护聚苯板不受破坏。2.9细石混凝土压实拍平。2.10根据找坡层坡度〔2〕在儿墙上弹出分水线。屋面施工总厚度为300mm最薄处厚度为160mm。找坡分水线如下列图示意:交底内容:技术交底记录表C2-1编工程名称交底日2006年8月22日施工分项工程名称屋面工程交底提要保温层、保护层、找坡层、找平层交底内容:2.11找坡层配合比为水泥:粉煤灰:页岩陶粒=1:0.2:3.5陶粒应提早5天浇水闷透将水泥、粉煤灰、陶粒、水按施工配合比充分搅拌使水泥浆分布均匀干硬程度以便于滚压实为宜;将已铺好的陶粒用木抹拍平并随即用大杠找平最后用铁滚来回碾压直至实。按作好的标志块拉通线控制坡度外表排水坡度明显;技术交底记录表C2-1编工程名称交底日2006年8月22日施工分项工程名称屋面工程交底提要保温层、保护层、找坡层、找平层2.12水泥砂浆找平层施工要求铺砂浆前基层外表应清扫干净并洒水潮湿。2.13砂浆铺设应按由远到近由高到低的程序进展在每分格内一次连续铺成严格掌握平整度可用2m左右长的方尺找平。2.14按分格块由东至西用桶装灰、铺平用2m刮杠靠冲筋条刮平找平后用木抹子搓平铁抹子压光待砂浆稍收水后再用铁抹子第二遍压光砂浆终凝前轻轻取出嵌缝条如损坏找平层及时修补。2.15沿坡向抹20厚1:3水泥砂浆找平〔稠度控制在70mm〕。当水泥砂浆开场凝结人踩上去有脚印但不下陷时用铁抹子压第二遍要注意防止漏压并将坑、角、砂眼抹平当抹子压不出抹纹时即可找平、压实完成第三遍这道工序宜在砂浆终凝前进展。2.16找平层抹平、抹实后常温时在12小时后洒水潮湿〔可覆盖〕养护养护时间不少于7天枯燥后即可进展防水施工。2.17注意气候变化终凝前可能下雨时不宜施工保证找平层质量。2.18在所有雨水根...

1、当您付费下载文档后,您只拥有了使用权限,并不意味着购买了版权,文档只能用于自身使用,不得用于其他商业用途(如 [转卖]进行直接盈利或[编辑后售卖]进行间接盈利)。
2、本站所有内容均由合作方或网友上传,本站不对文档的完整性、权威性及其观点立场正确性做任何保证或承诺!文档内容仅供研究参考,付费前请自行鉴别。
3、如文档内容存在违规,或者侵犯商业秘密、侵犯著作权等,请点击“违规举报”。

碎片内容

屋面找平层施工技术交底2

确认删除?
VIP
微信客服
  • 扫码咨询
会员Q群
  • 会员专属群点击这里加入QQ群
客服邮箱
回到顶部