电脑桌面
添加小米粒文库到电脑桌面
安装后可以在桌面快捷访问

土建施工员基础知识习题VIP免费

土建施工员基础知识习题_第1页
1/12
土建施工员基础知识习题_第2页
2/12
土建施工员基础知识习题_第3页
3/12
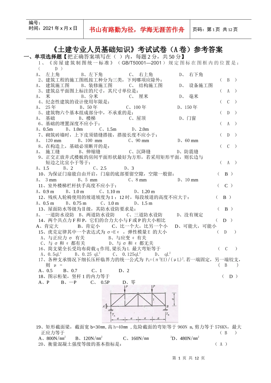
第1页共12页编号:时间:2021年x月x日书山有路勤为径,学海无涯苦作舟页码:第1页共12页《土建专业人员基础知识》考试试卷(A卷)参考答案一、单项选择题【把正确答案填写在()内,每题2分,共50分】1、《房屋建筑制图统一标准》(GB/T50001—2001)规定图标在图框内的位置是:(D)A、左上角B、左下角C、右上角D、右下角2、建筑工程的施工图纸按工种分为三类,下列哪项应除外:(B)A、建筑施工图B、装修施工图C、结构施工图D、设备施工图3、建筑总平面图上标注的尺寸,其尺寸单位是:(A)A、米B、分米C、厘米D、毫米4、纪念性建筑的设计使用年限是:(C)A、25年B、50年C、100年D、150年5、建筑物六个基本组成部分中,不承重的是:(D)A、基础B、楼梯C、屋顶D、门窗6、基础的埋置深度不应小于:(A)A、0.5mB、1.0mC、1.5mD、2.0m7、砌筑砖墙时,上下皮须错缝搭接,搭接长度不应小于:(D)A、120mmB、100mmC、90mmD、60mm8、在构造上,基础必须断开的是:(C)A、施工缝B、伸缩缝C、沉降缝D、防震缝9、正交正放井式楼板的房间平面形状最好为方形,若采用矩形平面,则长边与短边之比宜小于等于:(A)A、1.5B、2C、2.5D、310、为保证门扇能自由开启,门扇的底部要留空隙,空隙一般留:(B)A、3mmB、5mmC、8mmD、10mm11、室外楼梯栏杆扶手高度不应小于:(C)A、0.9mB、1.0mC、1.10mD、1.20m12、残疾人轮椅使用的坡道坡度为1:12时,每段坡道的高度不应大于:(B)A、0.5mB、0.75mC、1.0mD、1.5m13、屋面防水等级为Ⅱ级,其防水设防要求是:(B)A、一道防水设防B、两道防水设防C、三道防水设防D、没有规定14、两个共点力F和P,它们的合力大小与F或P的大小相比(D)A、肯定大B、肯定小C、比一个大,比另一个小D、可能大,可能小15、虎克定律其中一个表达式为σ=Eε,弹性模量E的大小(D)A、与正应力σ有关B、与应变ε有关C、与σ和ε都有关D、与σ和ε都无关16、简支梁全长受均布荷载q作用,梁长为L最大弯矩等于(C)A、0.5qL2B、0.25qL2C、0.125qL2D、qL217、各种支承情况下细长压杆临界力的统一公式为Pk=(π2EI)/(μL)2.若一端固定,另一端铰支,则μ=(B)A、0.5B、0.7C、1D、218、图示桁架,竖杆1的内力等于(D)A、PB、—PC、0.5PD、零19、矩形截面梁,截面宽b=30㎜,高h=40㎜,危险截面的弯矩等于960Nm,剪力等于576KN,最大正应力等于(B)A、800N/mm2B、120N/mm2C、160N/mm2D、480N/mm220、衡量混凝土强度等级的基本指标是:(A)第2页共12页第1页共12页编号:时间:2021年x月x日书山有路勤为径,学海无涯苦作舟页码:第2页共12页A、立方体抗压强度B、轴心抗压强度C、棱柱体抗压强度D、轴心抗拉强度21、有明显屈服点钢筋是以()作为设计强度取值依据。(C)A、比例极限B、屈服强度上限C、屈服强度下限D、极限抗拉强度22、结构的作用效应S,结构抗力R,那么S=R说明结构处于:(B)A、可靠状态B、极限状态C、失效状态D、安全状态23、纵向受拉钢筋应该布于钢筋混凝土梁截面的:(C)A、底部B、顶部C、受拉边D、中部24、通过斜截面抗剪强度计算来配置钢筋混凝土梁的:(D)A、箍筋和纵筋B、架立筋C、纵向加劲筋和拉筋D、箍筋和弯筋25、钢筋混凝土柱宜采用:(B)A、高强砼和钢筋B、高强砼和低级钢筋C、低级砼和低级钢筋D、低级砼和高级别钢筋二、填空题【每空格1分,共30分】1、图纸的比例是指图形与其实物相应要素的线性尺寸之比。2、三面视图的三等关系是指:“长对正”、“高平齐”、“宽相等”。3、我国现行《建筑设计防火规范》将建筑物的耐火等级分为四级,其划分的依据是房屋主体结构的燃烧性能和耐火极限。4、砌体房屋设置圈梁的主要作用是增加墙体的稳定性,提高房屋的整体刚度,减少地基不均匀沉降而引起的墙体开裂,提高房屋的抗震能力。5、现浇钢筋混凝土单向板肋梁楼板由主梁、次梁、板组成。6、楼梯段宽度取决于同时通过的人流股数及是否有家具、设备经常通过。7、我国现行《屋面工程技术规范》规定,屋面工程应根据建筑物的性质、重要程度、使用功能要求及防水层合理使用年限等,要求将屋面防水分等级设防。8、通常把力的大小、方向和作用点叫做力的三要素。9、平...

1、当您付费下载文档后,您只拥有了使用权限,并不意味着购买了版权,文档只能用于自身使用,不得用于其他商业用途(如 [转卖]进行直接盈利或[编辑后售卖]进行间接盈利)。
2、本站所有内容均由合作方或网友上传,本站不对文档的完整性、权威性及其观点立场正确性做任何保证或承诺!文档内容仅供研究参考,付费前请自行鉴别。
3、如文档内容存在违规,或者侵犯商业秘密、侵犯著作权等,请点击“违规举报”。

碎片内容

土建施工员基础知识习题

精品中小学资料+ 关注
实名认证
内容提供者

精品文档

确认删除?
VIP
微信客服
  • 扫码咨询
会员Q群
  • 会员专属群点击这里加入QQ群
客服邮箱
回到顶部