电脑桌面
添加小米粒文库到电脑桌面
安装后可以在桌面快捷访问

地质调查项目预算标准(XXXX年试用)VIP免费

地质调查项目预算标准(XXXX年试用)_第1页
1/68
地质调查项目预算标准(XXXX年试用)_第2页
2/68
地质调查项目预算标准(XXXX年试用)_第3页
3/68
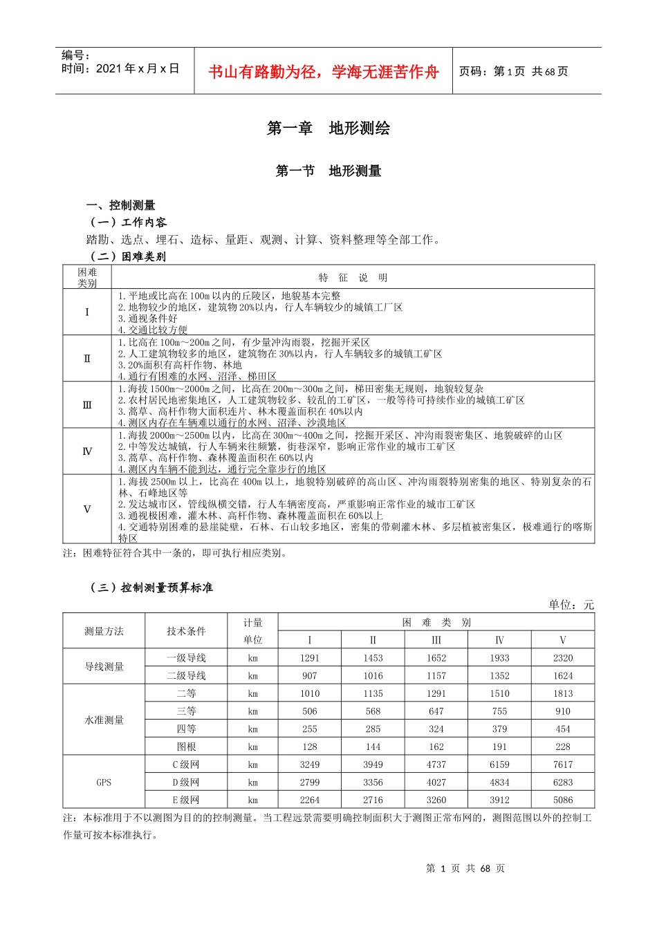
目录第一章地形测绘·······························1第一节地形测量·····························1第二节制图······························2第二章地质测量·······························5第一节区域地质调查···························5第二节专项地质测量···························5第三节区域水文地质、生态环境地质调查··················6第四节专项水文地质、生态环境地质测量··················7第五节区域工程地质、环境地质调查····················8第六节专项工程地质、环境地质、地质灾害测量···············9第三章遥感地质·······························10第一节航空遥感彩色摄影·························10第二节遥感地质解译···························11第四章物化探································12第一节地形等级划分···························12第二节物探······························13第三节化探······························21第四节物化探测网与剖面布设·······················23第五节航空物探·····························24第五章钻探································26第一节矿产地质钻探···························26第二节水文地质钻探···························28第三节地热钻探·····························30第四节工程地质钻探···························30第五节原位测试·····························31第六章山地工程·······························34第一节坑探······························34第二节浅井······························35第三节槽探······························36第七章岩矿试验·······························37第一节岩矿分析·····························37第二节化探分析·····························39第三节土壤分析·····························40第四节水质分析·····························42第五节光谱半定量分析··························43第六节非金属矿物性测试·························44第七节煤质分析·····························45第八节岩矿鉴定与试验··························46第九节选冶试验·····························49第八章其他地质工作·····························50第九章工地建筑·······························51第十章地区调整系数·····························51第十一章地质调查综合研究··························52第1页共68页编号:时间:2021年x月x日书山有路勤为径,学海无涯苦作舟页码:第1页共68页第一章地形测绘第一节地形测量一、控制测量(...

1、当您付费下载文档后,您只拥有了使用权限,并不意味着购买了版权,文档只能用于自身使用,不得用于其他商业用途(如 [转卖]进行直接盈利或[编辑后售卖]进行间接盈利)。
2、本站所有内容均由合作方或网友上传,本站不对文档的完整性、权威性及其观点立场正确性做任何保证或承诺!文档内容仅供研究参考,付费前请自行鉴别。
3、如文档内容存在违规,或者侵犯商业秘密、侵犯著作权等,请点击“违规举报”。

碎片内容

地质调查项目预算标准(XXXX年试用)

您可能关注的文档

确认删除?
VIP
微信客服
  • 扫码咨询
会员Q群
  • 会员专属群点击这里加入QQ群
客服邮箱
回到顶部