电脑桌面
添加小米粒文库到电脑桌面
安装后可以在桌面快捷访问

外墙脚手架方(正仪工地)VIP免费

外墙脚手架方(正仪工地)_第1页
1/43
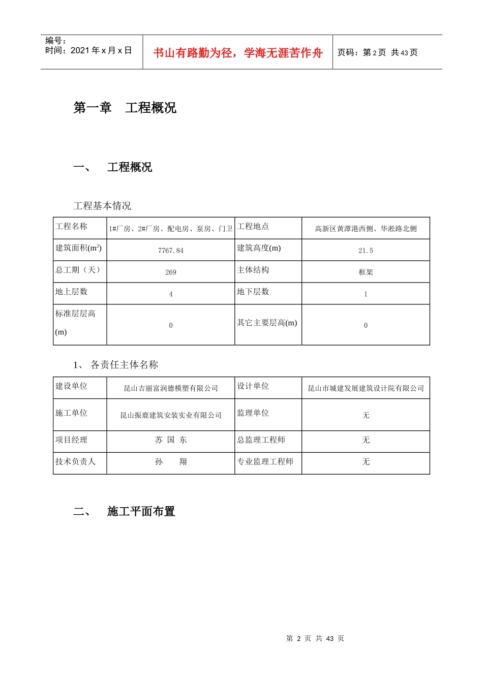
外墙脚手架方(正仪工地)_第2页
2/43
外墙脚手架方(正仪工地)_第3页
3/43
1#厂房、2#厂房、配电房、泵房、门卫工程脚手架安全专项施工方案编制人:郁勤丰职务:资料员校对人:陈立职务:安全员审核人:苏国东职务:项目经理审批人:孙翔职务:技术负责人昆山振鹿建筑安装实业有限公司脚手架工程安全专项施工方案目录第一章工程概况-----------------------------------------------------2一、工程概况---------------------------------------------------2二、施工平面布置-----------------------------------------------2三、施工要求---------------------------------------------------3四、技术保证条件-----------------------------------------------3第二章编制依据-----------------------------------------------------4第三章施工计划-----------------------------------------------------4一、施工进度计划-----------------------------------------------4二、材料与设备计划---------------------------------------------4第四章施工工艺技术-------------------------------------------------6一、技术参数---------------------------------------------------6二、工艺流程---------------------------------------------------7三、施工方法---------------------------------------------------7四、检查验收--------------------------------------------------16第五章施工安全保证措施--------------------------------------------17一、组织保障--------------------------------------------------17二、技术措施--------------------------------------------------20三、监测监控--------------------------------------------------25四、应急预案--------------------------------------------------27第六章劳动力计划--------------------------------------------------28一、专职安全生产管理人员--------------------------------------28二、特种作业人员----------------------------------------------29第七章计算书及相关图纸--------------------------------------------29一、计算书----------------------------------------------------29二、节点图------------------------------------错误!未定义书签。1第2页共43页编号:时间:2021年x月x日书山有路勤为径,学海无涯苦作舟页码:第2页共43页第一章工程概况一、工程概况工程基本情况工程名称1#厂房、2#厂房、配电房、泵房、门卫工程地点高新区黄潭港西侧、华淞路北侧建筑面积(m2)7767.84建筑高度(m)21.5总工期(天)269主体结构框架地上层数4地下层数1标准层层高(m)0其它主要层高(m)01、各责任主体名称建设单位昆山吉丽富润德模塑有限公司设计单位昆山市城建发展建筑设计院有限公司施工单位昆山振鹿建筑安装实业有限公司监理单位无项目经理苏国东总监理工程师无技术负责人孙翔专业监理工程师无二、施工平面布置第2页共43页第3页共43页编号:时间:2021年x月x日书山有路勤为径,学海无涯苦作舟页码:第3页共43页三、施工要求1、脚手架的设计力求做到结构安全可靠,造价经济合理。2、确保脚手架在使用周期内安全、稳定、牢靠。3、选用材料时,力求做到常见通用、可周转利用,便于保养维修。4、脚手架在搭设及拆除过程中要符合工程施工进度要求。操作人员需取得特殊作业人员资格上岗证。四、技术保证条件1、安全网络第4页共43页第3页共43页编号:时间:2021年x月x日书山有路勤为径,学海无涯苦作舟页码:第4页共43页2、脚手架的搭设和拆除需严格执行该《专项施工方案》。第二章编制依据1、《建筑施工脚手架实用手册》2、《建筑地基基础设计规范》GB50007-20113、《建筑结构荷载规范》GB50009-20124、《混凝土结构设计规范》GB50010-20105、《钢结构设计规范》GB50017-20036、《木结构设计规范》GB50005-20037、《建筑施工安全检查标准》JGJ59-20118、《建筑施工高处作业安全技术规范》JGJ80-919、《建筑施工扣件式钢管脚手架安全技术规范》JGJ130-201110、《建筑施工临时支撑结构技术规范》JGJ300-201311、《危险性较大的分部分项工程安全管理办...

1、当您付费下载文档后,您只拥有了使用权限,并不意味着购买了版权,文档只能用于自身使用,不得用于其他商业用途(如 [转卖]进行直接盈利或[编辑后售卖]进行间接盈利)。
2、本站所有内容均由合作方或网友上传,本站不对文档的完整性、权威性及其观点立场正确性做任何保证或承诺!文档内容仅供研究参考,付费前请自行鉴别。
3、如文档内容存在违规,或者侵犯商业秘密、侵犯著作权等,请点击“违规举报”。

碎片内容

外墙脚手架方(正仪工地)

确认删除?
VIP
微信客服
  • 扫码咨询
会员Q群
  • 会员专属群点击这里加入QQ群
客服邮箱
回到顶部