电脑桌面
添加小米粒文库到电脑桌面
安装后可以在桌面快捷访问

屋面工程质量监理VIP免费

屋面工程质量监理_第1页
1/3
屋面工程质量监理_第2页
2/3
屋面工程质量监理_第3页
3/3
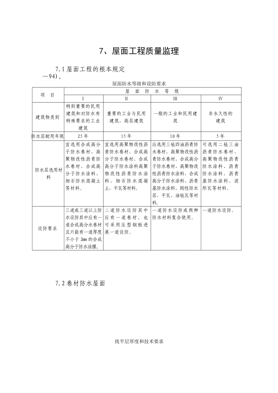
7、屋面工程质量监理7.1屋面工程的根本规定—94)。屋面防水等级和设防要求项目屋面防水等级ⅠⅡⅢⅣ建筑物类别特别重要的民用建筑和对防水有特殊要求的工业建筑重要的工业与民用建筑、高层建筑一般的工业和民用建筑非永久性的建筑防水层耐用年限25年15年10年5年防水层选用材料宜选用合成高分子防水卷材、高聚物改性沥青防水卷材、合成高分子防水涂料、细石防水混凝土等材料。宜选用高聚物改性沥青防水卷材、合成高分子防水卷材、合成高分子防水涂料高聚物改性沥青防水涂料、细石防水混凝土、平瓦等材料。应选用三毡四油沥青防水卷材、高聚物改性沥青防水卷材、合成高分子防水卷材、高聚物改性沥青防水涂料、合成高分子防水涂料、沥青基防水涂料、刚性防水层、平瓦、油毡瓦等材料。可选用二毡三油沥青防水卷材、高聚物改性沥青防水涂料、沥青防水涂料、沥青基防水涂料、波形瓦等材料。设防要求三道或三道以上防水设防其中应有一道合成高分水卷材且只能有一道厚度不小于2mm的合成高分子防水涂膜。二道防水设防其中应有一道卷材。也可采用压型钢板进展一道设防。一道防水设防或两种防水材料复合使用。一道防水设防。7.2卷材防水屋面找平层厚度和技术要求类别基层种类厚度(mm)技术要求水泥砂浆找平层整体混凝土15~201:2.5~1:3(水泥:砂)体积比,水泥标不低于325整体或板状材料保温层20~25装配式混凝土板、松散材料保温层20~30细石混凝土找平层松散材料保温层30~35混凝土强度等级C15沥青砂浆找平层整体混凝土15~20质量比为1:8(沥青:砂)装配式混凝土板、整体或板状材料保温层20~25≤i≤15%时卷材可平行或垂直屋脊铺贴;i≥15%时或屋面受震动时沥青防水卷材应垂直屋脊铺贴;高聚物改性沥青防水卷材和合成高分子防水卷材平行或垂直铺贴。卷材搭接宽度搭接方向短边搭接宽度(mm)长边搭接宽度(mm)铺贴卷材种类满粘法空铺法点粘法条粘法满粘法空铺法点粘法条粘法沥青防水卷材10015070100高聚物改性沥青防水卷材8010080100合成高分子防水卷材粘结法8010080100焊接法50—40mm厚的细石混凝土或块材保护层还可用贴铝箔、涂料、云母等材料做保护层详细按设计要求。℃时不宜施工。施工中途下雨、下雪应做好已铺卷材的防护工作。

1、当您付费下载文档后,您只拥有了使用权限,并不意味着购买了版权,文档只能用于自身使用,不得用于其他商业用途(如 [转卖]进行直接盈利或[编辑后售卖]进行间接盈利)。
2、本站所有内容均由合作方或网友上传,本站不对文档的完整性、权威性及其观点立场正确性做任何保证或承诺!文档内容仅供研究参考,付费前请自行鉴别。
3、如文档内容存在违规,或者侵犯商业秘密、侵犯著作权等,请点击“违规举报”。

碎片内容

屋面工程质量监理

您可能关注的文档

海纳百川+ 关注
实名认证
内容提供者

热爱教学事业,对互联网知识分享很感兴趣

确认删除?
VIP
微信客服
  • 扫码咨询
会员Q群
  • 会员专属群点击这里加入QQ群
客服邮箱
回到顶部