电脑桌面
添加小米粒文库到电脑桌面
安装后可以在桌面快捷访问

循环水泵房建筑工程施工措施概述VIP免费

循环水泵房建筑工程施工措施概述_第1页
1/15
循环水泵房建筑工程施工措施概述_第2页
2/15
循环水泵房建筑工程施工措施概述_第3页
3/15
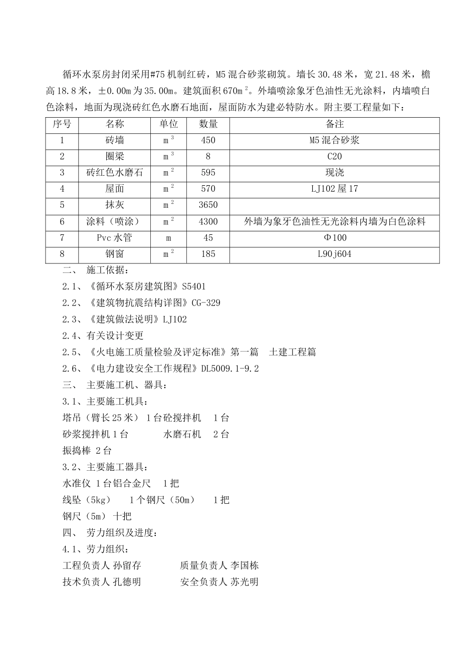
一、工程概况:循环水泵房封闭采用#75机制红砖,M5混合砂浆砌筑。墙长30.48米,宽21.48米,檐高18.8米,±0.00m为35.00m。建筑面积670m2。外墙喷涂象牙色油性无光涂料,内墙喷白色涂料,地面为现浇砖红色水磨石地面,屋面防水为建必特防水。附主要工程量如下:序号名称单位数量备注1砖墙m3450M5混合砂浆2圈梁m38C203砖红色水磨石m2595现浇4屋面m2570LJ102屋175抹灰m236506涂料(喷涂)m24300外墙为象牙色油性无光涂料内墙为白色涂料7Pvc水管m45Φ1008钢窗m2185L90j604二、施工依据:2.1、《循环水泵房建筑图》S54012.2、《建筑物抗震结构详图》CG-3292.3、《建筑做法说明》LJ1022.4、有关设计变更2.5、《火电施工质量检验及评定标准》第一篇土建工程篇2.6、《电力建设安全工作规程》DL5009.1-9.2三、主要施工机、器具:3.1、主要施工机具:塔吊(臂长25米)1台砼搅拌机1台砂浆搅拌机1台水磨石机2台振捣棒2台3.2、主要施工器具:水准仪1台铝合金尺1把线坠(5kg)1个钢尺(50m)1把钢尺(5m)十把四、劳力组织及进度:4.1、劳力组织:工程负责人孙留存质量负责人李国栋技术负责人孔德明安全负责人苏光明现场负责人刘延彬电工负责人王庆彬瓦工30人木工5人架工5人钢筋工5人抹灰工30人油漆工5人起重工2人防水工5人4.2、工期安排:执行公司总体安排。五、施工方案;垂直运输采用一台塔吊,布置在水泵房的东侧,具体详见附图一。砌体施工在泵房外侧搭设双排脚手架,具体详见附图二。砂浆、砼由实验室开配合比,现场搅拌。具体施工顺序如下:屋面板灌缝→砖砌体施工→屋面防水→抹灰施工→水磨石地面施工→室外装修→门窗安装→涂料施工→验收清理六、施工工艺:6.1、砌体施工:砌筑前先根据砖墙位置弹出墙身轴线与边线,开始砌筑前要先摆砖,摆出灰缝宽度,摆砖时要考虑砖墙及门窗间墙的砌筑方法以及七分头砖、半砖等砌在何处为好,务必使各皮砖的竖缝相互错开。在同一墙面上各部位的组砌方法要统一,并使上下一致,可采用一顺一丁或梅花丁砌法。砌砖前先立皮数杆,皮数杆上划有砖墙的厚度、灰缝厚度,门窗过梁、圈梁等构件位置,并且间距不超过15m为宜。砌砖时要先拉准线,砌砖要依准线砌筑。砌墙时可采用“三一”砌砖法,即“一铲灰、一块砖、揉一揉”的操作方法。砖墙的灰缝厚度一般为10mm,但不小于8mm,不大于12mm。灰缝要横平数直,砂浆饱满。砖墙的转角处与交接处要同时砌筑,不能同时砌筑时必须留出斜槎,斜槎长度不能小于高度的2/3。砖墙相邻工作段的高度差不宜大于4米,每天的砌筑高度以不操过1.8米为宜。墙中的洞口、埋件要于砌筑时留出、预埋。砖墙拉接筋要按造设计要求拉设。砌筑用的红砖、中砂、水泥要有合格证或实验报告。砖砌筑前要浇水充分湿润。石灰膏要注意存放,防止干燥风化、冻结、污染。砂浆要由实验时开出配合比,并严格按照配比施工,并留制试块。圈梁钢筋现场绑扎,钢筋搭设长度按40d搭设,模板支设钢模板,Φ48钢管加固,圈梁底模与砖墙交接的部位要用砂浆封堵,以免漏浆。砼施工时要一次施工完,严禁留设施工缝。6.2、屋面施工:屋面施工前要先将基层洒水湿润,然后再进行屋面施工。6.2.1、找坡层施工屋面施工首先应铺设水泥膨胀蛭石,施工时将水泥与膨胀蛭石按1:8比例干拌均匀,然后加水拌合,拌合好后按水流方向以2%坡度铺设,铺设时应分块进行,虚铺厚度按设计厚度130%进行,经拍实后达到设计厚度,最薄处不小于40mm厚。6.2.2、找平层施工找平层用25厚1:3水泥砂浆找平,砂浆铺设要由远到近,由高到底的程序进行,严格掌握坡度。待砂浆稍收水后,用抹子压实抹平,铺设找平层12小时后,进行洒水养护。找平层表面,要平整、干净。6.2.3、防水层施工施工前清理基层表面,基层要求:坚实、平整、干净、干燥。阴阳角应抹成圆弧形。防水层施工采用建必特防水涂料,采用二布三油,在阴阳角、排水口、管道周围要采用增强涂布,一般增强一布两油。首先要熔化涂料,将防水涂料投入铁锅内,文火升温,并不断反复搅拌,使油温均匀升高,油成流体状态即可使用。温度不宜超过120。严禁超温冒烟导致老化。如不慎使油老化,应彻底清理干净,另换新料。施工时应先施工增强涂...

1、当您付费下载文档后,您只拥有了使用权限,并不意味着购买了版权,文档只能用于自身使用,不得用于其他商业用途(如 [转卖]进行直接盈利或[编辑后售卖]进行间接盈利)。
2、本站所有内容均由合作方或网友上传,本站不对文档的完整性、权威性及其观点立场正确性做任何保证或承诺!文档内容仅供研究参考,付费前请自行鉴别。
3、如文档内容存在违规,或者侵犯商业秘密、侵犯著作权等,请点击“违规举报”。

碎片内容

循环水泵房建筑工程施工措施概述

确认删除?
VIP
微信客服
  • 扫码咨询
会员Q群
  • 会员专属群点击这里加入QQ群
客服邮箱
回到顶部