电脑桌面
添加小米粒文库到电脑桌面
安装后可以在桌面快捷访问

奥运村C区综合市政工程施工组织设计VIP免费

奥运村C区综合市政工程施工组织设计_第1页
1/72
奥运村C区综合市政工程施工组织设计_第2页
2/72
奥运村C区综合市政工程施工组织设计_第3页
3/72
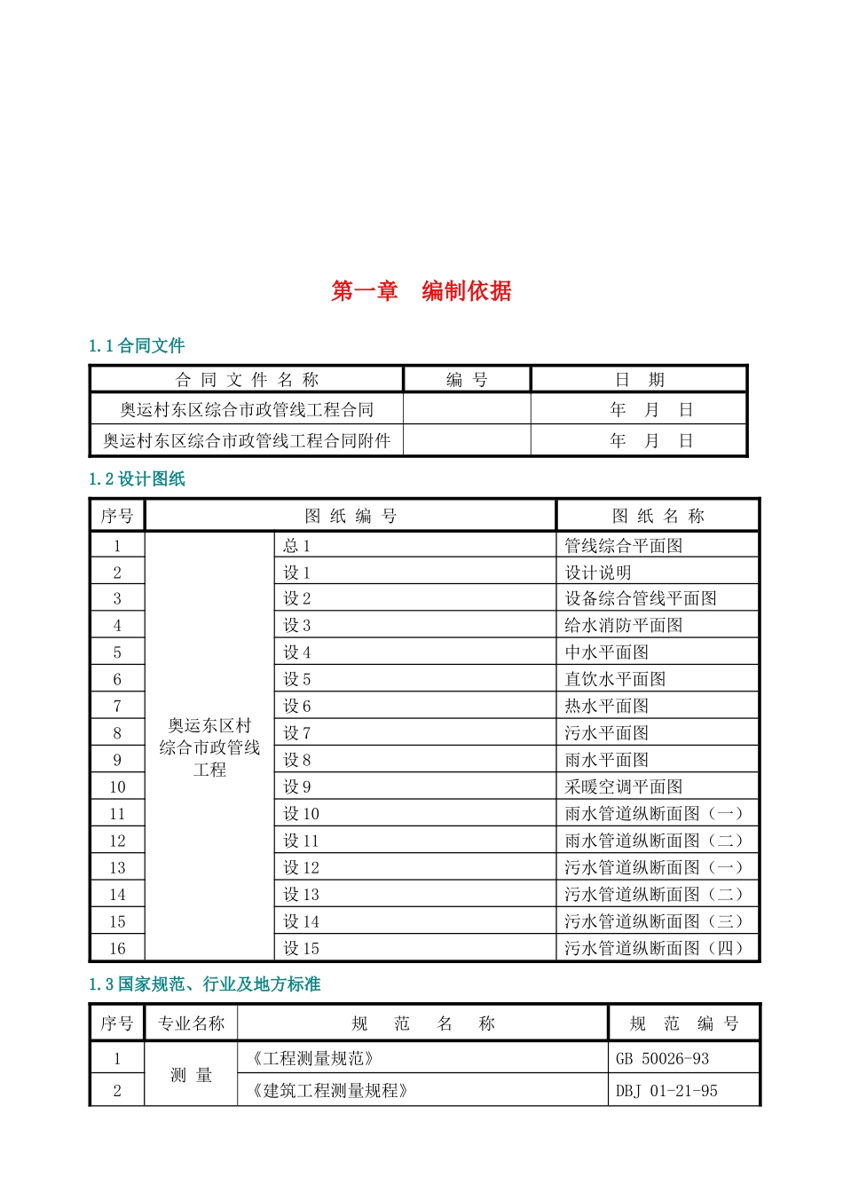
奥运村东区(C区)综合市政管线工程施工组织设计目录第一章编制依据.................................................31.1合同文件.................................................................31.2设计图纸.................................................................31.3国家规范、行业及地方标准.................................................31.4主要法规、法令...........................................................51.5主要施工定额.............................................................5第2章工程概况.................................................62.1地理位置................................................................62.2工程简介................................................................62.3设计概况................................................................62.4设计要求................................................................82.5本工程的特点和难点......................................................12第3章施工部署................................................143.1施工组织目标...........................................................143.2施工组织机构设置.......................................................143.3施工进度计划...........................................................153.4施工前期工作...........................................................153.5施工人员组织...........................................................163.6施工机械组织...........................................................17第4章施工准备................................................184.1施工技术准备............................................................184.2生产准备................................................................204.2.1施工现场准备.........................................................204.2.2临时用电..............................................................204.2.3临时用水..............................................................204.2.4施工队伍的组织.......................................................204.2.5主要劳动力计划........................................................204.2.6主要设备和施工机械...................................................214.3施工材料、构件供应......................................................214.4质量准备................................................................21第5章与监理、设计及业主、总包配合措施........................225.1与监理的配合措施........................................................225.2与设计单位的配合措施....................................................225.3与业主的配合措施........................................................235.4与城建集团总包的配合措施................................................23第6章主要分项工程的施工方案..................................246.1施工测量...............................................................246.2基坑土方、降水、支护...................................................256.3防水工程方案............................................................276.4钢筋工程方案............................................................276.5混凝土工程方案..........................................................306.6模板工程方案...........................................................326.7回填土施工.............................................................336.8热水空调管道焊接安装..................................................

1、当您付费下载文档后,您只拥有了使用权限,并不意味着购买了版权,文档只能用于自身使用,不得用于其他商业用途(如 [转卖]进行直接盈利或[编辑后售卖]进行间接盈利)。
2、本站所有内容均由合作方或网友上传,本站不对文档的完整性、权威性及其观点立场正确性做任何保证或承诺!文档内容仅供研究参考,付费前请自行鉴别。
3、如文档内容存在违规,或者侵犯商业秘密、侵犯著作权等,请点击“违规举报”。

碎片内容

奥运村C区综合市政工程施工组织设计

海纳百川+ 关注
实名认证
内容提供者

热爱教学事业,对互联网知识分享很感兴趣

相关文档

确认删除?
VIP
微信客服
  • 扫码咨询
会员Q群
  • 会员专属群点击这里加入QQ群
客服邮箱
回到顶部