电脑桌面
添加小米粒文库到电脑桌面
安装后可以在桌面快捷访问

悬挑式脚手架施工方案--(93页)VIP免费

悬挑式脚手架施工方案--(93页)_第1页
1/91
悬挑式脚手架施工方案--(93页)_第2页
2/91
悬挑式脚手架施工方案--(93页)_第3页
3/91
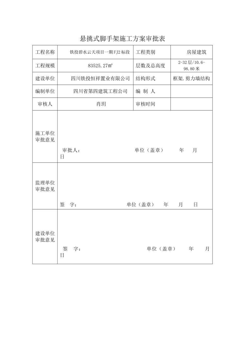
5#楼悬挑式脚手架(方案)报(复)审表JL—A002工程名称:铁投·碧水云天项目一期FJ2标段编号:致四川精正建设管理有限公司(监理单位):现报上铁投·碧水云天项目一期FJ2标段5#楼(西地块)项目外架施工专项(方案)(全套、部分),已经我单位上级技术负责人审查批准,请予审查和批准。附:5#楼悬挑式脚手架施工专项(方案)承包单位项目部:(公章)项目负责人:年月日专业监理工程师审查意见:1.同意2.同意3.按以下主要内容修改补充专业监理工程师:年月日总监理工程师审查意见:1.同意2.不同意3.按以下主要内容修改补充后并于月日前报来。项目监理机构:(公章)总监理工程师:年月日注:本表由施工单位填写,一式三份,送监理单位审查,建设、监理、施工单位各一份。四川省建设厅制铁投碧水云天项目一期FJ2标段悬挑式脚手架施工方案编制单位:四川省第四建筑工程公司编制时间:2018年3月悬挑式脚手架施工方案审批表工程名称铁投碧水云天项目一期FJ2标段工程类别房屋建筑工程规模83525.27㎡层数及总高度2-32层/10.6-98.80米建设单位四川铁投恒祥置业有限公司结构形式框架.剪力墙结构编制单位四川省第四建筑工程公司编制人审核人肖玥审核时间施工单位审批意见审批人:单位(盖章)年月日监理单位审批意见签字:单位(盖章)年月日建设单位审批意见签字:单位(盖章)年月日目录第一节、编制依据------------------------------------------------------------------------------------------2-第二节、工程概况------------------------------------------------------------------------------------------3-1.1工程建设概况--------------------------------------------------------------------------------------3-1.2工程设计概况--------------------------------------------------------------------------------------3-第三节施工安排--------------------------------------------------------------------------------------------5-3.1施工目标--------------------------------------------------------------------------------------------5-3.2脚手架工程的组织流程--------------------------------------------------------------------------6-3.3施工部署--------------------------------------------------------------------------------------------6-第四节施工计划--------------------------------------------------------------------------------------------7-4.1、施工进度计划-----------------------------------------------------------------------------------7-4.2、材料与设备计划表-----------------------------------------------------------------------------7-4.3材料要求--------------------------------------------------------------------------------------------8-第五节施工工艺技术------------------------------------------------------------------------------------10-5.1悬挑脚手架搭设流程---------------------------------------------------------------------------10-5.2悬挑脚手架搭设---------------------------------------------------------------------------------10-5.3立杆------------------------------------------------------------------------------------------------11-5.4水平杆---------------------------------------------------------------------------------------------12-5.5连墙件---------------------------------------------------------------------------------------------13-5.6剪刀撑---------------------------------------------------------------------------------------------14-5.7钢丝绳卸荷---------------------------------------------------------------------------------------15-4.8钢笆片、水平兜网的铺设要求---------------------------------------------------------------15-5.9防护栏杆------------------------------------------...

1、当您付费下载文档后,您只拥有了使用权限,并不意味着购买了版权,文档只能用于自身使用,不得用于其他商业用途(如 [转卖]进行直接盈利或[编辑后售卖]进行间接盈利)。
2、本站所有内容均由合作方或网友上传,本站不对文档的完整性、权威性及其观点立场正确性做任何保证或承诺!文档内容仅供研究参考,付费前请自行鉴别。
3、如文档内容存在违规,或者侵犯商业秘密、侵犯著作权等,请点击“违规举报”。

碎片内容

悬挑式脚手架施工方案--(93页)

确认删除?
VIP
微信客服
  • 扫码咨询
会员Q群
  • 会员专属群点击这里加入QQ群
客服邮箱
回到顶部