电脑桌面
添加小米粒文库到电脑桌面
安装后可以在桌面快捷访问

施工放样报验单(31页)VIP免费

施工放样报验单(31页)_第1页
1/33
施工放样报验单(31页)_第2页
2/33
施工放样报验单(31页)_第3页
3/33
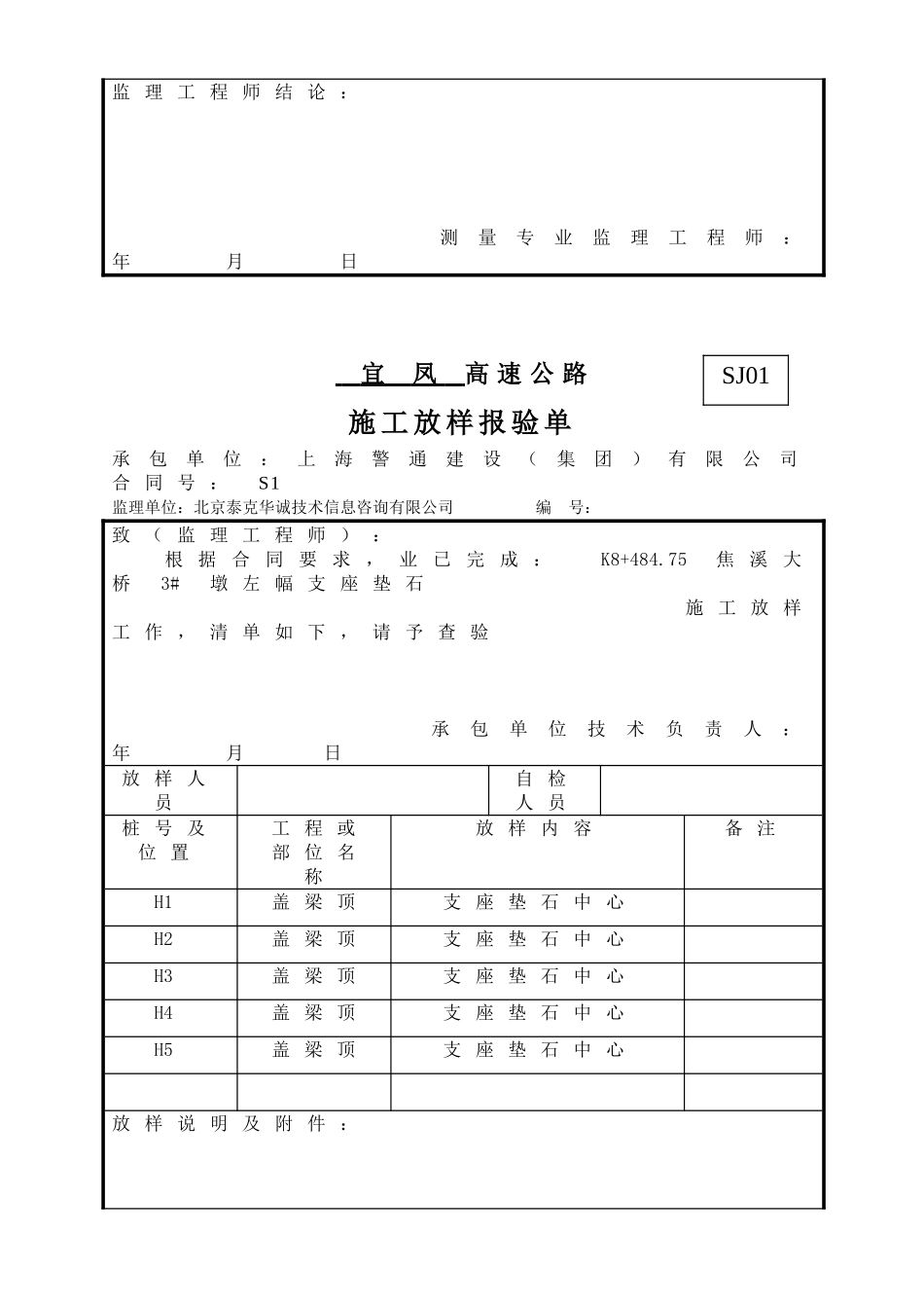
宜凤高速公路施工放样报验单承包单位:上海警通建设(集团)有限公司合同号:S1监理单位:北京泰克华诚技术信息咨询有限公司编号:致(监理工程师):根据合同要求,业已完成:K8+484.75焦溪大桥2#墩左幅支座垫石施工放样工作,清单如下,请予查验承包单位技术负责人:年月日放样人员自检人员桩号及位置工程或部位名称放样内容备注H1盖梁顶支座垫石中心H2盖梁顶支座垫石中心H3盖梁顶支座垫石中心H4盖梁顶支座垫石中心H5盖梁顶支座垫石中心放样说明及附件:测量监理员意见:监理工程师结论:SJ01测量专业监理工程师:年月日宜凤高速公路施工放样报验单承包单位:上海警通建设(集团)有限公司合同号:S1监理单位:北京泰克华诚技术信息咨询有限公司编号:致(监理工程师):根据合同要求,业已完成:K8+484.75焦溪大桥2#墩右幅支座垫石施工放样工作,清单如下,请予查验承包单位技术负责人:年月日放样人员自检人员桩号及位置工程或部位名称放样内容备注H1盖梁顶支座垫石中心H2盖梁顶支座垫石中心H3盖梁顶支座垫石中心H4盖梁顶支座垫石中心H5盖梁顶支座垫石中心放样说明及附件:测量监理员意见:SJ01监理工程师结论:测量专业监理工程师:年月日宜凤高速公路施工放样报验单承包单位:上海警通建设(集团)有限公司合同号:S1监理单位:北京泰克华诚技术信息咨询有限公司编号:致(监理工程师):根据合同要求,业已完成:K8+484.75焦溪大桥3#墩左幅支座垫石施工放样工作,清单如下,请予查验承包单位技术负责人:年月日放样人员自检人员桩号及位置工程或部位名称放样内容备注H1盖梁顶支座垫石中心H2盖梁顶支座垫石中心H3盖梁顶支座垫石中心H4盖梁顶支座垫石中心H5盖梁顶支座垫石中心放样说明及附件:SJ01测量监理员意见:监理工程师结论:测量专业监理工程师:年月日宜凤高速公路施工放样报验单承包单位:上海警通建设(集团)有限公司合同号:S1监理单位:北京泰克华诚技术信息咨询有限公司编号:致(监理工程师):根据合同要求,业已完成:K8+484.75焦溪大桥4#墩左幅支座垫石施工放样工作,清单如下,请予查验承包单位技术负责人:年月日放样人员自检人员桩号及位置工程或部位名称放样内容备注H1盖梁顶支座垫石中心H2盖梁顶支座垫石中心H3盖梁顶支座垫石中心H4盖梁顶支座垫石中心H5盖梁顶支座垫石中心SJ01放样说明及附件:测量监理员意见:监理工程师结论:测量专业监理工程师:年月日宜凤高速公路施工放样报验单承包单位:上海警通建设(集团)有限公司合同号:S1监理单位:北京泰克华诚技术信息咨询有限公司编号:致(监理工程师):根据合同要求,业已完成:K8+484.75焦溪大桥4#墩右幅支座垫石施工放样工作,清单如下,请予查验承包单位技术负责人:年月日放样人员自检人员桩号及位置工程或部位名称放样内容备注H1盖梁顶支座垫石中心H2盖梁顶支座垫石中心H3盖梁顶支座垫石中心SJ01H4盖梁顶支座垫石中心H5盖梁顶支座垫石中心放样说明及附件:测量监理员意见:监理工程师结论:测量专业监理工程师:年月日宜凤高速公路施工放样报验单承包单位:上海警通建设(集团)有限公司合同号:S1监理单位:北京泰克华诚技术信息咨询有限公司编号:致(监理工程师):根据合同要求,业已完成:K8+484.75焦溪大桥5#墩左幅支座垫石施工放样工作,清单如下,请予查验承包单位技术负责人:年月日放样人员自检人员桩号及位置工程或部位名称放样内容备注SJ01H1盖梁顶支座垫石中心H2盖梁顶支座垫石中心H3盖梁顶支座垫石中心H4盖梁顶支座垫石中心H5盖梁顶支座垫石中心放样说明及附件:测量监理员意见:监理工程师结论:测量专业监理工程师:年月日宜凤高速公路施工放样报验单承包单位:上海警通建设(集团)有限公司合同号:S1监理单位:北京泰克华诚技术信息咨询有限公司编号:致(监理工程师):根据合同要求,业已完成:K8+484.75焦溪大桥5#墩右幅支座垫石施工放样工作,清单如下,请予查验承包单位技术负责人:年月日SJ01放样人员自检人员桩号及位置工程或部位名称放样内容备注H1盖梁顶支座垫石中心H2盖梁顶支座垫石中心H3盖梁顶支座垫石中心H4盖梁顶支座垫石中心H5盖梁顶支座垫石中心放样说明...

1、当您付费下载文档后,您只拥有了使用权限,并不意味着购买了版权,文档只能用于自身使用,不得用于其他商业用途(如 [转卖]进行直接盈利或[编辑后售卖]进行间接盈利)。
2、本站所有内容均由合作方或网友上传,本站不对文档的完整性、权威性及其观点立场正确性做任何保证或承诺!文档内容仅供研究参考,付费前请自行鉴别。
3、如文档内容存在违规,或者侵犯商业秘密、侵犯著作权等,请点击“违规举报”。

碎片内容

施工放样报验单(31页)

确认删除?
VIP
微信客服
  • 扫码咨询
会员Q群
  • 会员专属群点击这里加入QQ群
客服邮箱
回到顶部