电脑桌面
添加小米粒文库到电脑桌面
安装后可以在桌面快捷访问

新疆水利工程表格(渠道部分)VIP免费

新疆水利工程表格(渠道部分)_第1页
1/145
新疆水利工程表格(渠道部分)_第2页
2/145
新疆水利工程表格(渠道部分)_第3页
3/145
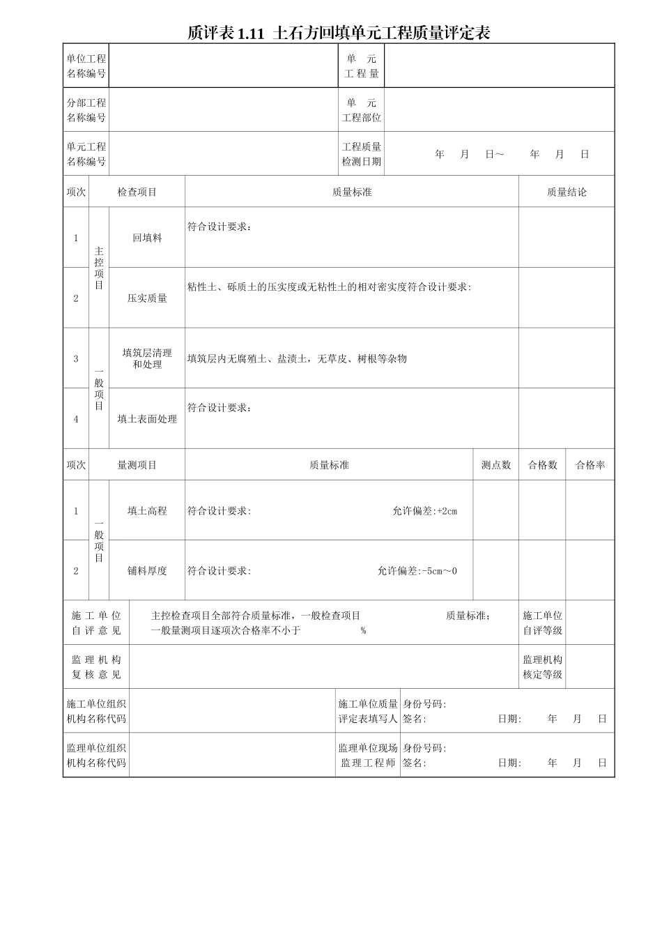
质评表1.1土方开挖单元工程质量评定表单位工程名称编号单元工程量分部工程名称编号单元工程部位单元工程名称编号工程质量检测日期年月日~年月日项次检查项目质量标准质量结论1主控项目表土清理树木、草皮、树根、乱石、坟墓以及各种建筑物全部清除;水井、泉眼、地道、坑窖等洞穴的处理符合设计要求2不良地质土的处理淤泥、腐殖质土、泥炭土全部清除;对风化岩石、坡积物、残积物、滑坡体、粉土、细砂等处理符合设计要求3地质坑、孔处理构筑物基础区范围内的地质探孔、竖井、试坑的处理符合设计要求;回填材料质量符合设计要求4一般项目保护层开挖保护层开挖方式符合设计要求,在接近建基面时,宜使用小型机具或人工挖除,不得扰动建基面以下的原地基5建基面处理构筑物地基及岸坡开挖面平顺;地基及岸坡与土质构筑物接触时,应采用斜面连接,不得有台阶、急剧变坡及反坡6渗水处理构筑物基础区及岸坡渗水(含泉眼)妥善引排或封堵,建基面清洁无积水项次量测项目质量标准测点数合格数合格率1一般项目清理范围符合设计要求:长、宽边线允许偏差:人工施工0cm~50cm,机械施工0cm~100cm2边坡不陡于设计边坡:3坑(槽)平整度符合设计要求:允许偏差:10cm4基坑断面尺寸无结构要求或无配筋长或宽≤10m符合设计要求:允许偏差:-5cm~+10cm5长或宽>10m符合设计要求:允许偏差:-5cm~+15cm6坑(槽)底部高程符合设计要求:允许偏差:-5cm~0cm7有结构要求有配筋预埋件长或宽≤10m符合设计要求:允许偏差:0cm~+5cm8长或宽>10m符合设计要求:允许偏差:0cm~+10cm9坑(槽)底部高程符合设计要求:允许偏差:-10cm~0cm施工单位自评意见主控检查项目全部符合质量标准,一般检查项目质量标准;一般量测项目逐项次合格率不小于%施工单位自评等级监理机构复核意见监理机构核定等级施工单位组织机构名称代码施工单位质量评定表填写人身份号码:签名:日期:年月日监理单位组织机构名称代码监理单位现场监理工程师身份号码:签名:日期:年月日质评表1.11土石方回填单元工程质量评定表单位工程名称编号单元工程量分部工程名称编号单元工程部位单元工程名称编号工程质量检测日期年月日~年月日项次检查项目质量标准质量结论1主控项目回填料符合设计要求:2压实质量粘性土、砾质土的压实度或无粘性土的相对密实度符合设计要求:3一般项目填筑层清理和处理填筑层内无腐殖土、盐渍土,无草皮、树根等杂物4填土表面处理符合设计要求:项次量测项目质量标准测点数合格数合格率1一般项目填土高程符合设计要求:允许偏差:+2cm2铺料厚度符合设计要求:允许偏差:-5cm~0施工单位自评意见主控检查项目全部符合质量标准,一般检查项目质量标准;一般量测项目逐项次合格率不小于%施工单位自评等级监理机构复核意见监理机构核定等级施工单位组织机构名称代码施工单位质量评定表填写人身份号码:签名:日期:年月日监理单位组织机构名称代码监理单位现场监理工程师身份号码:签名:日期:年月日施检表1.1土方开挖单元工程质量检测记录表单位工程名称编号工程质量检测日期年月日~年月日分部工程名称编号施工单位组织机构名称单元工程名称编号施工单位组织机构代码序号检查项目检查记录1主控项目表土清理2不良地质土处理3地质坑、孔处理4一般项目保护层开挖5建基面处理6渗水处理项次量测项目设计值测点数123456789101一般项目清理范围实测值偏差值2边坡实测值偏差值3坑(槽)平整度实测值偏差值4基坑断面尺寸无结构要求或无配筋长或宽≤10m实测值偏差值5长或宽>10m实测值偏差值6坑(槽)底部高程实测值偏差值7有结构要求有配筋预埋件长或宽≤10m实测值偏差值8长或宽>10m实测值偏差值9坑(槽)底部高程实测值偏差值量测员签名量测员签名校核人签名身份证号身份证号身份证号日期日期日期施检表1.11土石方回填单元工程质量检测记录表单位工程名称编号工程质量检测日期年月日~年月日分部工程名称编号施工单位组织机构名称单元工程名称编号施工单位组织机构代码项次检查项目检查内容1主控项目回填料2压实质量3一般项目填筑层清理和处理4填土表面处理项次量测项目设计要求测点数123456789101一般项目填土高程实测值偏差值2铺料厚度实测值偏差值量测员签名量...

1、当您付费下载文档后,您只拥有了使用权限,并不意味着购买了版权,文档只能用于自身使用,不得用于其他商业用途(如 [转卖]进行直接盈利或[编辑后售卖]进行间接盈利)。
2、本站所有内容均由合作方或网友上传,本站不对文档的完整性、权威性及其观点立场正确性做任何保证或承诺!文档内容仅供研究参考,付费前请自行鉴别。
3、如文档内容存在违规,或者侵犯商业秘密、侵犯著作权等,请点击“违规举报”。

碎片内容

新疆水利工程表格(渠道部分)

海纳百川+ 关注
实名认证
内容提供者

热爱教学事业,对互联网知识分享很感兴趣

确认删除?
VIP
微信客服
  • 扫码咨询
会员Q群
  • 会员专属群点击这里加入QQ群
客服邮箱
回到顶部