电脑桌面
添加小米粒文库到电脑桌面
安装后可以在桌面快捷访问

宁波至嵊州高速公路合同段施工组织设计VIP免费

宁波至嵊州高速公路合同段施工组织设计_第1页
1/174
宁波至嵊州高速公路合同段施工组织设计_第2页
2/174
宁波至嵊州高速公路合同段施工组织设计_第3页
3/174
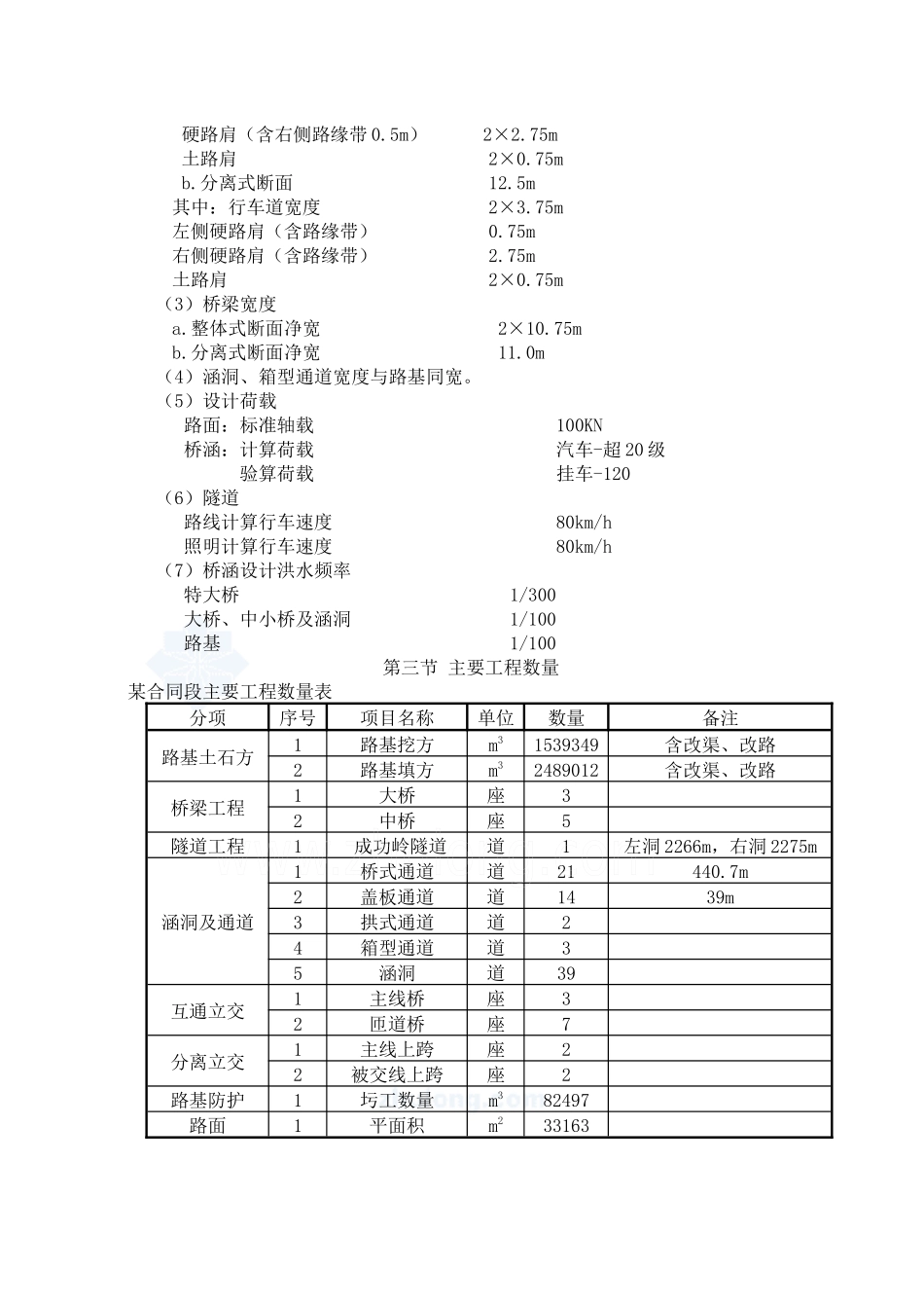
绍兴市境内宁波至嵊州高速公路某合同段施工组织设计第一篇设备、人员动员周期和设备、人员、材料运到施工现场的方法第一章编制说明第一节编制依据一、业主提供的宁波至嵊州高速公路绍兴段某合同《招标文件》、施工图纸、参考资料、工程量清单、补遗书等;二、中华人民共和国交通部及有关部委颁发的现行公路工程施工技术规范、规程、验收标准及相关文件。三、年1月13、14日标前会议上业主、设计单位代表所作的情况介绍及我方技术、预算人员经现场踏勘、走访调查,所取得的各种资料。四、当地省、市政府部门有关质量、安全、文明施工、规范管理及环境保护等方面的管理文件。五、我公司人员素质、技术装备、财务能力、资金状况等综合情况及可调用到本工程的各类资源。六、我公司多年从事高等级公路工程及类似隧道工程项目施工所积累的丰富的施工、管理经验和成熟技术、科技成果和施工工法等。第二节编制原则宁波至嵊州高速公路绍兴段某合同投标方案编制前,我们认真学习了招标文件及有关施工规范与施工图纸,踏勘了施工现场,充分了解了周边环境条件,并从业主所发补遗文件上进一步了解到了该工程项目的一些特点和要求,针对这些特点及业主要求,我公司经过反复研究制订了以下本次投标方案的编制原则。一、认真响应招标文件的要求,确保本合同段工期、质量、安全、环保、文明施工等各方面目标的实现;二、严格执行设计文件和设计标准;严格执行与本工程有关的国家、行业及业主制定颁布的规范、规程、技术标准和法规文件等;三、认真、充分研究施工环境,妥善解决施工生产与各方面关系协调,应用新技术,制定技术先进、安全可靠、经济合理的施工程序和施工方案;四、施工组织编制尽量做到总体施工部署和施工组织相结合,重点项目和一般项目相结合,特殊技术与普通技术相结合,内容全面、重点突出、思路清楚;五、合理组织平行、交叉、流水作业,提高机械化施工程度,力求均衡生产;六、实施项目法管理,应用动态网络控制技术,实施施工全过程严密监控,优化配置施工所需各项资源,做到统筹安排,均衡生产,降低工程成本;七、坚持文明施工,规范化管理,减少植被破坏,控制水土流失和污染,切实作好保护环境工作。第三节编制范围宁波至嵊州高速公路绍兴段某合同设计图纸和招标文件规定的所有工程项目以及完成这些工程所需的临时工程。主要构筑物有剡界岭互通、孙家田分离、成功岭隧道、岭脚分离、金庭江大桥、上东江1#桥、天马村分离、上东江2#桥、通道、涵洞等。第二章工程基本概况第一节工程简介本工程是拟建的甬(宁波)金(金华)高速公路的一部分。甬金高速公路是《浙江省公路水运交通建设规划》实施的重要组成部分,是浙江省公路主骨架“两纵两横十连一绕二通道”中的“一连”。它横贯浙江省中东部,是沟通宁波、绍兴、金华三市的重要干线公路,为同江至三亚(甬台温)、上海至瑞丽(杭金衢)、上虞至三门(上三线)三条高速公路在浙江省内的重要连接线,它连接国家级主枢纽海港城市的宁波和省级公路枢纽城市金华,是浙江省中部一条重要的公路运输干线;它的建成对进一步完善浙江省的高速公路路网布局,充分以挥国道主干线系统的路网规模效益,促进浙江省中西部以及宁波沿海地区的经济发展,具有十分重要的意义。本合同段自宁波市与绍兴市分界的剡界岭开始,起点桩号为K42+250,并在K43+380处设置剡界岭互通式立交,路线继续向西南延伸,至孙家田后跨嵊张公路,路线折向西,于K46+345~K48+620穿越成功岭隧道,并于K48+062.515进入嵊州市境内,而后在岭脚下穿嵊张公路并折向西北,过上乌村左侧,于观下跨上东江和嵊张公路,再经华堂北侧再次跨嵊张公路和上东江到兰州新村附近到本合同段的终点,终点桩号为K62+000。全长19.75km,全线均在绍兴市境内,设计车速为80m/h。第二节设计标准本工程设计采用交通部颁发的《公路工程技术标准》(JTJ001-97)及《公路路线设计规范》(JTJ011-94)规定,其主要技术标准:(1)计算行车速度80km/h(2)路基宽度a.整体式断面24.5m其中:行车道宽度2×3.75m中央分隔带1.5m左侧路缘带2×0.5m硬路肩(含右侧路缘带0.5m)2×2.75m土路肩2×0.75mb.分...

1、当您付费下载文档后,您只拥有了使用权限,并不意味着购买了版权,文档只能用于自身使用,不得用于其他商业用途(如 [转卖]进行直接盈利或[编辑后售卖]进行间接盈利)。
2、本站所有内容均由合作方或网友上传,本站不对文档的完整性、权威性及其观点立场正确性做任何保证或承诺!文档内容仅供研究参考,付费前请自行鉴别。
3、如文档内容存在违规,或者侵犯商业秘密、侵犯著作权等,请点击“违规举报”。

碎片内容

宁波至嵊州高速公路合同段施工组织设计

您可能关注的文档

确认删除?
VIP
微信客服
  • 扫码咨询
会员Q群
  • 会员专属群点击这里加入QQ群
客服邮箱
回到顶部