电脑桌面
添加小米粒文库到电脑桌面
安装后可以在桌面快捷访问

施工现场必备表格VIP免费

施工现场必备表格_第1页
1/46
施工现场必备表格_第2页
2/46
施工现场必备表格_第3页
3/46
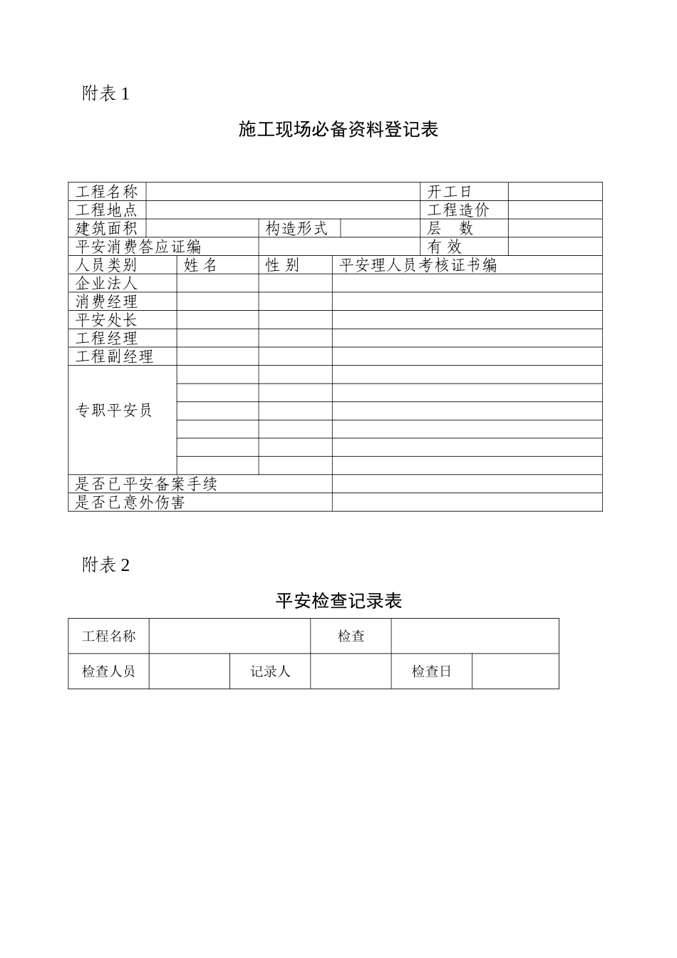
附表1施工现场必备资料登记表工程名称开工日工程地点工程造价建筑面积构造形式层数平安消费答应证编有效人员类别姓名性别平安理人员考核证书编企业法人消费经理平安处长工程经理工程副经理专职平安员是否已平安备案手续是否已意外伤害附表2平安检查记录表工程名称检查检查人员记录人检查日检查记录:检查评价:附表3平安教育记录表工程名称教育类别主讲部门主讲人教育日年月日受门〔人员〕参加人数教育内容:部门〔工程〕负责人记录人附表4三级安全教育登记卡工程名称:性别出生年月文化程度工种码进场日退场日家庭住址考试成绩三级安全教育内容公司教育进展平安根本知识、法规、法制教育主要内容是:1、和的平安消费方针、政策2、平安消费法规、和法制观念3、本施工过程及平安消费制度、平安纪律4、本平安消费形势及历史上发生的及应汲取的教训5、发惹事故后如何抢救伤员、排险、保护现场和及时进展教育人签名受教育人签名教育时间年月日工程处〔队、项目〕教育进展现场规章制度和遵章守纪教育主要内容:1、本施工特点及施工平安根本知识2、本〔包括施工、消费现场〕平安消费制度、规定及平安考前须知3、本工种平安技术操作规程4、高处作业、机械设备、电气平安根底知识5、防火、防、防尘、防爆知识及紧急情况平安处置和平安疏散知识6、防护用品发放及使用根本知识教育人签名受教育人签名教育时间年月日班组教育进展本工种平安操作及班组平安制度、纪律教育主要内容是:1、本班组作业特点及平安操作规程2、班组平安活动制度及纪律3、保护和正确使用平安防护装置〔设施〕及个人劳动防护用品4、本岗位易发惹事故的不平安因素及防范对策5、本岗位作业环境及使用的机械设备、工具的平安要求教育人签名受教育人签名教育时间年月日注:本卡一式3份、工程处〔队、工程〕、班组各1份。附表5变换工种工人平安教育登记表注:特种作业人员变换工种须经有关部门重新培训考核发证。工程名称原工种变换工种人数平安教育内容:教育人签名受教育者签名教育日年月日附表6班组班前平安活动记录表工程名称:班组名称参加人数作业部位工作内容安全措施及注意事项班组长签字记录人活动日年月日班组名称参加人数作业部门工作内容安全措施及注意事项班组长签字记录人活动日年月日附表7平安技术交底注:本表一式3份交底人、平安员、被交底人各1分工程名称施工部位或层次施工内容交底工程交底日交底内容:交底人被交底人项目负责人执行情况平安员:年月日附表8特种作业人员持证上岗花名册工程名称:序性别出生年月工种发证证件码发证日复审日进场日退场日注:应附操作证书复印件。工程负责人:填表人:填写日:年月日附表9事故隐患整改书注:本书一式2份检查、受检各1份。受检名称受检负责人签字受检工程名称收件日年月日经检查存在以下隐患和问题:处理:按以下第条执行。1、停工整改在未整改完毕及验收合格之前不得继续施工。2、限在月日前整改完毕整改限完内书面检查。检查检查人员发出日年月日附表10落地式脚手架验收表工程名称架体方式验收部位搭设方式序验收工程验收内容验收结果1根底根底是否平整夯实地耐力符合设计要求钢脚手架立杆底部铺通长脚手板安装底座木脚手架埋入地下深度不小于0.5m有排水措施2材质钢脚手架应用外径48-51mm,壁厚3-4mm的焊接收,符合使用质量扣件无脆裂、变形、滑丝拧紧扭力矩为40-50N.m底座:铸铁底座符合规定。焊接底座外径尺寸为150x150mm,厚度不低于8mm木脚手架有效局部小头直径不小于70mm,大横杆、小横杆有效局部小头直径不小于80mm绑扎材料为8#镀锌铅丝木脚手板厚度应不小于50mm,宽度不小于200mm,无腐朽扭曲、斜纹、破裂两端用铁丝箍绕3连墙件高度在7m以下的每隔7根立杆设一抛撑与地面夹角60º高度在7m以上的每高4m,程度7m设一个拉结点并均匀分布木脚手架拉结杆伸过墙体里外加圆木用铅丝绑扎结实高度24m以上的双排脚手架必须采用刚性连墙件与建筑物可靠连接24m以下的可采用拉筋与顶撑配合使用的附墙连接方式严禁使用仅有拉筋的柔性连墙件。连墙的布置应符合相关要求。框架构造工程拉结点必须用钢、扣件围箍在砼柱上剪力墙构造等在墙体上予埋件拉结杆与予埋件刚性连接4杆...

1、当您付费下载文档后,您只拥有了使用权限,并不意味着购买了版权,文档只能用于自身使用,不得用于其他商业用途(如 [转卖]进行直接盈利或[编辑后售卖]进行间接盈利)。
2、本站所有内容均由合作方或网友上传,本站不对文档的完整性、权威性及其观点立场正确性做任何保证或承诺!文档内容仅供研究参考,付费前请自行鉴别。
3、如文档内容存在违规,或者侵犯商业秘密、侵犯著作权等,请点击“违规举报”。

碎片内容

施工现场必备表格

确认删除?
VIP
微信客服
  • 扫码咨询
会员Q群
  • 会员专属群点击这里加入QQ群
客服邮箱
回到顶部