电脑桌面
添加小米粒文库到电脑桌面
安装后可以在桌面快捷访问

双鹰煤炭有限责任公司噪声方案设计VIP免费

双鹰煤炭有限责任公司噪声方案设计_第1页
1/11
双鹰煤炭有限责任公司噪声方案设计_第2页
2/11
双鹰煤炭有限责任公司噪声方案设计_第3页
3/11
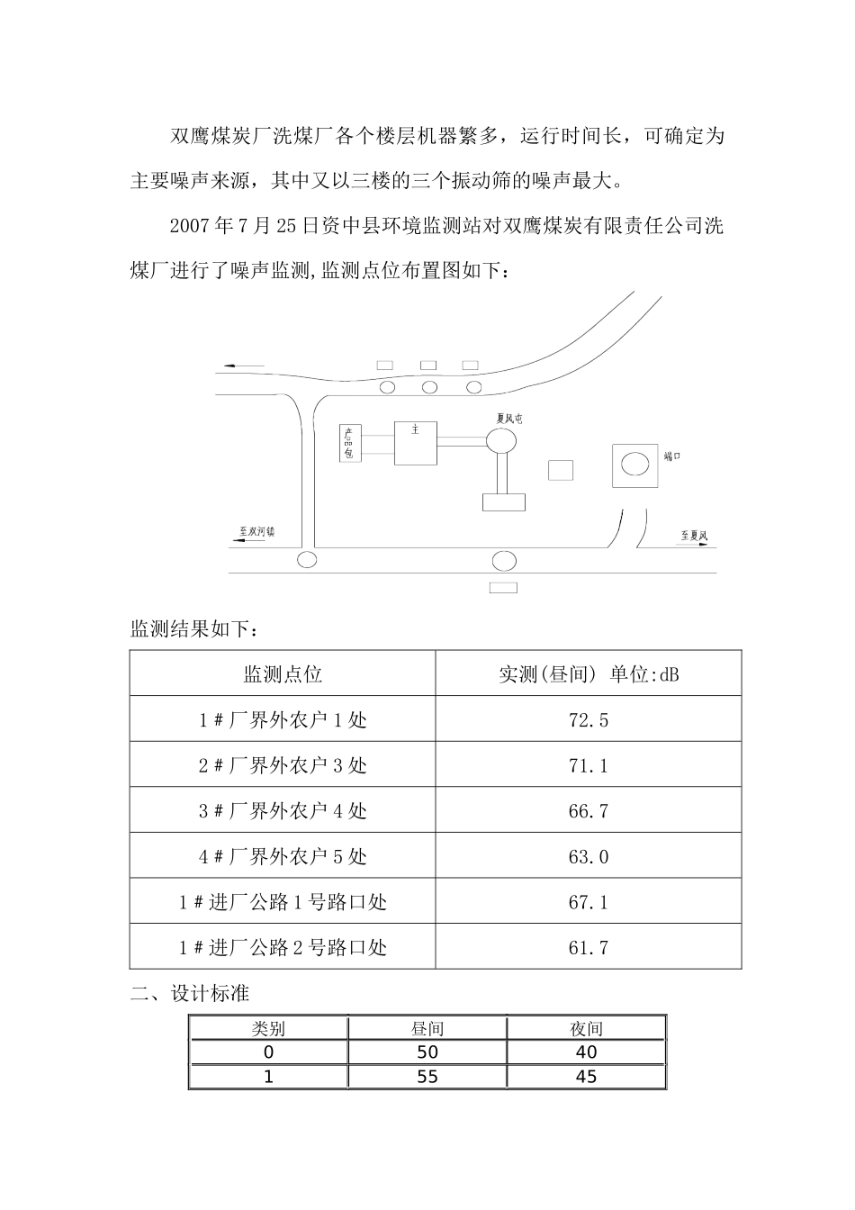
双鹰煤炭有限责任公司噪声方案设计四川长城环境科学与工程研究所编制2007年9月26日目录一、工程简介……………………………………………………….31.双鹰煤炭有限公司……………………………………………….32.噪声来源分析…………………………………………………….3二、设计标准……………………………………………………….4三、治理方案设计………………………………………………….41.厂房噪声治理方案……………………………………………….42.治理方法选择…………………………………………………….73.针对居民的治理方案…………………………………………….8四、吸声材料选择………………………………………………….81.多孔吸收体.………………………………………………………82.赫姆霍兹共振器…………………………………………………83.板共振吸声器……………………………………………………9五、概预算……………………………………………………………91.窗户…………………………………………………………………92.墙体…………………………………………………………………103.楼顶………………………………………………………………..104.隔声屏……………………………………………………………..115.总计…………………………………………………………………11一、工程简介1.双鹰煤炭有限公司双鹰煤炭公司位于四川省内江市,以煤炭生产、销售为主,生产销售冶炼及动力用煤;兼营农产品加工、运输及商贸;玻璃纤维生产及销售。2.噪声来源分析双鹰煤炭厂洗煤厂各个楼层机器繁多,运行时间长,可确定为主要噪声来源,其中又以三楼的三个振动筛的噪声最大。2007年7月25日资中县环境监测站对双鹰煤炭有限责任公司洗煤厂进行了噪声监测,监测点位布置图如下:监测结果如下:监测点位实测(昼间)单位:dB1﹟厂界外农户1处72.52﹟厂界外农户3处71.13﹟厂界外农户4处66.74﹟厂界外农户5处63.01﹟进厂公路1号路口处67.11﹟进厂公路2号路口处61.7二、设计标准类别昼间夜间0504015545260503655547055各类标准的适用区域0类标准适用于疗养区、高级别墅区、高级宾馆区等特别需要安静的区域,位于城郊和乡村的这一类区域分别按严于0类标准5dB执行。1类标准适用于以居住、文教机关为主的区域。乡村居住环境可参照执行该类标准。2类标准适用于居住、商业、工业混杂区。3类标准适用于工业区。4类标准适用于城市中的道路交通干线道路两侧区域,穿越城区的内河航道两侧区域。穿越城区的铁路主、次干线两侧区域的背景噪声(指不通过列车时的噪声水平)限值也执行该类标准。三、治理方案设计1.厂房噪声治理方案1.1从源头治理目前双鹰煤炭厂的噪声主要来源于洗煤厂三楼的三个振动筛,为了从根本上解决噪声问题,可以采用低噪声的振动筛,从源头解决,力求清洁生产。1.2减噪减少噪声的方法有两个:1.2.1对振动筛进行改造振动筛是选煤厂的主要筛分工具。由于其本身的特性决定了在正常工作时必须通过振动才能实现筛分,但是振动又是产生噪声的根本原因,而且声级高、声源多且复杂。振动筛是选煤厂的主要筛分工具。由于其本身的特性决定了在正常工作时必须通过振动才能实现筛分,但是振动又是产生噪声的根本原因,而且声级高、声源多且复杂。降噪措施如下:紧固振动筛上的所有部件,特别是需要经常更换的筛板,避免由于个别部件的松动而产生的额外振动;将冲孔钢筛板更换为弹性模量小、冲击噪声低的聚氨酯筛板或者橡胶筛板;在筛箱的侧板、入料给料口、排料口和接料底盘内加贴橡胶板,这样可以有效地抑制侧板的高频振动,减少辐射噪声;采用柔性辐板齿轮来代替钢齿轮,即在齿轮的辐板上利用橡胶弹性体传递扭矩,吸收齿轮啮入、啮出所造成的振动;用橡胶弹簧替代钢制弹簧,以减少冲击;在激振器的体外加装软式隔声罩;对轴承的内外套之间加以阻尼处理,轴承的滚动体可以制作成空心滚动体或者在空心滚动体的内部加入阻尼材料,这样能够减小轴承的振动和降低轴承的噪声。1.2.2吸声降噪(1)吸声系数与降噪系数吸声是声波撞击到材料表面后能量损失的现象,吸声可以降低室内声压级。描述吸声的指标是吸...

1、当您付费下载文档后,您只拥有了使用权限,并不意味着购买了版权,文档只能用于自身使用,不得用于其他商业用途(如 [转卖]进行直接盈利或[编辑后售卖]进行间接盈利)。
2、本站所有内容均由合作方或网友上传,本站不对文档的完整性、权威性及其观点立场正确性做任何保证或承诺!文档内容仅供研究参考,付费前请自行鉴别。
3、如文档内容存在违规,或者侵犯商业秘密、侵犯著作权等,请点击“违规举报”。

碎片内容

双鹰煤炭有限责任公司噪声方案设计

确认删除?
VIP
微信客服
  • 扫码咨询
会员Q群
  • 会员专属群点击这里加入QQ群
客服邮箱
回到顶部