电脑桌面
添加小米粒文库到电脑桌面
安装后可以在桌面快捷访问

数控车教案(下)VIP免费

数控车教案(下)_第1页
1/29
数控车教案(下)_第2页
2/29
数控车教案(下)_第3页
3/29
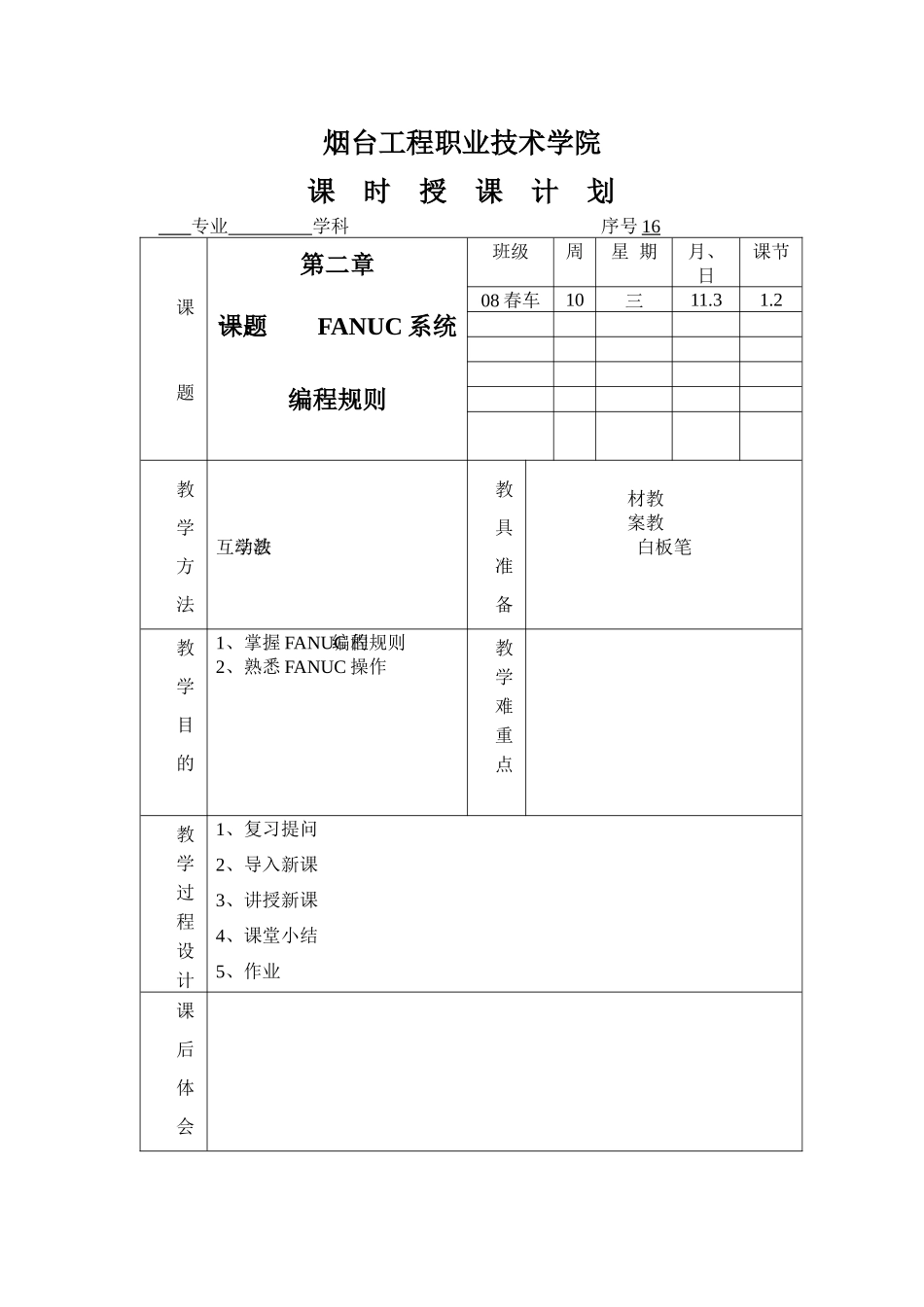
烟台工程职业技术学院课时授课计划专业学科序号16课题第二章课题一:FANUC系统编程规则班级周星期月、日课节08春车10三11.31.2教学方法互动教学法教具准备教材教案白板笔教学目的1、掌握FANUC的编程规则2、熟悉FANUC操作教学难重点教学过程设计1、复习提问2、导入新课3、讲授新课4、课堂小结5、作业课后体会课题一:FANUC系统编程规则一、FANUC的准备功能表二、FANUC系统编程规则1、小数点编程在本系统中输入的任何坐标字(包括X、Z、I、K、U、W、R等)的数值后必须加小数点,即X100必须记作X100.0或X100.否则系统会默认为坐标字数值为100×0.001mm=0.1mm。该功能可以通过参数关闭。2、绝对方式与增量方式FANUC-0i数控车系统中用U或W表示增量方式。在程序段出现U即表示X方向的增量值,出现W即表示Z方向的增量值。同时允许绝对方式与增量方式混合编程。注意与使用G90和G91表示增量的系统的区别。3、进给功能系统默认进给方式为转进给。4、程序名的指定本系统程序名采用字母O后跟四位数字的格式。子程序文件名遵循同样的命名规则。通常在程序开始指定文件名,程序结束须加程序结束指令。5.指令简写模式系统支持G指令或M指令简写。三、常用G代码G00、G01、G02、G03、G04、G32的应用在通用代码中已经讲过这里不再做重复的阐述。1、参考点返回指令G28G28X(U)____Z(W)____;其中X(U)、Z(W)为参考点返回时的中间点,X、Z为绝对坐标,U、W为相对坐标G28U0W0表示直接返回参考点2、恒线速控制有时为了提高效率和保证工件表面精度,需要以恒定的线速度来进行切削。指令格式:G96S__;S后面的数字表示的是恒定的线速度(m/min)。例如G96S150表示切削点的线速度控制在150m/min。用恒线速度控制加工端面、锥度和圆弧时,由于X坐标值不断变化,当刀具逐渐接近工件的旋转中心时,主轴转速会越来越高,工件有从卡盘飞出的危险,所以为防止事故的发生,必须限定主轴的最高转速。3、恒线速取消(恒转速)指令格式:G97S__;S后面的数字表示恒线速度控制取消后的主轴转速。例如G97S3000表示恒线速控制取消后主轴转速3000rpm。如S未指定,将保留G96的最终值。4、最高转速限制指令格式:G50S__;S后面的数字表示的是最高限速(rpm)。例如G50S3000表示最高转速限制为3000rpm。烟台工程职业技术学院课时授课计划专业学科序号17课题第四章课题二内/外圆切削循环指令G90班级周星期月、日课节08春车13一11.221.2教学方法互动教学法教具准备教材教案白板笔教学目的1、掌握G90的格式2、熟练掌握G90车削外圆、圆锥教学难重点G90车削外圆、圆锥教学过程设计1、复习提问2、导入新课3、讲授新课4、课堂小结5、作业课后体会课题二内/外圆切削循环指令G90单一固定循环可以把切一刀的循环过程“切入-切削-退刀-返回”用一个循环指令完成,从而简化程序。用内/外圆切削循环指令G90可切削圆柱面和圆锥面。1、用G90切削循环指令切削圆柱面,如图所示。(1)指令格式:G90X(U)_Z(W)_F_;说明:X、Z为圆柱面切削的终点坐标值;U、W为圆柱面切削的终点相对于循环起点坐标分量。在使用增量值指令时,U、W数值符号由刀具路径方向来决定。在循环加工过程中,除切削加工时,刀具按F指令速度运动外,刀具在切入、退出工件和返回起始点都是快速进给速度(G00指令的速度)进行的。(1)示例:①应用G90循环指令加工图3-28所示零件.顺序号程序注释N10T0101;建立工件坐标系,并选择1号刀N20M03S800;主轴以每分钟1000转的速度正转N30G00X45.0Z55.0M08;建立循环起点,打开切削液N40G90X35.0Z20.0F0.2;第一刀的循环终点N50X30.0;第二刀的循环终点N60X25.0;第三刀的循环终点N70G00X200.0Z200.0M09;返回起刀点,关闭切削液N80M30;程序结束②圆柱面固定循环切削加工举例:G90X40Z20F0.3;A→B→C→D→AX30;A→E→F→D→AX20;A→G→H→D→A1、用G90切削循环指令切削圆锥面,如图所示。(1)指令格式:G90X(U)_Z(W)_R_F_;(2)说明:X、Z为圆锥面切削的终点坐标值;U、W为圆锥面切削的终点相对于循环起点的坐标;R为圆锥面切削的起点相对于终点的半径差。以增量值表示,其正负符号取决于锥端面位置,当刀具起于锥端大头时,R为...

1、当您付费下载文档后,您只拥有了使用权限,并不意味着购买了版权,文档只能用于自身使用,不得用于其他商业用途(如 [转卖]进行直接盈利或[编辑后售卖]进行间接盈利)。
2、本站所有内容均由合作方或网友上传,本站不对文档的完整性、权威性及其观点立场正确性做任何保证或承诺!文档内容仅供研究参考,付费前请自行鉴别。
3、如文档内容存在违规,或者侵犯商业秘密、侵犯著作权等,请点击“违规举报”。

碎片内容

数控车教案(下)

您可能关注的文档

确认删除?
VIP
微信客服
  • 扫码咨询
会员Q群
  • 会员专属群点击这里加入QQ群
客服邮箱
回到顶部