电脑桌面
添加小米粒文库到电脑桌面
安装后可以在桌面快捷访问

工程质量保证措施( 47页)VIP免费

工程质量保证措施( 47页)_第1页
1/42
工程质量保证措施( 47页)_第2页
2/42
工程质量保证措施( 47页)_第3页
3/42
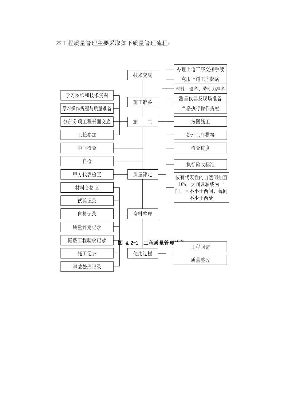
工程质量保证措施我司已经仔细研读了招标文件,因此本“工程质量保证措施”首先是以无条件满足和执行招标文件中的质量方针“质量保证和控制要求”为前提的。根据招标文件对工程质量标准及质量管理内容的要求,并结合本工程的建设特点,在工程建设过程中,我方将建立健全质量管理体系;施工质量验收制度和综合施工质量水平评定考核制度、编制详尽、真实、实用的工程质量计划、落实执行工程质量创优技术保证措施、将工程质量目标层层分解责任到位,针对每一个分解目标制定可行的质量管理实施控制方案。通过全方位的控制管理以达到质量、投资、进度之间的完美结合,实现工程的总体质量目标。本章主要包括:工程质量目标、工程质量管理保证、工程质量管理控制、工程质量创优计划、主要分项工程质量保证措施等。1工程质量管理指导思想我方是ISO9001体系的达标企业。建立并保持行之有效的规范化的质量管理体系,是企业保持质量优质水平的有效手段。在项目建设过程中,我方将按照ISO9001各项文件规定规范运作,以ISO9001质量管理标准为主要运作模式,并发扬我方的质量管理特色,强化以人为本意识、全员意识,实行全过程监控。针对拟定的质量管理目标,建立严谨的质保体系,根据工程具体特点,制定质保措施从材料设备、施工工艺、竣工交付等方面加以控制。采用先进的施工质量管理技术,精心组织、精心施工,创建优质精品工程。在创优过程中,不断改进和提高企业的质量管理水平,为业主提供更优质的服务,最终建造出让业主满意的精品工程。我们的质量方针是“科学管理、作风严谨、团结一心、优质服务,持续满足顾客要求”。2工程质量目标质量标准:合格;达到国际A级标准;满足招标文件各项要求。3工程质量管理保证3.1建立工程质量管理保证体系在建设过程的各个阶段,将整体和各阶段工程质量控制目标层层分解,并通过组织保证、工作保证和制度保证,将分解后的每个质量控制目标由每一道工序和岗位的责任人负责。建立形成全方位、全过程、全人员、全项目、全天候的质量保证体系。3.2工程质量保证体系运行方法为保证完善的质量保证体系持续有效的运转,我方将对每个分项工程的质量责任层层分解落实到所有管理人员,每周召开质量例会分析解决质量问题。落实质量目标,将目标进行量化:工程最终竣工验收合格率:100%工程安装一次检验合格率:95%以上顾客满意度:95%以上树立质量意识,按照GB/T19001-2000标准管理要求明确责任定期考核业绩。各岗位人员与项目经理签订质量责任状,建立奖惩制度,促进各项工作的顺利进行。加强创优宣传,及时组织全体管理人员、班组长对规范、规程进行学习,强化施工人员的创优意识。4工程质量管理控制通过多年来大型工程的施工实践,我方积累了丰富的总承包经验,在工期、质量、安全、成本、文明施工及总包、分包协调等方面都已形成了独特的管理优势,重点推行目标管理、跟踪管理、平衡协调管理;积极主动处理好与业主、监理单位、设计单位、质量监督站、政府监管机构、各专业分包人、专项供应商、独立承包人等的关系,保证质量体系的正常运行。4.1工程质量管理控制原则我方将把“质量预控、过程精品、以人为本、质量第一”作为工程质量管理控制原则。质量预控:在项目管理中,事先完善各种措施,用“人、机、料、法、环”和“图纸、方案”各方面条件的完善来保证质量。过程精品:最终质量目标的实现,是大量的分项、分部工程质量目标实现后的综合结果。对项目整体而言,将按照实施的不同阶段、不同专业的不同特点,对质量目标进行分解,制定相对应的措施,抓过程保结果,以抓过程精品管理来保证各分解目标的实现。以人为本:充分调动人的积极性、创造性,增强人的责任感,强化“质量第一”的观念,提高专业水平,避免人为失误,以人的工作质量带动工序质量进而提高工程质量。4.2工程质量管理流程本工程质量管理主要采取如下质量管理流程:图4.2-1工程质量管理流程学习图纸和技术资料学习操作规程与质量准备分部分项工程书面交底工长参加中间检查自检甲方代表检查隐蔽工程验收签证现场文明施工合格品的处理(返工)施工准备技术交底施工质量评定材料、设备、...

1、当您付费下载文档后,您只拥有了使用权限,并不意味着购买了版权,文档只能用于自身使用,不得用于其他商业用途(如 [转卖]进行直接盈利或[编辑后售卖]进行间接盈利)。
2、本站所有内容均由合作方或网友上传,本站不对文档的完整性、权威性及其观点立场正确性做任何保证或承诺!文档内容仅供研究参考,付费前请自行鉴别。
3、如文档内容存在违规,或者侵犯商业秘密、侵犯著作权等,请点击“违规举报”。

碎片内容

工程质量保证措施( 47页)

确认删除?
VIP
微信客服
  • 扫码咨询
会员Q群
  • 会员专属群点击这里加入QQ群
客服邮箱
回到顶部