电脑桌面
添加小米粒文库到电脑桌面
安装后可以在桌面快捷访问

太阳能路灯工程施工组织方案VIP免费

太阳能路灯工程施工组织方案_第1页
1/12
太阳能路灯工程施工组织方案_第2页
2/12
太阳能路灯工程施工组织方案_第3页
3/12
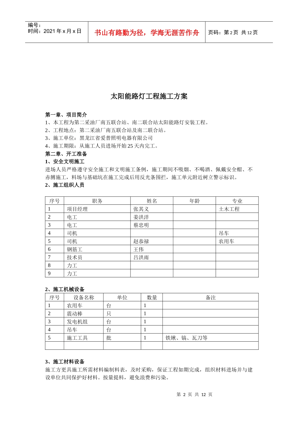
第1页共12页编号:时间:2021年x月x日书山有路勤为径,学海无涯苦作舟页码:第1页共12页施工组织方案工程名称:采油二厂南二联合站及南五联合站太阳能路灯安装工程编制单位:黑龙江省爱普照明电器有限公司编制人:编制日期:2011年5月21日第2页共12页第1页共12页编号:时间:2021年x月x日书山有路勤为径,学海无涯苦作舟页码:第2页共12页太阳能路灯工程施工方案第一章、项目简介1、本工程为第二采油厂南五联合站、南二联合站太阳能路灯安装工程。2、工程地点:第二采油厂南五联合站及南二联合站。3、施工单位:黑龙江省爱普照明电器有限公司4、施工期限:从施工人员进场开始25天内完工。第二章、开工准备1、安全文明施工进场人员严格遵守安全施工和文明施工条例,施工期间不吸烟、不喝酒、佩戴安全帽、不赤膊施工,料场与基础坑在施工完成后用反光条围拦,施工单元附近树立警示标识。2、施工组织人员序号职务姓名年龄专业1项目经理张其义土木工程2电工姜洪洋3电工蔡忠明4司机吊车5司机赵恭禄农用车6钢筋工王伟7技术员吕洪雨8力工9力工2、施工机械设备序号设备名称单位数量备注1农用车台12震动棒只13发电机组台14吊车台15施工工具批1铁锹、镐、瓦刀等3、施工材料设备施工方更具施工所需材料编制料表,及时采购,保证工程如期完成,组织材料进场并与建设单位共同保护好材料。按量提料,避免浪费和污染。第3页共12页第2页共12页编号:时间:2021年x月x日书山有路勤为径,学海无涯苦作舟页码:第3页共12页4、建设单位配合施工单位需要在以下方面给予配合:1)、为施工单位无偿提供料场存放施工方到场的设备,并确保进场设备的安全不丢失、不损坏。2)、为施工单位无偿提供混凝土搅拌场地。3)、建设单位为施工单位提供一名技术员,与施工单位共同确定安装位置。4)、建设单位为施工单位出据开工证明及动火、用电报告。5)、建设单位负责养护施工单位剪除的草坪直至施工完成,草坪的运输剪除及恢复由施工单位负责。第三章、一、工序流程施工中采用以下流程:施工人员自2011年6月5日开始进场施工,南二联合站与南五联合站同时施工。6月5日至6日定灯位—>>>>>>>>>>>>>>>>>>>>2人2天完成。6月7日剪除草坪—>>>>>>>>>>>>>>>>>>共计8个灯杆,1人一天剪除完毕交给建设单位养护6月8日至6月14日挖路灯基础坑—>>>>>>>>>>>>>>>8人7天完成,出土就近至路边梯形对方,不影响通行。浇注路灯基础及电池仓—>>>>>>>>与路灯基础坑同步施工6月15日至17日路灯安装—>>>>>>>>>>>>>>>>>>>8人3天时间组装完毕6月18日至19日实验、调试—>>>>>>>>>>>>>>>>>4人2天时间调试完毕6月20日至23日灯杆立杆吊装—>>>>>>>>>>>>>>>5人4天时间吊装完毕6月24日至25日自检—>>>>>>>>>>>>>>>>>>>>>>2人2天时间自检完毕6月26草坪恢复—>>>>>>>>>>>>>>>>>>>2人1天时间恢复完毕6月27至6月28竣工验收--->>>>>>>>>>>>>>>>>>>与建设单位验收人员2天两处验收完毕。二、施工方法1、定灯位按照施工图及现场情况,以施工图纸确定的路灯位置为基准确定路灯安装位置。2、浇注路灯基础浇注按甲方提供路灯基础图纸预制金属构件开挖相应尺寸的基坑,金属构件进行热镀锌处理,防腐质量应符合现行国家标准《金属覆盖及其他有关覆盖层维氏和努氏显微硬度试验》(GB/T9700)、《热喷涂金属件表面预处理通则》(GB/T11373)、现行行业标准《钢铁热浸铝工艺及质量检验》(ZBJ36011)的有关规定。4、敷设电线应符合下列要求第4页共12页第3页共12页编号:时间:2021年x月x日书山有路勤为径,学海无涯苦作舟页码:第4页共12页(1)电线型号2*2.5铜芯线用于太阳能电池板至蓄电池及灯具间,排列整齐,无机械损伤。(2)电线的固定、间距、穿线,过管应符合规定。(3)电线接头良好,绝缘应符合规定。(4)电线自灯杆上部太阳能电池板至蓄电池,中间部分保护管。(5)保护管的连接、防腐应符合规定。5、路灯安装规定(1)同一道路的路灯安装高度(从光源到地面)、仰角、装灯方向宜保持一致。(2)基础坑开挖尺寸应符合设计规定,基础混凝土强度等级不应低于C20,基础内电缆护管从基础中心穿过并应超出基础平面30~50mm。浇制钢筋混凝土基础前必须排除坑...

1、当您付费下载文档后,您只拥有了使用权限,并不意味着购买了版权,文档只能用于自身使用,不得用于其他商业用途(如 [转卖]进行直接盈利或[编辑后售卖]进行间接盈利)。
2、本站所有内容均由合作方或网友上传,本站不对文档的完整性、权威性及其观点立场正确性做任何保证或承诺!文档内容仅供研究参考,付费前请自行鉴别。
3、如文档内容存在违规,或者侵犯商业秘密、侵犯著作权等,请点击“违规举报”。

碎片内容

太阳能路灯工程施工组织方案

教育教学文库+ 关注
实名认证
内容提供者

本店有大量的教育教学资料,课件

确认删除?
VIP
微信客服
  • 扫码咨询
会员Q群
  • 会员专属群点击这里加入QQ群
客服邮箱
回到顶部