电脑桌面
添加小米粒文库到电脑桌面
安装后可以在桌面快捷访问

对招标货物清单及技术的要求VIP免费

对招标货物清单及技术的要求_第1页
1/9
对招标货物清单及技术的要求_第2页
2/9
对招标货物清单及技术的要求_第3页
3/9
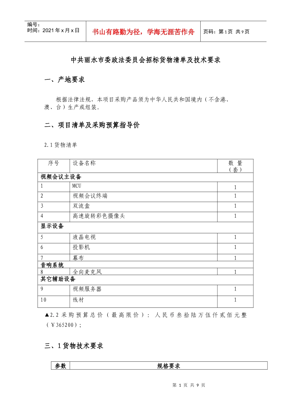
第1页共9页编号:时间:2021年x月x日书山有路勤为径,学海无涯苦作舟页码:第1页共9页中共丽水市委政法委员会招标货物清单及技术要求一、产地要求根据法律法规,本项目采购产品须为中华人民共和国境内(不含港、澳、台)生产或组装。二、项目清单及采购预算指导价2.1货物清单▲2.2采购预算总价(最高限价):人民币叁拾陆万伍仟贰佰元整(¥365200);三、1货物技术要求参数规格要求序号设备名称数量(套)视频会议主设备1MCU12视频会议终端13双流盒14高速旋转彩色摄像头1显示设备5液晶电视16投影机17幕布1音响系统8全向麦克风1其它辅助设备9视频服务器110线材1第2页共9页第1页共9页编号:时间:2021年x月x日书山有路勤为径,学海无涯苦作舟页码:第2页共9页MCU无源CompactPCI系统总线;19英寸1U高度;固化机箱设计;即插即用系统的混合组网能力系统的MCU和终端支持连接H.320网络的能力,以便系统在需要的时候可以和系统外部的设备互连互通。即系统要支持H.323IP网络和H.320网络混合组网开会的能力。支持SIP协议MCU及终端必须支持IETFSIP协议,以便将来有更广泛的兼容性。▲高清MCU设备技术要求MCU由于是系统的核心设备,要求高可靠性,平均无故障时间要求不小于50000小时。MCU应支持H.323,符合ITU-T、IPV4等国家有关标准,应支持桌面终端系统(含免费5个点)设备硬件结构要求MCU的硬件情况,应符合下列要求1)MCU应当为电信级硬件结构、嵌入式的平台、多媒体总线结构2)设备支持连续不间断开机运行,MCU设备的平均无故障运行时间(MTBF)不小于50000小时;3)应能提供使用交流电AC220V。速率支持终端以128Kb/s-2Mb/s速率接入容量考虑到系统今后的扩展性,市级控制中心和地市控制中心分别要有相应的冗余。市局控制中心:至少支持12路2M的高清终端的接入。视频视频处理可以各会场的视频信号以不同的速率/和各自不同的协议适配,并且不限制混速的接入数量。视频编码应支持H.261、H.263、H.264建议。同时可以支持720P以上高清,实现同一会议中720P图象格式与CIF/4CIF图象格式混合。动态图像格式应支持9CIF、4CIF、CIF、QCIF等格式。在384Kb/s以上速率时,必须达到25帧。支持视频协议适配功能,允许不同视频协议的终端参加同一个会议。支持多个协议适配会议同时召开。音频应符合G.711、G.722、G.722.1、G.728、G.729、音频等语音编码等相关标准,具有多点输入音频混合方式,能够实现远端静音。具有自动唇音同步,误差应不可察觉,音频视频相对延迟小于40ms。多个会议同时召开的时候,各个会议的声音互不影响。同一个会议有不同语音编码算法时的编码转换能力。多协议、速率转换MCU应支持不同速率的相互转换,并支持不同速率终端接入MCU,并且不限制速率接入数量。应支持不同帧频的匹配和转换;应支持不同分辨率的匹配和转换;能兼容同一会议不同的通信参数。应支持音频编码算法G.711、G.722、G.722.1、G.728、G.729、音频等语音编码转换和H.261、H.263、H.263+、H.264等视频编码转换,并能兼容同一会议里不同的通信参数。▲支持动态双流功能(H.239国MCU与视频终端设备必须支持H.239国际标准,MCU与视频终端设备配合实现动态双流功能。第3页共9页第2页共9页编号:时间:2021年x月x日书山有路勤为径,学海无涯苦作舟页码:第3页共9页MCU际标准)▲动态多分屏MCU应支持数字高清下多分屏显示,能够根据参会终端数量增减,自动改变分屏方式,能在H.264、H.263、H.261下提供16画面以上分屏(含16画面),支持28种分屏方式。不同的分会场应能够在同一时刻观看到不同的分屏画面。分屏会议的速率可以在128k-1920kbps之间。在会议进行中应允许用户随意切换分屏显示模式。应允许用户设置某一分屏窗口为指定会场或语音激励自动选择会场。呼叫方式必须支持E.164呼叫方式,可选择MCU呼入或呼出方式接口可以提供多种网络接口,MCU必须能够提供LAN10/100。MCU级联MCU必须具备多级级联能力。MCU应满足进行多级级联组网和控制,级联组网情况下对多台MCU和多个会议的管理和控制方法要简单易用,能够实现级联集中控制。会议控制方式会议的控制方式,必须具有以下方式:语音激励控制、演讲者方式、轮巡方式;导...

1、当您付费下载文档后,您只拥有了使用权限,并不意味着购买了版权,文档只能用于自身使用,不得用于其他商业用途(如 [转卖]进行直接盈利或[编辑后售卖]进行间接盈利)。
2、本站所有内容均由合作方或网友上传,本站不对文档的完整性、权威性及其观点立场正确性做任何保证或承诺!文档内容仅供研究参考,付费前请自行鉴别。
3、如文档内容存在违规,或者侵犯商业秘密、侵犯著作权等,请点击“违规举报”。

碎片内容

对招标货物清单及技术的要求

您可能关注的文档

确认删除?
VIP
微信客服
  • 扫码咨询
会员Q群
  • 会员专属群点击这里加入QQ群
客服邮箱
回到顶部