电脑桌面
添加小米粒文库到电脑桌面
安装后可以在桌面快捷访问

工程变更签证单VIP专享VIP免费

工程变更签证单_第1页
1/33
工程变更签证单_第2页
2/33
工程变更签证单_第3页
3/33
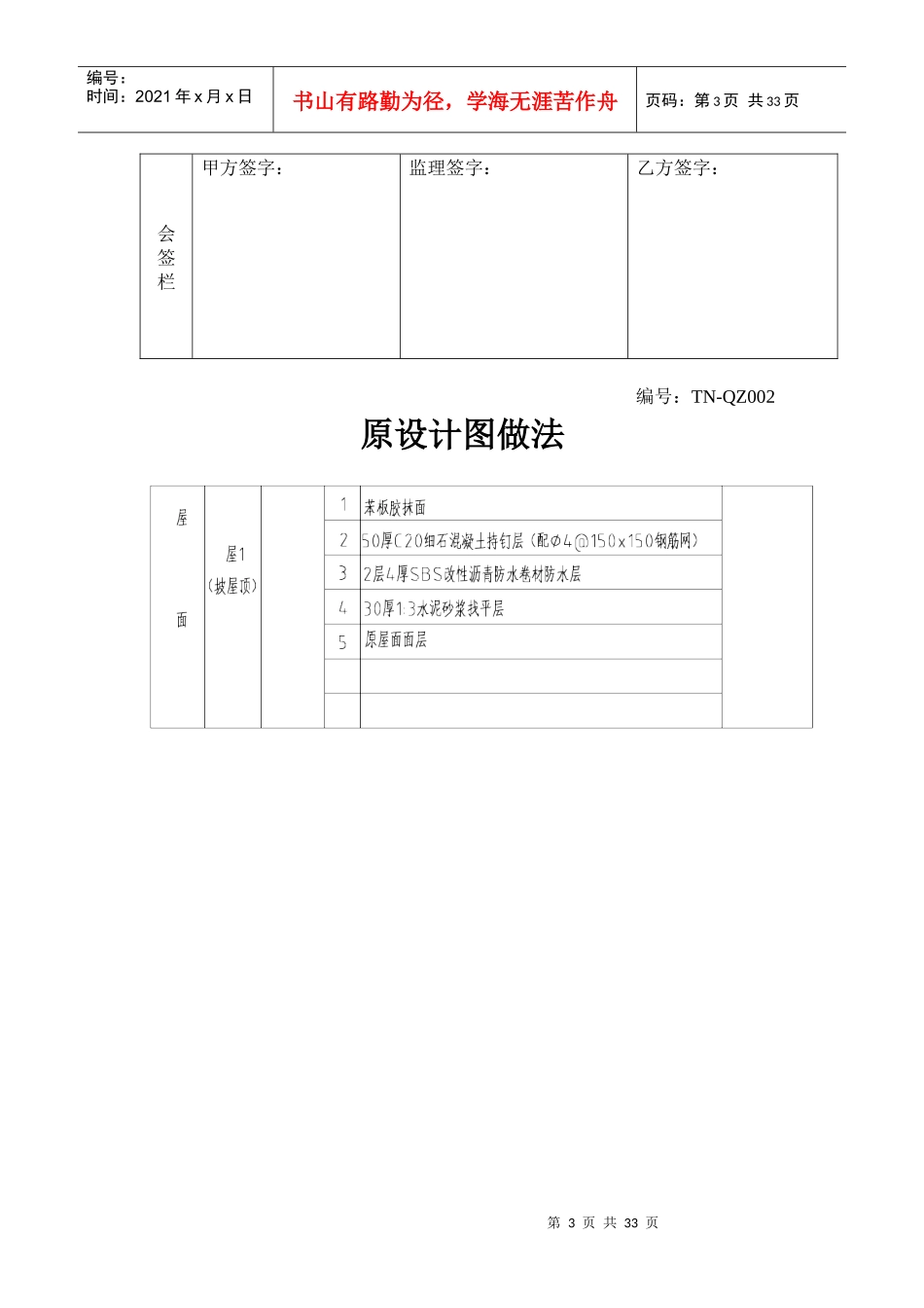
第1页共33页编号:时间:2021年x月x日书山有路勤为径,学海无涯苦作舟页码:第1页共33页现场签证单编号:TN-QZ001工程名称恒盛毛纺织有限公司施工单位吉林安装集团股份有限公司吉林市第一分公司部位科研楼、仓库日期事由:(签证原因、变更依据)应甲方要求(尺寸为与甲方现场实量):1.现于科研楼及仓库与老厂房相接砌体墙开凿门洞,洞口尺寸2m*2m共3处,3m*3m共一处,凿除体积共(2*2*3+3*3)*0.7=14.7m³。2.因墙面凿除洞口前已抹灰完毕,新凿洞口侧壁需重新抹灰,零星抹灰面积共(2*3*3+3*3)*0.7=18.9㎡。会签栏甲方签字:监理签字:乙方签字:第2页共33页第1页共33页编号:时间:2021年x月x日书山有路勤为径,学海无涯苦作舟页码:第2页共33页现场签证单编号:TN-QZ002工程名称恒盛毛纺织有限公司施工单位吉林安装集团股份有限公司吉林市第一分公司部位老厂房日期事由:(签证原因、变更依据)应甲方要求,现将与新建科研楼及仓库相接的老厂房屋面做两边防水及及面层保护层,防水及面层保护层做法详见附图。工程量(尺寸与甲方现场实量,工程量已与甲方核对):1.水泥砂浆找平层1286.5㎡2.4mmSBS卷材防水2573㎡(两遍工程量)3.细石混凝土保护层1286.5㎡4.保护层钢筋网1.69t5.苯板胶抹面1286.5㎡第3页共33页第2页共33页编号:时间:2021年x月x日书山有路勤为径,学海无涯苦作舟页码:第3页共33页会签栏甲方签字:监理签字:乙方签字:编号:TN-QZ002原设计图做法第4页共33页第3页共33页编号:时间:2021年x月x日书山有路勤为径,学海无涯苦作舟页码:第4页共33页现场签证单编号:TN-QZ003工程名称恒盛毛纺织有限公司施工单位吉林安装集团股份有限公司吉林市第一分公司部位科研楼、仓库日期第5页共33页第4页共33页编号:时间:2021年x月x日书山有路勤为径,学海无涯苦作舟页码:第5页共33页事由:(签证原因、变更依据)应甲方要求,现于科研楼及仓库窗C1821新增理石窗台板,15mm厚,共25个。会签栏甲方签字:监理签字:乙方签字:现场签证单编号:TN-QZ004工程名称恒盛毛纺织有限公司施工单位吉林安装集团股份有限公司吉林市第一分公司第6页共33页第5页共33页编号:时间:2021年x月x日书山有路勤为径,学海无涯苦作舟页码:第6页共33页部位仓库日期事由:(签证原因、变更依据)应甲方要求,现于仓库内增加两个沉水井见附图(确定增加前,仓库内地面垫层已施工完毕)。工程量(工程造价软件广联达出量):1.C15混凝土垫层1.72m³2.零星砌筑12.06m³,3.零星抹灰43.84㎡4.直径700mm铸铁井盖两个5.恢复地面混凝土垫层5.52m³,碎石灌浆垫层13.78m³6.地埋管线(直径180mm)60m会签栏甲方签字:监理签字:乙方签字:编号:TN-QZ004详图第7页共33页第6页共33页编号:时间:2021年x月x日书山有路勤为径,学海无涯苦作舟页码:第7页共33页现场签证单编号:TN-QZ005第8页共33页第7页共33页编号:时间:2021年x月x日书山有路勤为径,学海无涯苦作舟页码:第8页共33页工程名称恒盛毛纺织有限公司施工单位吉林安装集团股份有限公司吉林市第一分公司部位办公楼日期事由:(签证原因、变更依据)应甲方要求现对办公楼做如下施工(尺寸与甲方现场实量,工程量已与甲方确认):1.办公楼外墙做苯板外保温。2.因办公楼外墙面新增外保温,现将原窗口突出部位凿出。3.外墙保温施工中原墙面损坏处抹灰修补。4.屋面做防水做法详见附图工程量(尺寸与甲方实量,工程量已与甲方核对)1.外墙苯板保温3599.4㎡2.凿除窗口共78个3.墙面抹灰修复400平方米4.水泥砂浆保护层1353.9㎡5.4mmSBS卷材防水2707.8(两遍工程量)6.细石混凝土保护层1353.9㎡7.保护层钢筋网1.782t8.面层刷苯板胶1353.9㎡会签栏甲方签字:监理签字:乙方签字:编号:TN-QZ005原设计图做法第9页共33页第8页共33页编号:时间:2021年x月x日书山有路勤为径,学海无涯苦作舟页码:第9页共33页现场签证单编号:TN-QZ006第10页共33页第9页共33页编号:时间:2021年x月x日书山有路勤为径,学海无涯苦作舟页码:第10页共33页工程名称恒盛毛纺织有限公司施工单位吉林安装集团股份有限公司吉林市第一分公司部位科研楼、仓库日期事由:(签证原...

1、当您付费下载文档后,您只拥有了使用权限,并不意味着购买了版权,文档只能用于自身使用,不得用于其他商业用途(如 [转卖]进行直接盈利或[编辑后售卖]进行间接盈利)。
2、本站所有内容均由合作方或网友上传,本站不对文档的完整性、权威性及其观点立场正确性做任何保证或承诺!文档内容仅供研究参考,付费前请自行鉴别。
3、如文档内容存在违规,或者侵犯商业秘密、侵犯著作权等,请点击“违规举报”。

碎片内容

工程变更签证单

确认删除?
VIP
微信客服
  • 扫码咨询
会员Q群
  • 会员专属群点击这里加入QQ群
客服邮箱
回到顶部