电脑桌面
添加小米粒文库到电脑桌面
安装后可以在桌面快捷访问

工程测量实习教学大纲VIP免费

工程测量实习教学大纲_第1页
1/18
工程测量实习教学大纲_第2页
2/18
工程测量实习教学大纲_第3页
3/18
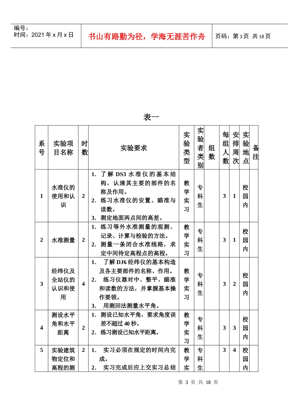
第1页共18页编号:时间:2021年x月x日书山有路勤为径,学海无涯苦作舟页码:第1页共18页工程测量实习教学大纲兵团技师培训学院土木工程教研室张超编写第2页共18页第1页共18页编号:时间:2021年x月x日书山有路勤为径,学海无涯苦作舟页码:第2页共18页2009.06.08兵团技师培训学院实验课安排计划课程名称工程测量班级公路桥梁11-23实习教师张超第3页共18页第2页共18页编号:时间:2021年x月x日书山有路勤为径,学海无涯苦作舟页码:第3页共18页表一系号实验项目名称时数实验要求实验类型实验者类别组数每组人数安排周次实验地点备注1水准仪的使用和认识21.了解DS3水准仪的基本结构,认清其主要的部件的名称及作用。2.练习水准仪的安置、瞄准与读数。3.测定地面两点间的高差。教学实习专科生31校园内2水准测量21.练习等外水准测量的观测、记录、计算与检验的方法。2.测量一条闭合水准线路,求定中间待定高程点的高程。教学实习专科生31校园内3经纬仪及全站仪的认识和使用41.了解DJ6经纬仪的基本构造及各主要部件的名称、作用。2.练习仪器对中、整平、瞄准和读数的方法,并掌握基本操作要领。3.用测回法测量水平角。教学实习专科生32校园内4测设水平角和水平距离21.测设已知水平角,要求角度误差不超过40秒。2.练习测设已知水平距离。教学实习专科生33校园内5实验建筑物定位和高程的测21.实习必须在规定的时间内完成。2.实习完成后应上交实习总结教学实专科生34校园内第4页共18页第3页共18页编号:时间:2021年x月x日书山有路勤为径,学海无涯苦作舟页码:第4页共18页设报告。习第一部分测量实验须知一、本课程的教学目的和要求1.测量实验的目的一方面是为了验证、巩固在课堂上所学的知识;另一方面是熟悉测量仪器的构造和使用方法,培养学生进行测量工作的基本技能,使学到的理论与实践相结合。2.实验之前必须复习教材中的有关内容,认真仔细地预习实验指导书,明确目的要求、方法步骤及注意事项,以保证按时完成实验任务。3.实验分小组进行,组长负责组织协调工作,办理所用仪器和工具的借领和归还手续。每人都必须认真、仔细地操作,培养独立工作的能力和严谨的科学态度,同时要发扬互相协作精神。实验应在规定的时间和地点进行,不得无故缺席或迟到早退,不得擅自改变地点或离开现场。在实验过程中或结束时,发现仪器工具有遗失或损坏情况,应立即报告指导教师,同时要查明原因,根据情节轻重,给予适当的赔偿或处理。4.在实验结束时,应提交书写工整、规范的实验报告或记录,经指导教师审阅同意后,才可以交还仪器和工具、结束工作。二、使用仪器、工具注意事项以小组为单位到指定的地点领取仪器和工具,领借时应当场清点检查,如有缺损,可以报告实验管理员给予补领或更换。1.携带仪器时,注意检查仪器先箱是否扣紧、锁好,拉手和背带是否牢固,并注意轻拿轻放。开箱时,应将仪器放置平稳。开箱后,记清仪器放置的位置,以便用后按原第5页共18页第4页共18页编号:时间:2021年x月x日书山有路勤为径,学海无涯苦作舟页码:第5页共18页样放回。提取仪器时,应用双手握住支架或基座轻轻取出,放在三脚架上,保持一手握住仪器,一手拎连接螺旋,使仪器与三脚架牢固连接。仪器取出后,应关好仪器箱,严禁在箱上坐人。2.不可置仪器于一旁而无人看管。应撑伞,严防仪器日晒雨淋。3.若发现透镜表面有灰尘或其它污物,须用软毛剧或擦镜头纸拂去,严禁用手帕、粗布或其它纸张擦拭,以免磨坏镜面。4.各制动螺旋勿拧过紧,以免损伤,各微动螺旋勿转至尽头,防止失灵。5.近距离搬站,应放松制动螺旋,一手握住三脚架放在助下,一手托住仪器,放置胸前稳步行走。不准将仪器斜拉肩上,以免碰伤仪器。若距离较远,必须装箱搬站。6.仪器装箱时,应松开各制动螺旋,按原样放回后先试关一次,确认放妥后,再拧紧各制动螺旋,以免仪器在箱内晃动,最后关箱上锁。7.水准尺、标杆不准用作担抬工具,以防弯曲变形或折断。8.使用钢尺时,应防止扭曲、打结和折断,防止行人踩踏或车辆碾压,尽量避免尺身着水。携尺前进时,应将尺身提起,不得沿地面拖行,以防损坏刻划。用完钢尺...

1、当您付费下载文档后,您只拥有了使用权限,并不意味着购买了版权,文档只能用于自身使用,不得用于其他商业用途(如 [转卖]进行直接盈利或[编辑后售卖]进行间接盈利)。
2、本站所有内容均由合作方或网友上传,本站不对文档的完整性、权威性及其观点立场正确性做任何保证或承诺!文档内容仅供研究参考,付费前请自行鉴别。
3、如文档内容存在违规,或者侵犯商业秘密、侵犯著作权等,请点击“违规举报”。

碎片内容

工程测量实习教学大纲

确认删除?
VIP
微信客服
  • 扫码咨询
会员Q群
  • 会员专属群点击这里加入QQ群
客服邮箱
回到顶部