电脑桌面
添加小米粒文库到电脑桌面
安装后可以在桌面快捷访问

数字式温湿度测量仪设计..VIP免费

数字式温湿度测量仪设计.._第1页
1/18
数字式温湿度测量仪设计.._第2页
2/18
数字式温湿度测量仪设计.._第3页
3/18
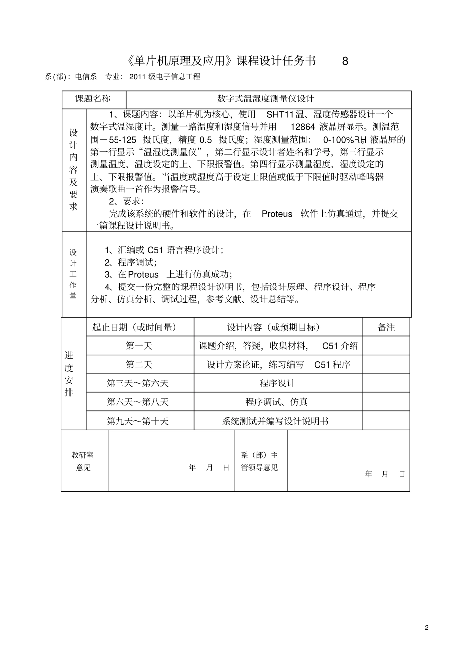
1长沙学院《单片机原理及应用》课程设计说明书题目数字式温湿度测量仪设计系(部)专业(班级)姓名学号指导教师起止日期2《单片机原理及应用》课程设计任务书8系(部):电信系专业:2011级电子信息工程课题名称数字式温湿度测量仪设计设计内容及要求1、课题内容:以单片机为核心,使用SHT11温、湿度传感器设计一个数字式温湿度计。测量一路温度和湿度信号并用12864液晶屏显示。测温范围-55-125摄氏度,精度0.5摄氏度;湿度测量范围:0-100%RH。液晶屏的第一行显示“温湿度测量仪”,第二行显示设计者姓名和学号,第三行显示测量温度、温度设定的上、下限报警值。第四行显示测量湿度、湿度设定的上、下限报警值。当温度或湿度高于设定上限值或低于下限值时驱动峰鸣器演奏歌曲一首作为报警信号。2、要求:完成该系统的硬件和软件的设计,在Proteus软件上仿真通过,并提交一篇课程设计说明书。设计工作量1、汇编或C51语言程序设计;2、程序调试;3、在Proteus上进行仿真成功;4、提交一份完整的课程设计说明书,包括设计原理、程序设计、程序分析、仿真分析、调试过程,参考文献、设计总结等。进度安排起止日期(或时间量)设计内容(或预期目标)备注第一天课题介绍,答疑,收集材料,C51介绍第二天设计方案论证,练习编写C51程序第三天~第六天程序设计第六天~第八天程序调试、仿真第九天~第十天系统测试并编写设计说明书教研室意见年月日系(部)主管领导意见年月日3目录一、概述...................................................................................................................................................................4二、设计内容及要求...............................................................................................................................................41、课题内容.....................................................................................................................................................42、要求.............................................................................................................................................................4三、设计原理...........................................................................................................................................................51、温度传感器的选择....................................................................................................................................52、湿度传感器的选择...................................................................................................................................5四、设计方案...........................................................................................................................................................5程序:..................................................................................................................................................................6五、测试结果.........................................................................................................................................................17六、设计心得体会.................................................................................................................................................17七、参考文献.........................................................................................................................................................184一、概述温湿度测量有着广泛的应用,标准温湿度测量仪主要应用于计量、气象、军事等领域,实现准确高精度的测量温湿度,同时还可以作为其他温湿度仪表校正的参考标准。数字式通风干湿表是一种重要的...

1、当您付费下载文档后,您只拥有了使用权限,并不意味着购买了版权,文档只能用于自身使用,不得用于其他商业用途(如 [转卖]进行直接盈利或[编辑后售卖]进行间接盈利)。
2、本站所有内容均由合作方或网友上传,本站不对文档的完整性、权威性及其观点立场正确性做任何保证或承诺!文档内容仅供研究参考,付费前请自行鉴别。
3、如文档内容存在违规,或者侵犯商业秘密、侵犯著作权等,请点击“违规举报”。

碎片内容

数字式温湿度测量仪设计..

您可能关注的文档

确认删除?
VIP
微信客服
  • 扫码咨询
会员Q群
  • 会员专属群点击这里加入QQ群
客服邮箱
回到顶部