电脑桌面
添加小米粒文库到电脑桌面
安装后可以在桌面快捷访问

广州城市职业学院招标公告VIP免费

广州城市职业学院招标公告_第1页
1/5
广州城市职业学院招标公告_第2页
2/5
广州城市职业学院招标公告_第3页
3/5
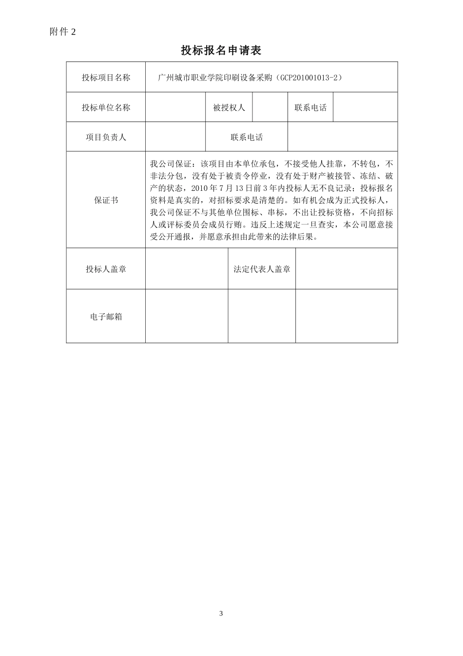
广州城市职业学院招标公告(GCP201001013-2)广州城市职业学院拟对印刷设备采购进行公开招标,现诚邀国内合格的投标人前来投标。本项目采用公开询价方式采购,有关事项如下:一、项目简介1、项目编号:GCP201001013-22、项目名称:印刷设备3、项目预算:15万元4、项目地点:广园中路248号5、最高限价:本项目依法设置最高限价为15万元二、投标人资格要求1、在中华人民共和国境内注册的、提供本国货物服务的法人,具有印刷设备经营内容;2、在广东省内设有长期固定的售后服务机构(提供相关证明材料);3、具有履行合同必须具备的服务提供保障能力;4、投标截止时间2010年7月13日前三年内无不良记录;5、本项目不接受联合体投标;6、未经采购人同意,成交供应商不得采取分包方式履行合同。三、投标报价文件组成(1-4项须每页盖章并按顺序装订成册,开标前与相关原件一并交招标人工作人员进行核对;第5项须盖章并单独密封装袋):1、投标申请人报名提交资料一览表(格式见附件1);2、投标报名申请表(格式见附件2);3、企业法定代表人证明书及被委托人有效授权书;4、资格合格条件所有证明材料(原件核查如有虚假将被取消其投标和中标资格)。5、报价表(单独密封装袋,并在封口处加盖单位公章;格式见附件3)。四、投标报价时间及地点:2010年7月13日上午9:30--10:00,广园中路248号广州城市职业学院广园南校区8号楼206室。五、开标、评标、定标1、开标及评标:2010年7月13日上午10:00在广园中路248号8号楼206室开标,由后勤处、招标办派工作人员在纪委的见证下对投标资料进行审核,确定有效投标人(符合投标报名资格合格条件且报价不超过最高限价、不低于成本(预算的70%)),按照投标人报价由低到高依次推荐1—2名中标候选人;若有2家及以上报价相同,则按质保期长短排名;若质保期也相同,则由投标人代表即时随机抽名次。2、定标:招标办将中标候选人报校领导确定中标人。六、采购人联系方式:杨老师,电话:02086383363招标单位:广州城市职业学院2010年7月7日1附件1:投标申请人报名提交资料一览表项目名称:印刷设备采购(GCP201001013-2)投标申请单位(盖章):序号项目提交资料要求提交资料份数审核情况(此栏由招标人收案人员填写)(此栏由报名单位填写)1投标报名申请表原件2法定代表人证明书、法定代表人授权委托书原件3企业营业执照副本及09年检记录复印件携带原件备查4项目经理身份证复印件5广东省内设有长期固定的售后服务机构证明复印件(如注册地为广州,则不需提供)6其他资料(投标人自定)原件审核情况招标人收案人员与投标单位代表对报名资料共同核对,审核情况属实。招标人收案人员签名:投标报名单位代表签名:2010年7月日2附件2投标报名申请表投标项目名称广州城市职业学院印刷设备采购(GCP201001013-2)投标单位名称被授权人联系电话项目负责人联系电话保证书我公司保证:该项目由本单位承包,不接受他人挂靠,不转包,不非法分包,没有处于被责令停业,没有处于财产被接管、冻结、破产的状态,2010年7月13日前3年内投标人无不良记录;投标报名资料是真实的,对招标要求是清楚的。如有机会成为正式投标人,我公司保证不与其他单位围标、串标,不出让投标资格,不向招标人或评标委员会成员行贿。违反上述规定一旦查实,本公司愿意接受公开通报,并愿意承担由此带来的法律后果。投标人盖章法定代表人盖章电子邮箱3第4页共5页编号:时间:2021年x月x日书山有路勤为径,学海无涯苦作舟页码:第4页共5页附件3报价表(GCP201001013-2)编号品名品牌产地规格型号配置计量单位数量单价(元)总价(元)服务/保修要求/及其他要求1全自动配页机得宝国产DFC—120分捡页数:48页(A3纸双面印刷);纸张尺寸:A3~A5;纸张厚度:52.3~128gsm;纸盘容量:28mm;处理速度:65套/分钟;六段调速;故障检测:漏页﹑双张﹑卡纸﹑无纸;特点:在连接后处理设备(钉折机)时DFC-120可远程控制;并且配页;订折工作可分别单独使用。台11.总价为货物送达采购人指定地点安装完毕交付使用的含税价;2.交付使用时间为2010年7月30日前;3.保修期不少于五年;保修期内全免费...

1、当您付费下载文档后,您只拥有了使用权限,并不意味着购买了版权,文档只能用于自身使用,不得用于其他商业用途(如 [转卖]进行直接盈利或[编辑后售卖]进行间接盈利)。
2、本站所有内容均由合作方或网友上传,本站不对文档的完整性、权威性及其观点立场正确性做任何保证或承诺!文档内容仅供研究参考,付费前请自行鉴别。
3、如文档内容存在违规,或者侵犯商业秘密、侵犯著作权等,请点击“违规举报”。

碎片内容

广州城市职业学院招标公告

您可能关注的文档

精华资料店+ 关注
实名认证
内容提供者

大量教育教学资料

确认删除?
VIP
微信客服
  • 扫码咨询
会员Q群
  • 会员专属群点击这里加入QQ群
客服邮箱
回到顶部