电脑桌面
添加小米粒文库到电脑桌面
安装后可以在桌面快捷访问

建筑施工应急救援预案VIP免费

建筑施工应急救援预案_第1页
1/47
建筑施工应急救援预案_第2页
2/47
建筑施工应急救援预案_第3页
3/47
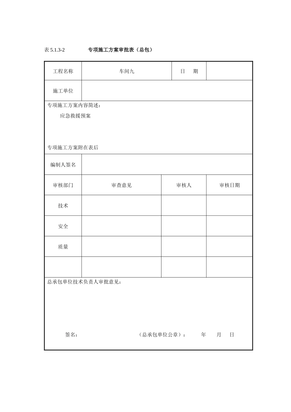
B.0.1施工组织设计/施工方案报审表工程名称:车间九编号:B.0.1—致:(项目监理机构)我方已完成车间九工程施工组织设计/(专项)施工方案的编制和审批,请予以审查。附:□1施工组织设计☑2应急救援预案工程安全专项施工方案□3工程施工方案□4本次申报内容系第次申报。施工项目经理部(盖章)项目经理(签字、执业印章)2016年月日项目监理机构签人姓名及时间施工项目经理部签收人姓名及时间审查意见:专业监理工程师(签字)年月日审核意见:项目监理机构(盖章)总监理工程师(签字、加盖执业印章)年月日建设单位签收人姓名及时间项目监理机构签收人姓名及时间审批意见(仅对超过一定规模的危险性较大的分部分项工程专项施工方案):建设单位(盖章)建设单位代表(签字)年月日注:1、施工项目经理部至少在计划开工日期前7天提出本报审表,给项目监理机构、建设单位审查、审批留出必要的时间。2、本表一式三份,项目监理机构、建设单位、施工单位各一份。第五版表江苏省住房和城乡建设厅监制表5.1.3-2专项施工方案审批表(总包)工程名称车间九日期施工单位专项施工方案内容简述:应急救援预案专项施工方案附在表后编制人签名审核部门审查意见审核人审核日期技术安全质量总承包单位技术负责人审批意见:签名:(总承包单位公章):年月日车间九应急预案2016年6月目录一、工程概况...................................1二、施工现场危险源识别、分析.......................1三、应急机构及职责...............................2四、突发事件专项方案............................10五、针对性危险源突发事件专项方案...................25第1页共48页编号:时间:2021年x月x日书山有路勤为径,学海无涯苦作舟页码:第1页共48页应急救援预案一、工程概况序号项目内容1工程名称车间九2建筑面积3建筑层数4参建单位建设单位设计单位监理单位施工单位二、施工现场危险源识别、分析1、本工程一般危险源清单:序号危险性较大分部分项工程/部位、环节存在不安全因素(或危险源)可能导致的事故1基坑施工坍塌、高处坠落、物体打击、交通、机械伤害2模板工程施工高处坠落、触电、物体打击、机械伤害、坍塌、火灾3脚手架工程高处坠落、触电、物体打击、坍塌、火灾4钢筋、混凝土工程施工高处坠落、触电、物体打击、机械伤害、火灾5砌体、装饰工程施工高处坠落、触电、物体打击、机械伤害、坍塌6现场施工机械安装使用高处坠落、触电、物体打击、机械伤害、坍塌7塔吊安装、拆卸、使用坍塌、高处坠落、触电、物体打击、碰撞8办公室触电、火灾第2页共48页第1页共48页编号:时间:2021年x月x日书山有路勤为径,学海无涯苦作舟页码:第2页共48页2、根据本工程施工现场的施工特点,工地现场可能发生的安全事故有:坍塌、高处坠落、触电、物体打击、机械伤害、火灾等,本应急救援预案的人力配备、物资配备、技术准备主要针对这几类事故来编写的。三、应急机构及职责1、现场应急组织机构成员为了保护本企业从业人员在经营活动中的身体健康和生命安全,保证本企业在出现生产安全事故时,能够及时进行应急救援,从而最大限度地降低生产安全事故给本企业及本企业员工所造成的损失,并做到确实有效的处理突发事故,成立项目部生产安全事故应急救援小组。2、应急救援小组组成情况第3页共48页第2页共48页编号:时间:2021年x月x日书山有路勤为径,学海无涯苦作舟页码:第3页共48页2.1、应急救援领导小组:组长:副组长:小组成员:抢险组:安保组:技术组:后勤组:医疗组:2.2、应急救援联络电话:报警中心110火警119急救中心120交通事故急救1222.3应急小组下设机构职责第3页共48页第4页共48页危险源及环境因素辩识、评价编制应急预案成立抢险领导小组组建抢救、抢险队配备应急物资、设备定期评审应急知识教育培训实施应急预案进行评审、修订编号:时间:2021年x月x日书山有路勤为径,学海无涯苦作舟页码:第4页共48页(1)抢险组:主要职责是组织实施抢险行动方案,协调有关部门的抢险行动;及时向指挥部报告抢险进展情况。(2)安全保卫组:主要职责是负责事故现场的警戒,阻止非抢险救援人员进入现...

1、当您付费下载文档后,您只拥有了使用权限,并不意味着购买了版权,文档只能用于自身使用,不得用于其他商业用途(如 [转卖]进行直接盈利或[编辑后售卖]进行间接盈利)。
2、本站所有内容均由合作方或网友上传,本站不对文档的完整性、权威性及其观点立场正确性做任何保证或承诺!文档内容仅供研究参考,付费前请自行鉴别。
3、如文档内容存在违规,或者侵犯商业秘密、侵犯著作权等,请点击“违规举报”。

碎片内容

建筑施工应急救援预案

您可能关注的文档

确认删除?
VIP
微信客服
  • 扫码咨询
会员Q群
  • 会员专属群点击这里加入QQ群
客服邮箱
回到顶部