电脑桌面
添加小米粒文库到电脑桌面
安装后可以在桌面快捷访问

建筑工程的危险源辨识VIP免费

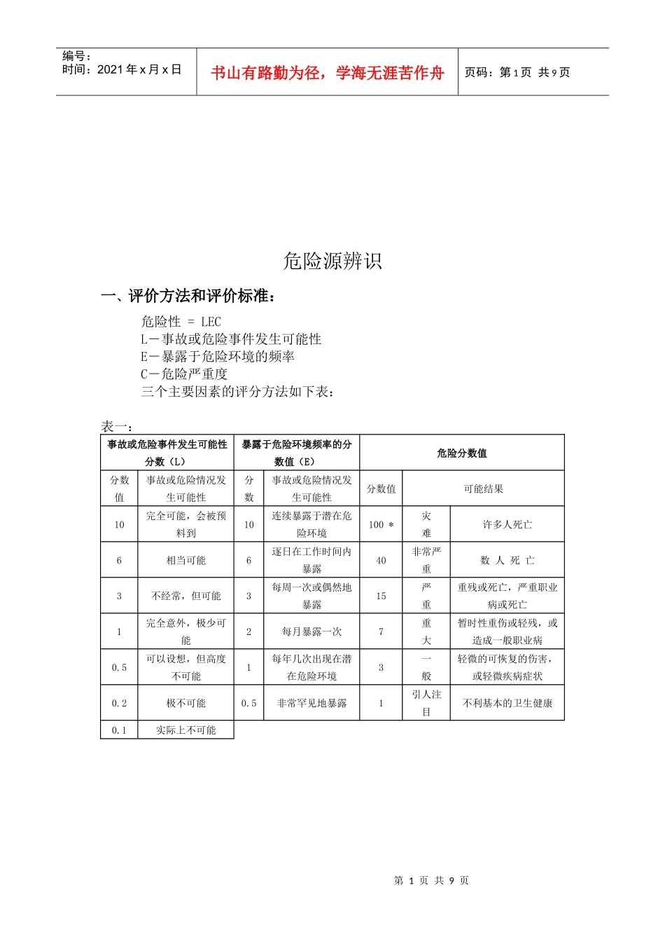
建筑工程的危险源辨识_第1页
1/9
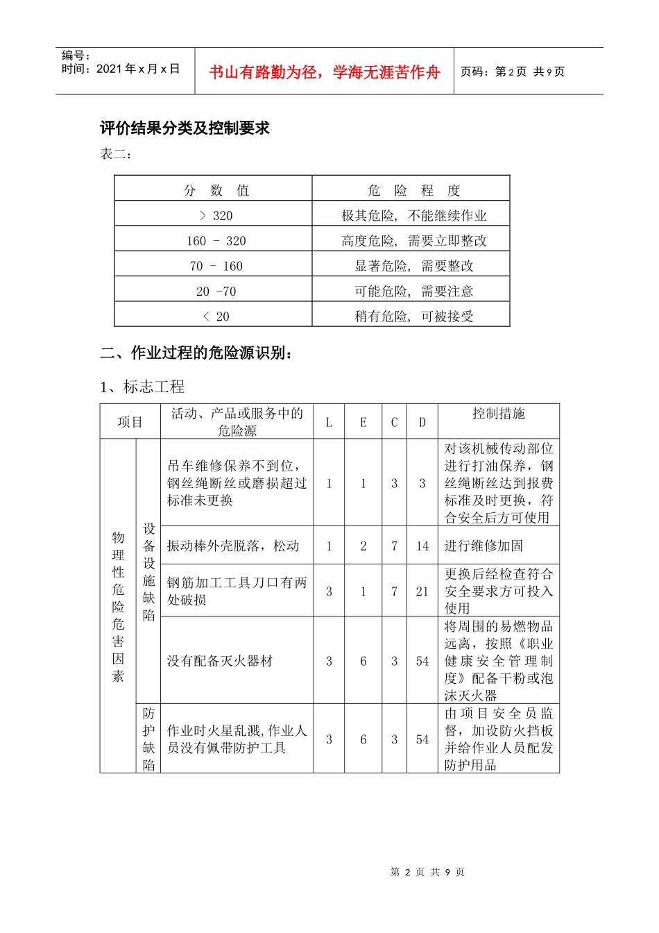
建筑工程的危险源辨识_第2页
2/9
建筑工程的危险源辨识_第3页
3/9
第1页共9页编号:时间:2021年x月x日书山有路勤为径,学海无涯苦作舟页码:第1页共9页危险源辨识一、评价方法和评价标准:危险性=LECL-事故或危险事件发生可能性E-暴露于危险环境的频率C-危险严重度三个主要因素的评分方法如下表:表一:事故或危险事件发生可能性分数(L)暴露于危险环境频率的分数值(E)危险分数值分数值事故或危险情况发生可能性分数事故或危险情况发生可能性分数值可能结果10完全可能,会被预料到10连续暴露于潜在危险环境100*灾难许多人死亡6相当可能6逐日在工作时间内暴露40非常严重数人死亡3不经常,但可能3每周一次或偶然地暴露15严重重残或死亡,严重职业病或死亡1完全意外,极少可能2每月暴露一次7重大暂时性重伤或轻残,或造成一般职业病0.5可以设想,但高度不可能1每年几次出现在潜在危险环境3一般轻微的可恢复的伤害,或轻微疾病症状0.2极不可能0.5非常罕见地暴露1引人注目不利基本的卫生健康0.1实际上不可能第2页共9页第1页共9页编号:时间:2021年x月x日书山有路勤为径,学海无涯苦作舟页码:第2页共9页评价结果分类及控制要求表二:二、作业过程的危险源识别:1、标志工程项目活动、产品或服务中的危险源LECD控制措施物理性危险危害因素设备设施缺陷吊车维修保养不到位,钢丝绳断丝或磨损超过标准未更换1133对该机械传动部位进行打油保养,钢丝绳断丝达到报费标准及时更换,符合安全后方可使用振动棒外壳脱落,松动12714进行维修加固钢筋加工工具刀口有两处破损31721更换后经检查符合安全要求方可投入使用没有配备灭火器材36354将周围的易燃物品远离,按照《职业健康安全管理制度》配备干粉或泡沫灭火器防护缺陷作业时火星乱溅,作业人员没有佩带防护工具36354由项目安全员监督,加设防火挡板并给作业人员配发防护用品分数值危险程度>320极其危险,不能继续作业160-320高度危险,需要立即整改70-160显著危险,需要整改20-70可能危险,需要注意<20稍有危险,可被接受第3页共9页第2页共9页编号:时间:2021年x月x日书山有路勤为径,学海无涯苦作舟页码:第3页共9页作业人员作业时未穿戴劳保用品121530按《职业健康安全管理制度》中有关防护用品规定进行发放,并监督作业人员正确使用作业区周围没有没有警告标识1339在作业场所搭设1-1.2的防护栏杆并悬挂醒目的安全标志牌装运钢筋装车不合理,钢筋散落容易砸伤工人12714对工人加强安全教育增加自我防范意识,运输钢筋时捆绑牢固后,方可运输。传递钢筋,容易伤人32742人工传运钢筋时由专人统一指挥并给作业人员配备防护用品吊运超长、超宽物件60.51545操作人员监督装卸超长、超宽的严禁吊运粉尘与气溶胶作业过程产生的烟气粉尘对人体的伤害63118给操作人员配发口罩并按有关规定进行定期体检作业环境不良钢筋加工台周边钢筋头没有清理干净,容易扎伤人0.2633.6按照《职业健康安全管理制度》的规定,将钢筋头及时清理搬运机具安置不合理,操作空间狭小,加工长件时容易受到伤害1339按照《职业健康安全管理制度》有关规定及现场的实际情况,扩大钢筋制作的场地安全标志钢筋加工处没有设置安全标志0.5639项目部安全员根据实际情况进行增设安全操作规程牌挂设位置不当,难以看到0.5639项目部安全员根据实际情况进行挂设第4页共9页第3页共9页编号:时间:2021年x月x日书山有路勤为径,学海无涯苦作舟页码:第4页共9页缺没有防火标志牌0.5639项目部安全员根据实际情况进行挂设行为性危害因素指挥失误管理人员违章指挥6315270依据《职业健康安全管理制度》给予处理,并进行安全教育操作失误酒后上班6315270依据《职业健康安全管理制度》给予处理,严禁酒后上岗并加强安全教育违章作业6315270依据《职业健康安全管理制度》给予处理,并进行安全教育监护失误危险的地方无人监护111515项目部根据现场的实际情况,安排施工员进行监护并在作业前做好安全技术交底2、标线工程项目活动、产品或服务中的危险源LECD控制措施物理性危险危害因素设备设施缺陷维修保养不到位3315135及时更换,加强日常施工机具的维修工作防护缺陷没有配备灭火器材36354将周围的易燃物品远离,按照《职业健康安全管理制度》配备干粉或泡沫灭火...

1、当您付费下载文档后,您只拥有了使用权限,并不意味着购买了版权,文档只能用于自身使用,不得用于其他商业用途(如 [转卖]进行直接盈利或[编辑后售卖]进行间接盈利)。
2、本站所有内容均由合作方或网友上传,本站不对文档的完整性、权威性及其观点立场正确性做任何保证或承诺!文档内容仅供研究参考,付费前请自行鉴别。
3、如文档内容存在违规,或者侵犯商业秘密、侵犯著作权等,请点击“违规举报”。

碎片内容

建筑工程的危险源辨识

确认删除?
VIP
微信客服
  • 扫码咨询
会员Q群
  • 会员专属群点击这里加入QQ群
客服邮箱
回到顶部