电脑桌面
添加小米粒文库到电脑桌面
安装后可以在桌面快捷访问

强制性产品认证检测费的收费标准VIP免费

强制性产品认证检测费的收费标准_第1页
1/204
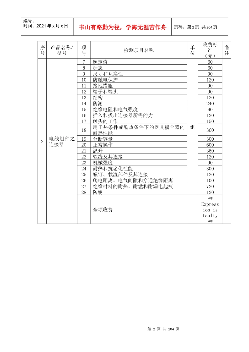
强制性产品认证检测费的收费标准_第2页
2/204
强制性产品认证检测费的收费标准_第3页
3/204
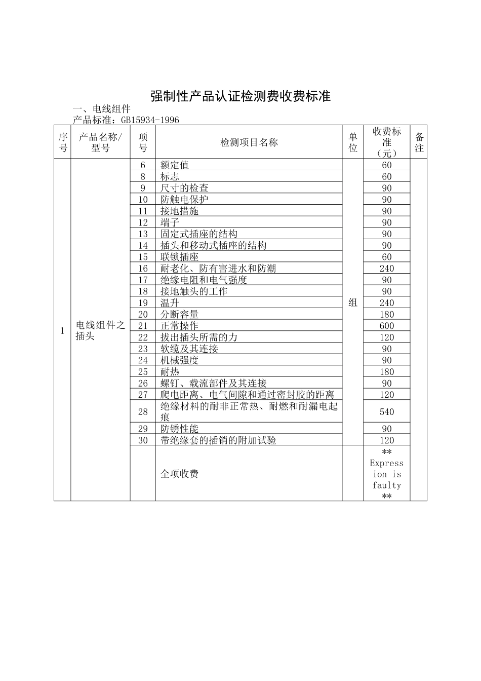
强制性产品认证检测费收费标准一、电线组件产品标准:GB15934-1996序号产品名称/型号项号检测项目名称单位收费标准(元)备注1电线组件之插头6额定值组608标志609尺寸的检查9010防触电保护9011接地措施9012端子9013固定式插座的结构9014插头和移动式插座的结构9015联锁插座6016耐老化、防有害进水和防潮24017绝缘电阻和电气强度9018接地触头的工作9019温升24020分断容量18021正常操作60022拔出插头所需的力12023软缆及其连接9024机械强度9025耐热18026螺钉、载流部件及其连接9027爬电距离、电气间隙和通过密封胶的距离12028绝缘材料的耐非正常热、耐燃和耐漏电起痕54029防锈性能9030带绝缘套的插销的附加试验120全项收费**Expressionisfaulty**第2页共204页编号:时间:2021年x月x日书山有路勤为径,学海无涯苦作舟页码:第2页共204页序号产品名称/型号项号检测项目名称单位收费标准(元)备注2电线组件之连接器7额定值组608标志609尺寸和互换性9010防触电保护12011接地措施9012端子和端头9013结构12014防潮24015绝缘电阻和电气强度9016插入和拔出连接器所需的力12017触头的工作15018用于热条件或酷热条件下的器具耦合器的耐热性能36019分断容量30020正常操作60021温升36022软线及其连接12023机械强度9024耐热和抗老化性能30025螺钉、载流部件及其连接12026爬电距离、电气间隙和穿通绝缘距离10027绝缘材料的耐热、耐燃和耐漏电起痕72028防锈120全项收费**Expressionisfaulty**第3页共204页第2页共204页编号:时间:2021年x月x日书山有路勤为径,学海无涯苦作舟页码:第3页共204页二、电线电缆产品检测收费项目及标准1、标准:GB12972-1991序号产品名称项号检验项目单位收费标准(元)备注1采煤机软电缆UC,UCP移动橡套软电缆UY,UYP1结构检查根1002绝缘厚度测量根753护套厚度测量根504成品电缆外径测量根255导体电阻根1506绝缘电阻根1507过渡电阻根2258电压试验根1259燃烧试验根5010机械冲击试验根25011弯曲试验根60012绝缘物理机械性能根65013护套物理机械性能根25014识别标志根25全性能检验费根27502采煤机屏蔽监视加强型软电缆UCPJB,UCPJR采煤机金属屏蔽软电缆UCPT矿用电钻电缆UZ,UZP矿用移动轻型橡套软电缆UYQ1结构检查根1002绝缘厚度测量根1003护套厚度测量根504成品电缆外径测量根505导体电阻根1506过渡电阻根2007电压试验根1258绝缘吸水性根3009燃烧试验根10010绝缘物理机械性能根117511护套物理机械性能根47512识别标志根25全性能检验费根2850第4页共204页第3页共204页编号:时间:2021年x月x日书山有路勤为径,学海无涯苦作舟页码:第4页共204页序号产品名称项号检验项目单位收费标准(元)备注3额定电压3.6/6kV屏蔽监视型软电缆UYPJ-3.6/6额定电压3.6/6kV屏蔽橡套软电缆UYP-3.6/6,UYPT-3.6/6,UYPD-3.6/6,UYPTD-3.6/61结构检查根1002绝缘厚度测量1003护套厚度测量754成品电缆外径测量505导体电阻1506绝缘电阻1507过渡电阻2508电压试验1259燃烧试验5010局部放电试验50011介质损耗角正切试验50012冲击电压试验500134h电压试验20014绝缘吸水性30015绝缘物理机械性能117516护套物理机械性能50017识别标志25全性能检验费47504矿工帽灯电线UM,UM-11结构检查根502绝缘厚度测量503护套厚度测量254成品电缆外径测量205导体电阻756电压试验757燃烧试验1758绝缘物理机械性能11009护套物理机械性能40010识别标志25全性能检验费1970第5页共204页第4页共204页编号:时间:2021年x月x日书山有路勤为径,学海无涯苦作舟页码:第5页共204页2、标准:GB12528.1-1990JB8145-1序号产品名称项号检验项目单位收费标准(元)备注1天然丁苯橡皮绝缘铁路机车车辆用电缆(电线)氯磺化聚乙烯绝缘铁路机车车辆用电缆(电线)乙丙橡皮绝缘铁路机车车辆用电缆(电线)1结构检查根1002绝缘厚度测量503护套厚度测量504外径平均值测量255外径椭圆度测量256导体电阻1507成品电缆电压试验758浸油后成品电缆电压试验1759弯曲后成品电缆电压试验17510成品电缆击穿试验15011浸油后成品电缆击穿试验17512成品电缆表面漏放电试验20013浸油后电缆表面漏放电试验20014成品电缆耐湿性试验25015绝缘电阻试验15016绝缘老...

1、当您付费下载文档后,您只拥有了使用权限,并不意味着购买了版权,文档只能用于自身使用,不得用于其他商业用途(如 [转卖]进行直接盈利或[编辑后售卖]进行间接盈利)。
2、本站所有内容均由合作方或网友上传,本站不对文档的完整性、权威性及其观点立场正确性做任何保证或承诺!文档内容仅供研究参考,付费前请自行鉴别。
3、如文档内容存在违规,或者侵犯商业秘密、侵犯著作权等,请点击“违规举报”。

碎片内容

强制性产品认证检测费的收费标准

您可能关注的文档

确认删除?
VIP
微信客服
  • 扫码咨询
会员Q群
  • 会员专属群点击这里加入QQ群
客服邮箱
回到顶部