电脑桌面
添加小米粒文库到电脑桌面
安装后可以在桌面快捷访问

建设项目基本情况表一VIP免费

建设项目基本情况表一_第1页
1/73
建设项目基本情况表一_第2页
2/73
建设项目基本情况表一_第3页
3/73
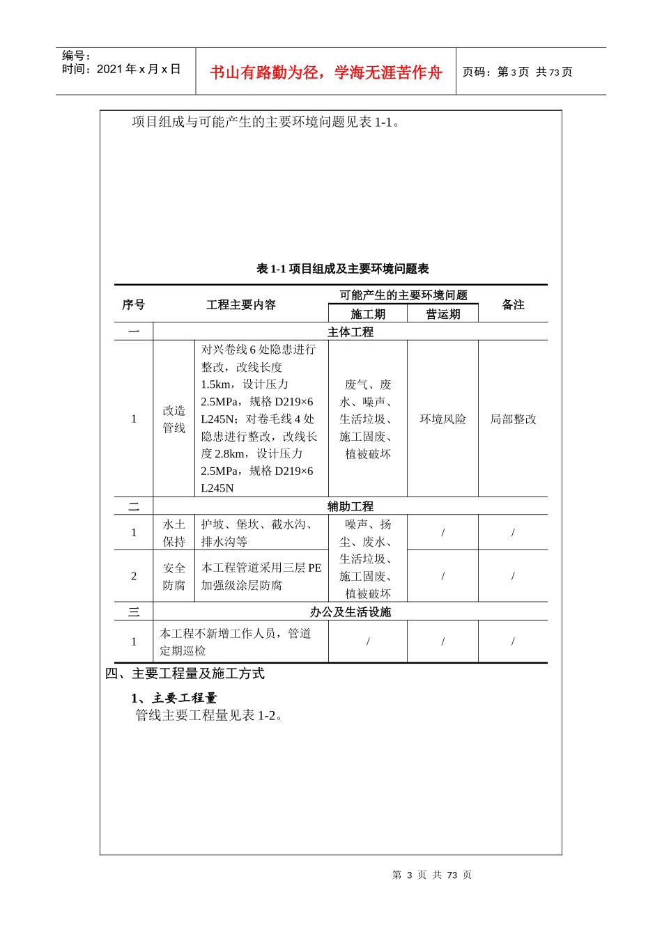
第1页共73页编号:时间:2021年x月x日书山有路勤为径,学海无涯苦作舟页码:第1页共73页建设项目基本情况表一项目名称蜀南气矿卷毛线、兴卷线三四类地区管道安全隐患整改工程建设单位中国石油西南油气田分公司蜀南气矿法人代表乐宏联系人乔川通讯地址四川省泸州市江阳区百子路联系电话0830-3921545传真0830-3921125邮政编码646001建设地点四川省自贡市立项审批部门中国石油西南油气田分公司蜀南气矿批准文号蜀南矿计[2014]42号建设性质新建□改扩建√技改□行业类别及代码石油和天然气开采辅助活动B1120占地面积(m2)临时占地2.58×104m2绿化面积(m2)/总投资(万元)733其中:环保投资(万元)51.4环保投资占总投资比例7.01%评价经费(万元)/预计投产日期/工程内容及规模一、项目由来及建设的必要性兴卷线建于1995年,起点为兴3井站,位于自贡市沿滩区永安镇,途经沿滩区永安镇彭石村、白果村、舒坪镇桂花村、白灵村、贡井区洞桥村,终点为自贡市贡井区卷洞桥配气站。管道规格为D219×6,设计压力为2.5MPa,设计输量为25×104m3/d,全长10.2km,管道材质为20#无缝钢,采用沥青外防腐。该管道目前运行压力约1.0MPa,日输气量约15~16×104m3/d,主要为卷洞桥配气站供气。卷毛线建于1996年,起点为卷洞桥配气站,经自贡市贡井开发区,沿汇川路人行道、绿化带敷设,在红旗加油站旁穿汇川路后经汇川小区,终点为自贡市板仓配气站。管道规格包含D273×11、D219×6、D159×6、D108×5,设计压力为2.5MPa,设计输量为10×104m3/d,管线全长约10km,管道材质为20#无缝钢,采用沥青外防腐,沿线设有马吃水CNG站、汇西配气站、南湖第2页共73页第1页共73页编号:时间:2021年x月x日书山有路勤为径,学海无涯苦作舟页码:第2页共73页配气站、锅筐岩CNG共4处T接点。目前,卷毛线运行压力为0.6~0.8MPa,实际输气量约8×104m3/d,主要气源为兴卷线来气,输送天然气供CNG、川西南矿区和板仓工业园区等用户使用。由于近年来地方经济的发展,兴卷线、卷毛线沿线新修建了大量住宅、民房、厂房、通信设施等建、构筑物,形成了诸多人员聚集区,与管道的安全距离不满足国家现行规范的要求,存在自身及第三方严重安全隐患;另外部分地段还出现露管现象。经排查,卷毛线共存在安全隐患4处,兴卷线共存在安全隐患6处。为了保障管道及周边设施的安全运行,保障周围群众的人身安全,必须尽快对兴卷线、卷毛线存在的隐患进行整改。根据《中华人民共和国环境保护法》、《中华人民共和国环境影影响价法》以及国务院第253号令的要求,建设项目应进行环境影响评价。据此,中国石油西南油气田分公司蜀南气矿委托西南交通大学(持“国环评证乙字第3232号”建设项目环境影响评价资格证书)承担本项目环境影响报告表的编制工作。西南交通大学在实地踏勘、资料收集、现场实测和工程分析的基础上,编制了本环境影响报告表。二、工程名称、性质、建设单位及地理位置1、项目名称:蜀南气矿卷毛线、兴卷线三四类地区管道安全隐患整改工程;2、项目性质:改建;3、建设单位:中国石油西南油气田分公司蜀南气矿;4、建设地点:四川省自贡市,管线隐患整改点位置详见附图1。三、建设内容及规模本工程为管道安全隐患整改工程,建设主要内容及规模如下:1、对兴卷线6处隐患进行整改,改线长度共计1.5km,设计压力与原管道保持一致,即2.5MPa。2、对卷毛线4处隐患进行整改,改线长度共计2.8km,设计压力与原管道保持一致,即2.5MPa。第3页共73页第2页共73页编号:时间:2021年x月x日书山有路勤为径,学海无涯苦作舟页码:第3页共73页项目组成与可能产生的主要环境问题见表1-1。表1-1项目组成及主要环境问题表序号工程主要内容可能产生的主要环境问题备注施工期营运期一主体工程1改造管线对兴卷线6处隐患进行整改,改线长度1.5km,设计压力2.5MPa,规格D219×6L245N;对卷毛线4处隐患进行整改,改线长度2.8km,设计压力2.5MPa,规格D219×6L245N废气、废水、噪声、生活垃圾、施工固废、植被破坏环境风险局部整改二辅助工程1水土保持护坡、堡坎、截水沟、排水沟等噪声、扬尘、废水、生活垃圾、施工固废、植被破坏//2安全防腐本工程...

1、当您付费下载文档后,您只拥有了使用权限,并不意味着购买了版权,文档只能用于自身使用,不得用于其他商业用途(如 [转卖]进行直接盈利或[编辑后售卖]进行间接盈利)。
2、本站所有内容均由合作方或网友上传,本站不对文档的完整性、权威性及其观点立场正确性做任何保证或承诺!文档内容仅供研究参考,付费前请自行鉴别。
3、如文档内容存在违规,或者侵犯商业秘密、侵犯著作权等,请点击“违规举报”。

碎片内容

建设项目基本情况表一

您可能关注的文档

确认删除?
VIP
微信客服
  • 扫码咨询
会员Q群
  • 会员专属群点击这里加入QQ群
客服邮箱
回到顶部