电脑桌面
添加小米粒文库到电脑桌面
安装后可以在桌面快捷访问

高考物理总复习 第44讲 理想变压器电能的输送讲义-人教版高三物理试题VIP免费

高考物理总复习 第44讲 理想变压器电能的输送讲义-人教版高三物理试题_第1页
1/13
高考物理总复习 第44讲 理想变压器电能的输送讲义-人教版高三物理试题_第2页
2/13
高考物理总复习 第44讲 理想变压器电能的输送讲义-人教版高三物理试题_第3页
3/13
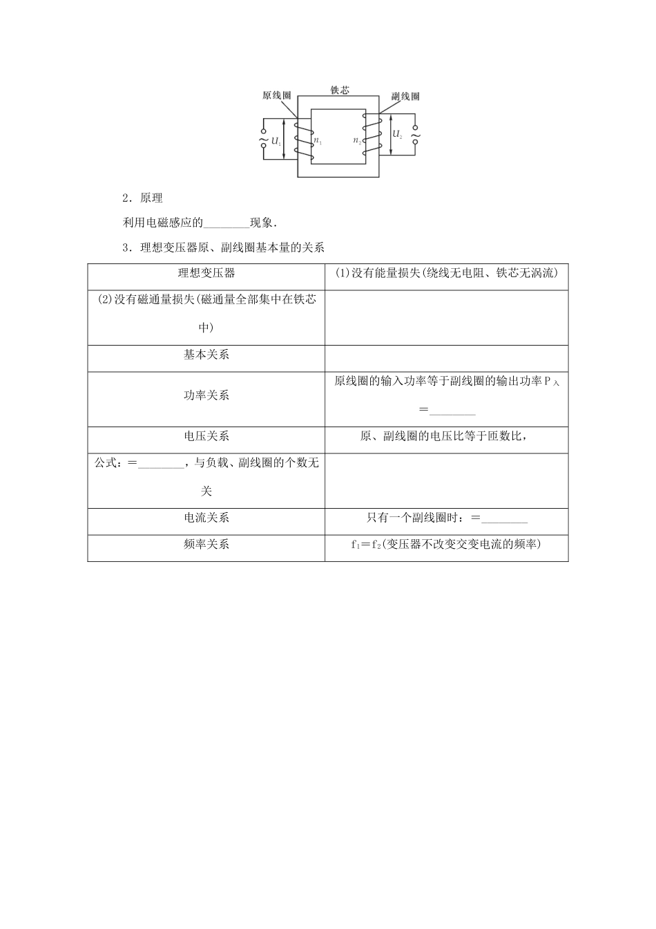
第44讲理想变压器电能的输送考情剖析考查内容考纲要求考查年份考查详情能力要求理想变压器、远距离输电Ⅱ、Ⅰ15年T1—选择,考查理想变压器电压与匝数的关系应用数学处理物理问题16年T4—选择,考查理想变压器和电路中各物理量的变化理解、推理弱项清单,1.不理解理想变压器的工作原理,记反变压器公式;2.不了解自耦变压器结构及工作原理.知识整合一、变压器1.构造由________、________和________组成.2.原理利用电磁感应的________现象.3.理想变压器原、副线圈基本量的关系理想变压器(1)没有能量损失(绕线无电阻、铁芯无涡流)(2)没有磁通量损失(磁通量全部集中在铁芯中)基本关系功率关系原线圈的输入功率等于副线圈的输出功率P入=________电压关系原、副线圈的电压比等于匝数比,公式:=________,与负载、副线圈的个数无关电流关系只有一个副线圈时:=________频率关系f1=f2(变压器不改变交变电流的频率)4.几种常见的变压器(1)自耦变压器——调压变压器①结构(如图):输出和输入共用一组线圈.②工作原理:自耦变压器是只有一个绕组的变压器,当作为降压变压器使用时,将整个绕组作为原线圈,从绕组中抽出一部分线匝作为副线圈;当作为升压变压器使用时,取部分线匝作为原线圈,整个绕组作为副线圈.(2)互感器(如图所示)电压互感器电流互感器①电压互感器:用来把______电压变成______电压.②电流互感器:用来把______电流变成______电流.二、电能的输送如图所示,若发电站输出电功率为P,输电电压为U,用户得到的电功率为P′,用户的电压为U′.1.输电电流I=________==.2.输电导线损耗的电功率P损=I2·R线=________.即在输送功率一定时,输电电压增大为原来的n倍,输电导线上损耗的功率就减少为原来的________.3.输电导线损耗的电压U损=I·R线=________.方法技巧考点1理想变压器1.关于理想变压器的两点说明(1)变压器只能改变交变电流的电压和电流,不能改变直流电压和交变电流的频率.(2)理想变压器基本关系中的U1、U2、I1、I2均为有效值.2.理想变压器原、副线圈的制约关系(1)电压制约:当变压器原、副线圈的匝数比一定时,输出电压U2由输入电压U1决定,即U2=U1,可简述为“原制约副”.(2)电流制约(只有一个副线圈):当变压器原、副线圈的匝数比一定且输入电压U1确定时,原线圈中的电流I1由副线圈中的输出电流I2决定,即I1=I2,可简述为“副制约原”.(3)功率制约:变压器副线圈中的输出功率P2由用户负载决定,P2=P负1+P负2+…;变压器原线圈中的输入功率P1由副线圈中的输出功率P2决定,即P1=P2.3.动态问题分析动态问题分析的一般思路:U1――→U2――→I2――→I1――→P1.【典型例题1】如图所示的电路中,理想变压器原、副线圈的匝数比n1∶n2=22∶1,原线圈接u1=220sin100πt(V)的交流电,电阻R=10Ω,电流表、电压表均为理想电表,则()A.电压表的读数为10VB.电流表的读数为22AC.电阻R消耗的功率为10WD.变压器的输出功率为10W1.(多选)图甲中,理想变压器的原、副线圈的匝数比为4∶1,RT为阻值随温度升高而减小的热敏电阻,R1为定值电阻,电压表和电流表均为理想交流电表.原线圈所接电压u随时间t按正弦规律变化,如图乙所示.下列说法正确的是()A.变压器输入、输出功率之比为4∶1B.变压器原、副线圈中的电流强度之比为1∶4C.u随t变化的规律为u=51sin(50πt)D.若热敏电阻RT的温度升高,则电压表的示数不变,电流表的示数变大【典型例题2】(16年江苏高考)一自耦变压器如图所示,环形铁芯上只绕有一个线圈,将其接在a、b间作为原线圈;通过滑动触头取该线圈的一部分,接在c、d间作为副线圈.在a、b间输入电压为U1的交变电流时,c、d间的输出电压为U2.在将滑动触头从M点顺时针旋转到N点的过程中()A.U2>U1,U2降低B.U2>U1,U2升高C.U2

1、当您付费下载文档后,您只拥有了使用权限,并不意味着购买了版权,文档只能用于自身使用,不得用于其他商业用途(如 [转卖]进行直接盈利或[编辑后售卖]进行间接盈利)。
2、本站所有内容均由合作方或网友上传,本站不对文档的完整性、权威性及其观点立场正确性做任何保证或承诺!文档内容仅供研究参考,付费前请自行鉴别。
3、如文档内容存在违规,或者侵犯商业秘密、侵犯著作权等,请点击“违规举报”。

碎片内容

高考物理总复习 第44讲 理想变压器电能的输送讲义-人教版高三物理试题

文章天下+ 关注
实名认证
内容提供者

各种文档应有尽有

相关文档

确认删除?
微信客服
  • 扫码咨询
会员Q群
  • 会员专属群点击这里加入QQ群