电脑桌面
添加小米粒文库到电脑桌面
安装后可以在桌面快捷访问

招标设备清单一览表VIP免费

招标设备清单一览表_第1页
1/25
招标设备清单一览表_第2页
2/25
招标设备清单一览表_第3页
3/25
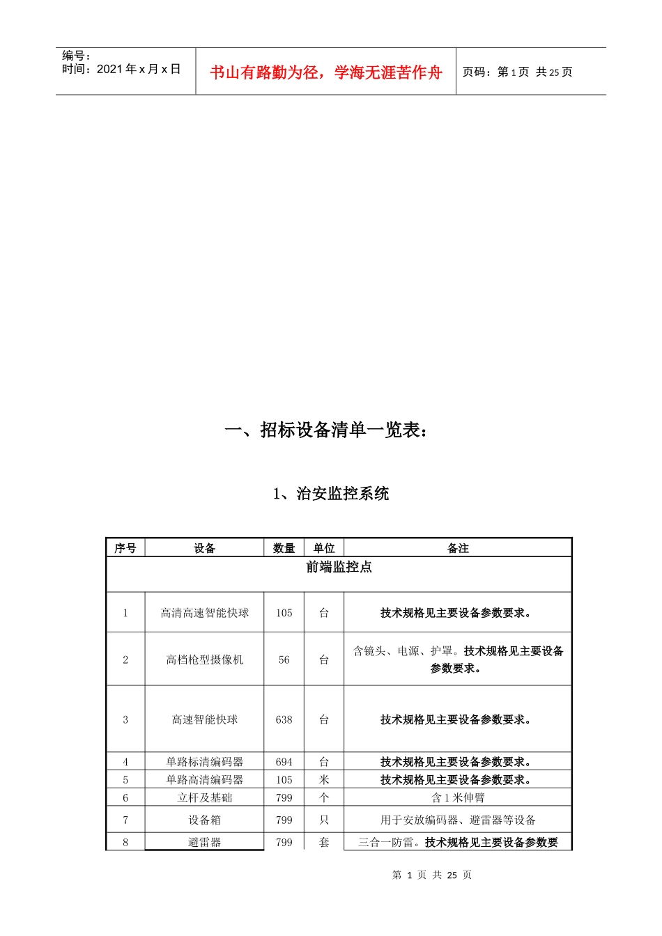
第1页共25页编号:时间:2021年x月x日书山有路勤为径,学海无涯苦作舟页码:第1页共25页一、招标设备清单一览表:1、治安监控系统序号设备数量单位备注前端监控点1高清高速智能快球105台技术规格见主要设备参数要求。2高档枪型摄像机56台含镜头、电源、护罩。技术规格见主要设备参数要求。3高速智能快球638台技术规格见主要设备参数要求。4单路标清编码器694台技术规格见主要设备参数要求。5单路高清编码器105米技术规格见主要设备参数要求。6立杆及基础799个含1米伸臂7设备箱799只用于安放编码器、避雷器等设备8避雷器799套三合一防雷。技术规格见主要设备参数要第2页共25页第1页共25页编号:时间:2021年x月x日书山有路勤为径,学海无涯苦作舟页码:第2页共25页求。9辅材799批管、槽、电源插座、钢丝、胶布、抱箍等市公安局一级监控中心配置硬件产品1四路标清视频解码器4台技术规格见主要设备参数要求。2单路高清解码器4台技术规格见主要设备参数要求。3交换机11台技术规格见主要设备参数要求。4安全隔离设备1台技术规格见主要设备参数要求。5存储设备5台5台主机,12台扩展柜。270块1TB硬盘。技术规格见主要设备参数要求。12台6服务器13台运行视频管理软件、存储管理软件、媒体交换软件。技术规格见主要设备参数要求。7控制电脑1台技术规格见主要设备参数要求。8机柜4台600mm×900mm×2000mm9操作台1台利旧。软件产品11视频管理平台软件1套见建设要求。12存储管理服务器软件1套见建设要求。13媒体交换服务器软件1套见建设要求。6个中心城区二级监控中心(含存储设备),单个监控中心配置硬件产品1四路视频解码器4台技术规格见主要设备参数要求。2单路高清解码器4台技术规格见主要设备参数要求。324"液晶电视16台技术规格见主要设备参数要求。442"液晶电视4台技术规格见主要设备参数要求。5电视墙1台16+4组合6操作台1台3联平面(平面2米)7控制电脑1台技术规格见主要设备参数要求。8交换机21台技术规格见主要设备参数要求。9UPS1台3KVA,4小时,在线式10存储设备1台1台主机,2台扩展柜。41块1TB硬盘。技术规格见主要设备参数要求。2台11机柜2台600mm×900mm×2000mm12服务器11台运行存储管理软件。技术规格见主要设备参数要求。软件产品第3页共25页第2页共25页编号:时间:2021年x月x日书山有路勤为径,学海无涯苦作舟页码:第3页共25页13存储管理服务器软件1套监控数据存储服务软件,存储空间的分配管理6个中心城区二级监控中心(不含存储设备),单个监控中心配置1四路视频解码器4台技术规格见主要设备参数要求。2单路高清解码器4台技术规格见主要设备参数要求。324"液晶电视16台技术规格见主要设备参数要求。442"液晶电视4台技术规格见主要设备参数要求。5电视墙1台16+4组合6操作台1台3联平面(平面2米)7控制电脑1台技术规格见主要设备参数要求。8交换机31台技术规格见主要设备参数要求。9UPS1台3KVA,4小时,在线式1个城管二级监控中心(含存储设备,利用原有大屏显示)配置硬件产品1四路视频解码器4台技术规格见主要设备参数要求。2单路高清解码器4台技术规格见主要设备参数要求。3控制电脑1台技术规格见主要设备参数要求。4交换机21台技术规格见主要设备参数要求。5安全隔离设备1台技术规格见主要设备参数要求。6UPS1台C3KS,4小时,在线式7存储设备4台4台主机,9台扩展柜。203块1TB硬盘。。技术规格见主要设备参数要求。9台8机柜2台600mm×900mm×2000mm9服务器11台运行存储管理软件软件产品10存储管理服务器软件1套见建设要求。2、治安卡口系统(8个卡口)1个双向6车道卡口配置,共需8个:序号设备数量单位备注卡口前端配置1高清智能一体机6台技术规格见主要设备参数要求。第4页共25页第3页共25页编号:时间:2021年x月x日书山有路勤为径,学海无涯苦作舟页码:第4页共25页2高清镜头6台技术规格见主要设备参数要求。3开关电源6台技术规格见主要设备参数要求。4防护罩及支架6台和摄像机配套5卡口专用补光灯6米技术规格见主要设备参数要求。6车辆检测器6个技术规格见主要设备参数要求。7交换机2台8口,10/100M自适应交换机8网络避雷器6台RJ45接口,用于网络信号防雷保护。9电...

1、当您付费下载文档后,您只拥有了使用权限,并不意味着购买了版权,文档只能用于自身使用,不得用于其他商业用途(如 [转卖]进行直接盈利或[编辑后售卖]进行间接盈利)。
2、本站所有内容均由合作方或网友上传,本站不对文档的完整性、权威性及其观点立场正确性做任何保证或承诺!文档内容仅供研究参考,付费前请自行鉴别。
3、如文档内容存在违规,或者侵犯商业秘密、侵犯著作权等,请点击“违规举报”。

碎片内容

招标设备清单一览表

您可能关注的文档

确认删除?
VIP
微信客服
  • 扫码咨询
会员Q群
  • 会员专属群点击这里加入QQ群
客服邮箱
回到顶部