电脑桌面
添加小米粒文库到电脑桌面
安装后可以在桌面快捷访问

公共设施车间地基与主体细则VIP免费

公共设施车间地基与主体细则_第1页
1/49
公共设施车间地基与主体细则_第2页
2/49
公共设施车间地基与主体细则_第3页
3/49
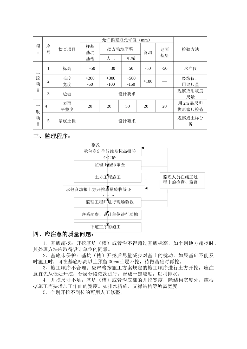
编制依据一、已批准的监理规划;二、与专业工程相关的标准、设计文件和技术资料;三、施工组织设计。工程概况1、工程名称:太原市威尔潞威科技有限公司新厂区公共设施用房工程2、建设地点:太原市小店区马练营路西侧,十一号线南街南侧3、总建筑面积:27639.33㎡4、层数:地上一层5、结构类型:框架结构6、合同工期:365天7、项目投资:约6000万8、建设单位:太原市威尔潞威科技发展有限公司9、设计单位:华城博远建筑规划设计有限公司10、勘察单位:山西裕宏岩土工程勘察检测有限公司11、监理单位:山西明源工程咨询监理有限公司12、施工单位:河南天河建筑工程有限公司13、质量标准:合格14、工程现场条件及特点:三通一平已完善,具备施工第一分部工程地基与基础第一类土方工程第一章现行规范及标准序号现行标准、规范和规定标准号备注1.土方工程施工及验收规范GBJ201-832.#*建筑工程施工质量验收统一标准GB50300-20013.#建筑地基基础设计规范GB50007-20024.#建筑地基基础工程施工质量验收规范GB50202-2002说明:1.带“#”号为含强制性条文的标准、规范2.带“*”号为现执行的标准、规范补充第二章土方开挖一、准备工序要求:1、基坑、管沟开挖前,应根据支护结构形式、挖深、地质条件、施工方法、周围环境、工期、气候和地面载荷等资料制定施工方案、环境保护措施、监控方案,经审批后方可施工。2、土方工程施工前,应对排水措施进行设计,系统应经检查和试运转,一切正常时方可开始施工。3、有关围护结构的施工质量验收可按规范有关的规定执行,验收合格后方可进行土方开挖。4、测量放线,定出轴线,确定标高。5、根据现场条件应选择反铲的土方施工机械开挖,并合理安排运输车的行走路线及弃土场。二、土方开挖工程质量检验标准:项目序号检查项目允许偏差或允许值(mm)检验方法柱基基坑基槽挖方场地平整管沟地面基层人工机械主控项目1标高-503050-50-50水准仪2长度宽度+200-50+300-100+500-150+100—经纬仪、用钢尺量3边坡设计要求观察或用坡度尺量一般项目4表面平整度2020502020用2m靠尺和楔形塞尺检查5基底土性设计要求观察或土样分析三、监理程序:整改不合格整改不合格四、应注意的质量问题:1、基底超挖:开挖基坑(槽)或管沟不得超过基底标高,如个别地方超挖时,其处理方法应取得设计单位的同意。2、基底未保护:基坑(槽)开挖后尽量减少对基土的扰动。如果基础不能及时施工时,可在基底标高以上预留30cm土层不挖,待做基础时再挖。3、施工顺序不合理:应严格按施工方案规定的施工顺序进行土方开挖,应注意宜先从低处开挖,分层分段依次进行,形成一定坡度,以利排水。4、开挖尺寸不足:基坑(槽)或管沟底部的开挖宽度,除结构宽度外,应根据施工需要增加工作面的宽度。如排水措施,支撑结构等所需宽度。5、个别开挖不到位的可用人工修整。承包商定位放线及标高报验监理工程师审查土方工程施工承包商填报土方开挖质量验收签证监理工程师进行现场验收联系勘察、设计单位进行验槽下道工序的施工监理人员在施工过程中的检查、监督第三章土方回填一、准备工序要求:1、土方回填前应清除基底的垃圾、树根等杂物,抽除坑穴积水、淤泥,验收基底标高。如在耕植土或松土上填方,应在基底压实后在进行。2、对填方土料应按设计要求验收后方可填入。二、质量监控流程:整改不合格整改不合格合格承包商选土取样进行击实、液塑试验专业监理工程师审核认可过筛以最佳含水量按规定厚度摊铺承包商进行碾压、夯实承包商自检、取样,进行压实度检测承包商进行报验申请验收专业监理工程师审批进行下一道工序施工监理规定回填土工程质量检验标准项目序号检查项目允许偏差或允许值检查方法桩基基坑基槽场地平整管沟地面基础层人工机械主控项目1标高-50±30±50-50-50水准仪2分层压实系数设计要求按规定方法一般项目1回填土料设计要求取样检查或直观鉴别2分层厚度及含水量设计要求水准仪及抽样检查3表面平整度2020302020用靠尺或水准仪三、应注意的质量问题:1、回填土杂质多:基底未清理干净,应使土源符合设计要求,填土前进行验收合格后再进行下道工序。2、未按要求测定土的干土质量密度...

1、当您付费下载文档后,您只拥有了使用权限,并不意味着购买了版权,文档只能用于自身使用,不得用于其他商业用途(如 [转卖]进行直接盈利或[编辑后售卖]进行间接盈利)。
2、本站所有内容均由合作方或网友上传,本站不对文档的完整性、权威性及其观点立场正确性做任何保证或承诺!文档内容仅供研究参考,付费前请自行鉴别。
3、如文档内容存在违规,或者侵犯商业秘密、侵犯著作权等,请点击“违规举报”。

碎片内容

公共设施车间地基与主体细则

您可能关注的文档

确认删除?
VIP
微信客服
  • 扫码咨询
会员Q群
  • 会员专属群点击这里加入QQ群
客服邮箱
回到顶部