电脑桌面
添加小米粒文库到电脑桌面
安装后可以在桌面快捷访问

招标师案例-第2章 招标采购方案及代理合同VIP免费

招标师案例-第2章 招标采购方案及代理合同_第1页
1/25
招标师案例-第2章 招标采购方案及代理合同_第2页
2/25
招标师案例-第2章 招标采购方案及代理合同_第3页
3/25
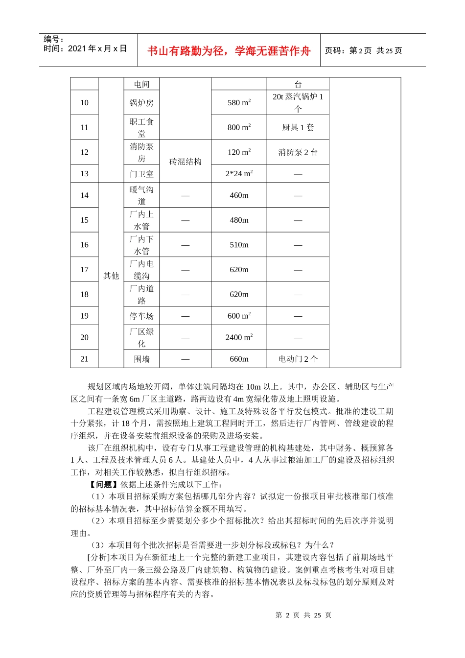
第1页共25页编号:时间:2021年x月x日书山有路勤为径,学海无涯苦作舟页码:第1页共25页第2章招标采购方案及代理合同本章目的:通过具体案例分析招标采购方案编制中一些重点要素,如招标采购标段、标包划分、投标人资格条件选择、招标采购进度计划编制、招标采购代理成本以及代理合同分析等内容,以使读者能够运用项目管理知识和方法,结合招标采购项目特点完成招标采购方案要素策划工作。2.1招标采购批次及标包【案例2.1】某工业项目招标方案策划[背景]某国有植物油厂项目,占地24000m2,总投资3亿元人民币,系在内地某市郊区新征地上新建,项目地址至已经建好的公路网25km,不具备施工机械进场条件。项目建设涉及项目规划区域内的部分农舍拆除及厂内土地平整等前期工作,包括厂区建设及由国家公路干线至该厂的一条长25km的三级公路,及路边2m宽一条排水沟。项目法人为某植物油厂有限责任公司。项目审批核准部门已经对项目进行了核准。其厂区内建设项目概况见表2-1。表2—1建设项目概况表序号工程名称结构形式建设规模特殊设备备注1办公区综合办公楼框架结构2600m2电梯2座进口设备2生产区原料区钢筋混凝土筒仓50000t皮带输送机、斗式提升机成套设备国产设备3预处理车间钢结构1200m2清理、计量成套设备,轧胚机1台进口设备4浸出车间1800m2浸出、蒸发成套设备5精炼车间2200m2脱磷、脱酸、脱色、脱臭工艺成套设备6灌装车间砖混结构800m2灌装、包装成套设备7成品油罐钢结构40000m3油泵、输油管成套设备国产设备8辅助区机修车间砖混结构1000m2车床、刨床、钻床各1台910kv配框架结构240m210kV变压器1第2页共25页第1页共25页编号:时间:2021年x月x日书山有路勤为径,学海无涯苦作舟页码:第2页共25页电间台10锅炉房580m220t蒸汽锅炉1个11职工食堂800m2厨具1套12消防泵房砖混结构120m2消防泵2台13门卫室2*24m2—14其他暖气沟道—460m—15厂内上水管—480m—16厂内下水管—510m—17厂内电缆沟—620m—18厂内道路—620m—19停车场—600m2—20厂区绿化—2400m2—21围墙—660m电动门2个规划区域内场地较开阔,单体建筑间隔均在10m以上。其中,办公区、辅助区与生产区之间有一条宽6m厂区主道路,路两边设有4m宽绿化带及地上照明设施。工程建设管理模式采用勘察、设计、施工及特殊设备平行发包模式。批准的建设工期十分紧张,计18个月,需按照地上建筑工程同时开工,然后进行厂内管网、管线建设的程序组织,并在设备安装前组织设备的采购及进场安装。该厂在组织机构中,设有专门从事工程建设管理的机构基建处,其中财务、概预算各1人、工程及技术管理人员6人。基建处人员中,4人从事过粮油加工厂的建设及招标组织工作,对相关工作较熟悉,拟自行组织招标。【问题】依据上述条件完成以下工作:(1)本项目招标采购方案包括哪几部分内容?试拟定一份报项目审批核准部门核准的招标基本情况表,其中招标估算金额不用填写。(2)本项目招标至少需要划分多少个招标批次?给出其招标时间的先后次序并说明理由。(3)本项目每个批次招标是否需要进一步划分标段或标包?为什么?[分析]本项目为在新征地上一个完整的新建工业项目,其建设内容包括了前期场地平整、厂外至厂内一条三级公路及厂内建筑物、构筑物的建设。案例重点考核考生对项目建设程序、招标方案的基本内容、需要核准的招标基本情况表以及标段标包的划分原则及对应的资质管理等与招标程序有关的内容。第3页共25页第2页共25页编号:时间:2021年x月x日书山有路勤为径,学海无涯苦作舟页码:第3页共25页(1)依据《建设项目可行性研究报告增加招标内容以及核准招标事项暂行规定》(原国家计委9号令,2001年)对核准内容的规定,项目审批核准部门核准的招标内容包括招标范围、招标组织形式、招标方式、不采用招标方式的项目及项目估算金额等内容,其中招标组织形式为自行招标或委托招标两种方式。《工程建设项目自行招标试行办法》(发展计划委员会令2000年第5号,以下简称“5号令”)第四条对招标人自行招标规定的条件为:具有项目法人资格(或法人资格);具有与招标项目规模和复杂程度相适应的工程技术、概预算、财务和工程管理等方面专业技...

1、当您付费下载文档后,您只拥有了使用权限,并不意味着购买了版权,文档只能用于自身使用,不得用于其他商业用途(如 [转卖]进行直接盈利或[编辑后售卖]进行间接盈利)。
2、本站所有内容均由合作方或网友上传,本站不对文档的完整性、权威性及其观点立场正确性做任何保证或承诺!文档内容仅供研究参考,付费前请自行鉴别。
3、如文档内容存在违规,或者侵犯商业秘密、侵犯著作权等,请点击“违规举报”。

碎片内容

招标师案例-第2章 招标采购方案及代理合同

您可能关注的文档

确认删除?
VIP
微信客服
  • 扫码咨询
会员Q群
  • 会员专属群点击这里加入QQ群
客服邮箱
回到顶部