电脑桌面
添加小米粒文库到电脑桌面
安装后可以在桌面快捷访问

招标项目要求VIP专享VIP免费

招标项目要求_第1页
1/4
招标项目要求_第2页
2/4
招标项目要求_第3页
3/4
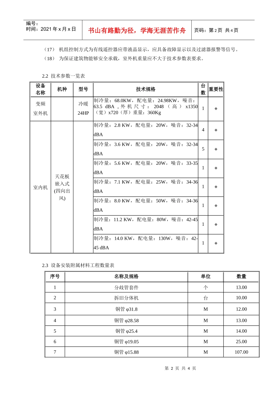
第1页共4页编号:时间:2021年x月x日书山有路勤为径,学海无涯苦作舟页码:第1页共4页招标项目要求本招标项目要求中所出现的工艺、材料、设备或参照的品牌仅为方便描述而没有限制性,投标人可以在其提供的文件资料中选用替代标准,但这些替代标准要优于或相当于技术规格中要求的标准。1、货物需求一览表1.1货物需求一览表序号设备名称数量单位1变频中央空调1套2、技术要求2.1技术要求:(1)※直流变频风冷冷媒直接蒸发式冷暖型空调系统。投标设备必须为进口或是合资品牌,采用涡旋式进口压缩机。(2)※系统主机输出容量调节方式为通过直流变频方式改变压缩机转速从而达到改变容量输出,必须为线性无级调节,以满足空调主机在部分负荷状态下系统高效、经济的运行。(3)※每台室内机标准配置一个遥控器。(4)※每个空调系统当只有一台室内机工作时能平稳工作,全部室内机开启时也能稳定工作并且制冷效果良好。(5)※设备冷媒为R410A;冷量要求:见详细设备一览表,室内、外机冷量指标不得负偏离。(6)※室外机为1个模块(因主机放置位置受限),压缩机采用变频压缩机。(7)※设备控制系统应有过电流保护、变频过载保护、高压开关等保护功能。(8)※设备带冷媒电子膨胀阀、冷媒温度传感器以利于保证每台室内机的制冷量。(9)※室外机使用电源为三相,380V±10%,50HZ,室内机为220V,50HZ。(10)※系统内控制线应采用双芯无极性线。(11)所有室内机应自带冷凝水提升泵,其扬程应满足能够提升至距天花板高度600mm以上。(12)室外机模块宽度方向尺寸不应超过800mm。(13)室外机换热方式应为四面进风顶出风方式,以利散热。(14)室内机风量分为高/中/低三档调节。(15)设备控制系统应有压缩机过热保护、过电流保护、高压保护等功能。(16)机组运行应安静可靠,噪音值应不超过设备需求一览表中的噪音要求。第2页共4页第1页共4页编号:时间:2021年x月x日书山有路勤为径,学海无涯苦作舟页码:第2页共4页(17)机组控制方式为有线遥控器应带液晶显示,应具备故障显示以及过滤器报警等信号。(18)为保证建筑物能够安全承载,室外机重量应不大于技术参数表要求。2.2技术参数一览表设备名称机种型号技术规格台数重要性变频室外机冷暖24HP制冷量:68.0KW,配电量:24.98KW,噪音:63.5dBA,外机尺寸:2048(高)x1350(宽)x720(厚)重量:360Kg1※室内机天花板嵌入式(四向出风)制冷量:2.8KW,配电量:20W,噪音:32-34dBA4※制冷量:3.6KW,配电量:20W,噪音:32-34dBA5※制冷量:5.6KW,配电量:20W,噪音:33-35dBA1※制冷量:7.1KW,配电量:25W,噪音:34-36dBA1※制冷量:8.0KW,配电量:50W,噪音:34-36dBA1※制冷量:11.2KW,配电量:80W,噪音:42-45dBA1※制冷量:14.0KW,配电量:130W,噪音:42-45dBA1※2.3设备安装附属材料工程数量表序号名称及规格单位数量1分歧管套件个13.002拆旧分体机台10.003铜管φ31.8M12.004铜管φ28.58M13.005铜管φ25.4M14.006铜管φ19.05M25.007铜管φ15.88M107.00第3页共4页第2页共4页编号:时间:2021年x月x日书山有路勤为径,学海无涯苦作舟页码:第3页共4页8铜管φ12.7M87.009铜管φ9.52M68.0010铜管φ6.35M62.0011铜管保温套管φ31.8M12.0012铜管保温套管φ28.58M13.0013铜管保温套管φ25.4M14.0014铜管保温套管φ19.05M25.0015铜管保温套管φ15.88M107.0016铜管保温套管φ12.7M87.0017铜管保温套管φ9.52M68.0018铜管保温套管φ6.35M62.0019冷媒R410AKG25.0020外机排风风帽铁皮M245.021风管人工M245.022内外机连接线M1250.0023双芯屏蔽线M550.0024PVC排水管DN25M115.0025PVC排水管DN32M40.0026天花板修复项1.0027主机隔墙百叶项1.0028专业开墙孔个31.00注:(1)中标方必须提供符合国家标准的全新设备(包括安装所需材料),并负责设备的安装、调试。(2)投标文件中必须对上述技术要求逐条响应,并提供所有设备的产品彩页资料。(3)本工程为旧工程空调改造,原装修不动,投标人应适当考虑天花修复费用及主机放置位置受限必须做风管排风及百叶隔墙相关费用。(4)冷媒管采用紫铜管,冷凝水管采用PVC排水管,保温采用优质橡塑...

1、当您付费下载文档后,您只拥有了使用权限,并不意味着购买了版权,文档只能用于自身使用,不得用于其他商业用途(如 [转卖]进行直接盈利或[编辑后售卖]进行间接盈利)。
2、本站所有内容均由合作方或网友上传,本站不对文档的完整性、权威性及其观点立场正确性做任何保证或承诺!文档内容仅供研究参考,付费前请自行鉴别。
3、如文档内容存在违规,或者侵犯商业秘密、侵犯著作权等,请点击“违规举报”。

碎片内容

招标项目要求

确认删除?
VIP
微信客服
  • 扫码咨询
会员Q群
  • 会员专属群点击这里加入QQ群
客服邮箱
回到顶部