电脑桌面
添加小米粒文库到电脑桌面
安装后可以在桌面快捷访问

SAP-非库存采购-v1[1]0_031__ 6VIP免费

SAP-非库存采购-v1[1]0_031__ 6_第1页
1/8
SAP-非库存采购-v1[1]0_031__ 6_第2页
2/8
SAP-非库存采购-v1[1]0_031__ 6_第3页
3/8
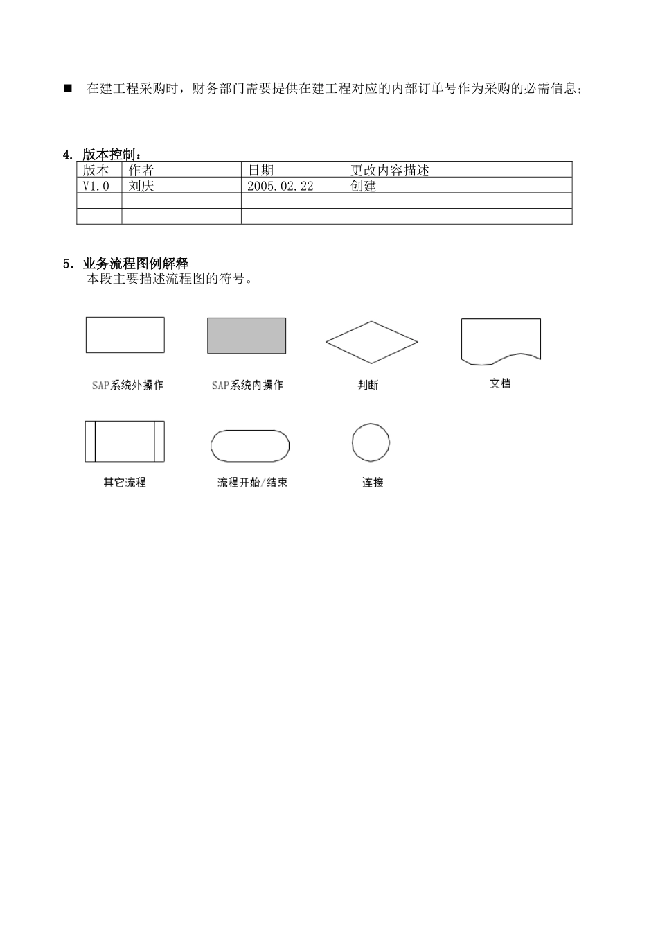
业务流程名称:非库存物料采购流程编号及版本号编号:BPD-MM05版本:V1.0业务流程定义文件签署表业务流程定义文件是描述未来在SAPR/3中处理业务的详细流程定义,其定义的业务流程及其中所涉及的SAP功能已得到以下项目组成员的接受并已签署。项目中职务姓名签字日期TCL部品(光电科技)关键用户谢芳TCL部品(光电科技)流程所有人王晓峰TCL光机关键用户李庞晋阎晓莉赵心亚TCL光机流程所有人朱林TCL显示关键用户王妙荣TCL显示流程所有人戴谋新IBM顾问刘庆TCL项目经理林雪梅IBM项目经理夏玲芳1.业务流程目的:非库存物料采购描述的是费用性采购,固定资产及在建工程等的采购业务。2.业务流程的相关原则:2.1非库存物料的采购主要指物料采购入库后在系统中不以库存的形式体现出来,系统不进行库存管理。在该流程中,主要有三种类别:(1)费用性采购:包括低值易耗品、办公用品及其他费用性的采购。采购时,在采购订单中选择费用类别并指定对应的成本中心。入库后直接进到对应成本中心的费用。根据不同类型的费用,可以进到不同的费用科目,如服务费、办公用品费等;(2)固定资产采购:指采购的对象是固定资产,有资产编号。入库后系统中无库存,按照固定资产管理;(3)在建工程采购:指为在建工程项目发生的采购业务,采购时通过内部订单的方式进行,所有费用以内部订单方式进行归集。2.2非库存采购的基本原则是:不创建物料主数据,不做库存管理。采购时只需输入描述及根据采购的类别输入物料组(对应不同的费用科目)或资产编号或者内部订单号码即可。2.3对于本流程中的非库存性采购,需求部门填写系统外请购单后,根据公司政策,由相关领导签字审核后交采购部门在系统中创建采购申请。采购申请不需要审批。采购订单需要在系统中按照公司的审批政策进行审批,通过后打印出来由采购员及领导签字后发给供应商。2.4非库存采购入库时,由各仓库管理员根据收货部门出具的书面通知单在系统中做收货动作,仓库据单入库并存档。2.5非库存采购的注意事项:(1)发生费用性的采购时,如果有与供应商签订的采购合同或者订货单,则通过本流程中的费用性采购方式执行,否则就通过财务记账或者报销处理,不纳入本流程;(2)费用性采购对应具体的费用类别在采购时以物料组的方式体现;(3)对于软件的采购,软件本身作为资产采购,进无形资产;如果该软件有实施费用,则实施费按照在建工程的方式进行采购;(4)非库存类采购的采购价格由采购员在生成采购订单时根据询价或谈判的结果手工录入。固定资产、在建工程的采购价格是含税价;费用性采购中的有关福利性质的采购是含税价,其他费用性采购均为不含税价;3.业务流程所带来的相关规则和政策改变3.1相关的规则和政策改变明确了非库存采购的三种方式,规范了相应的流程;必须制定非库存采购需求及采购订单的审批政策(采购订单的审批会在系统中实现);3.2对组织结构调整的要求固定资产采购时,财务部门资产会计需要创建固定资产编号作为采购的必需信息。同时资产经过使用部门验收后,要纳入固定资产业务核算管理流程进行管理;在建工程采购时,财务部门需要提供在建工程对应的内部订单号作为采购的必需信息;4.版本控制:版本作者日期更改内容描述V1.0刘庆2005.02.22创建5.业务流程图例解释本段主要描述流程图的符号。6.业务流程图(在VISIO中画流程图)7.业务流程的详细步骤:7.1非库存物料采购流程业务流程步骤:步骤用户系统事务描述下一步1申请人员系统外填写请购单根据自身未来需求情况提出采购需求,22相关领导系统外审核需求申请部门领导及其他相关领导(根据公司审批政策)审核请购单。通过转3未通过转1修改需求3采购人员系统外需求类型判别对收到的需求进行类型判别固定资产转4在建工程转5费用采购转64资产会计SAP创建固定资产编号根据公司相关制度条例对该需求创建固定资产编号65成本会计SAP财务内部订单处理流程根据内部订单处理流程规定创建内部订单66采购员SAP创建及维护采购申请根据收到的采购需求创建并维护相应采购申请77采购员SAP货源(价格)确定/采购申请维护根据系统中的供应商主数据维护货源,确定价格88采购员SAP...

1、当您付费下载文档后,您只拥有了使用权限,并不意味着购买了版权,文档只能用于自身使用,不得用于其他商业用途(如 [转卖]进行直接盈利或[编辑后售卖]进行间接盈利)。
2、本站所有内容均由合作方或网友上传,本站不对文档的完整性、权威性及其观点立场正确性做任何保证或承诺!文档内容仅供研究参考,付费前请自行鉴别。
3、如文档内容存在违规,或者侵犯商业秘密、侵犯著作权等,请点击“违规举报”。

碎片内容

SAP-非库存采购-v1[1]0_031__ 6

您可能关注的文档

确认删除?
VIP
微信客服
  • 扫码咨询
会员Q群
  • 会员专属群点击这里加入QQ群
客服邮箱
回到顶部