电脑桌面
添加小米粒文库到电脑桌面
安装后可以在桌面快捷访问

危险化学品生产装置和储存设施与厂外周边安全距离表VIP免费

危险化学品生产装置和储存设施与厂外周边安全距离表_第1页
1/81
危险化学品生产装置和储存设施与厂外周边安全距离表_第2页
2/81
危险化学品生产装置和储存设施与厂外周边安全距离表_第3页
3/81
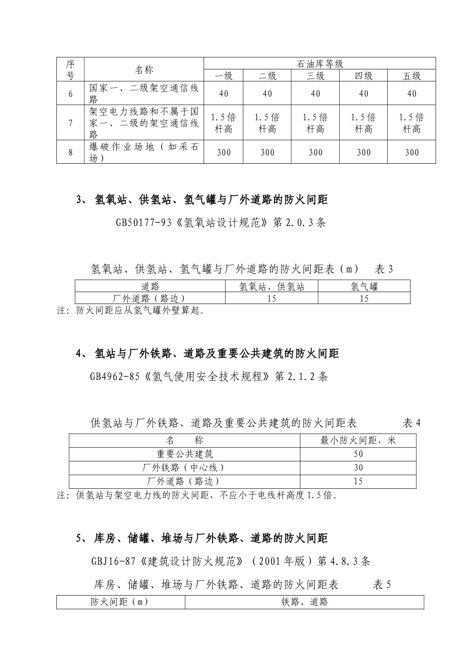
附录1危险化学品生产装置和储存设施与厂外周边安全距离表1、石油化工企业与相邻工厂或设施的防火间距GB50160-92《石油化工企业设计防火规范》(1999年版)第3.1.7条。油化工企业与相邻工厂或设施的防火间距表1石油化工企业生产区防火间距(m)相邻工厂或设施液化烃罐组可能携带可燃液体的高架火炬甲、乙类工艺装置或设施居住区、公共福利设施、村庄120120100相邻工厂(围墙)12012050国家铁路线(中心线)558045厂外企业铁路线(中心线)458035国家或工业区铁路编组站(铁路中心线或建筑物)558045厂外公路(路边)256020变配电站(围墙)8012050架空电力线路(中心线)1.5倍塔杆高度801.5倍塔杆高度I、Ⅱ级国家架空通信线路(中心线)508040通航江、河、海岸边258020注:①当相邻设施为港区陆域、重要物品仓库和堆场、军事设施、机场等,对石油化工企业的安全距离有特殊要求时,应按有关规定执行。②丙类工艺装置或设施的防火距离,可按甲、乙类工艺装置或设施的规定减少25%。2、石油库与周围居住区、工矿企业、交通线等的安全距离GB50074-2002第4.0.7条表4.0.7石油库与周围居住区、工矿企业、交通线等的安全距离(m)表2序号名称石油库等级一级二级三级四级五级1居住区及公共建筑物100908070502工矿企业60504035303国家铁路线60555050504工业企业铁路线35602525255公路2520151515序号名称石油库等级一级二级三级四级五级6国家一、二级架空通信线路40404040407架空电力线路和不属于国家一、二级的架空通信线路1.5倍杆高1.5倍杆高1.5倍杆高1.5倍杆高1.5倍杆高8爆破作业场地(如采石场)3003003003003003、氢氧站、供氢站、氢气罐与厂外道路的防火间距GB50177-93《氢氧站设计规范》第2.0.3条氢氧站、供氢站、氢气罐与厂外道路的防火间距表(m)表3道路氢氧站、供氢站氢气罐厂外道路(路边)1515注:防火间距应从氢气罐外壁算起。4、氢站与厂外铁路、道路及重要公共建筑的防火间距GB4962-85《氢气使用安全技术规程》第2.1.2条供氢站与厂外铁路、道路及重要公共建筑的防火间距表表4名称最小防火间距,米重要公共建筑50厂外铁路(中心线)30厂外道路(路边)15注:供氢站与架空电力线的防火间距,不应小于电线杆高度1.5倍。5、库房、储罐、堆场与厂外铁路、道路的防火间距GBJ16-87《建筑设计防火规范》(2001年版)第4.8.3条库房、储罐、堆场与厂外铁路、道路的防火间距表表5防火间距(m)铁路、道路厂外铁路线中心线厂外道路路边名称液化石油气储罐4525甲类物品库房4020甲、乙类液体储罐3520丙类液体储罐易燃材料堆场3015可燃、助燃气体储罐2515注:未列本表的堆场、储罐、库房与铁路、道路的防火间距,可根据储存物品的火灾危险性适当减少。6、氧气站等的乙类生产建筑物与厂外建、构筑物之间的最小防火间距表GB50030-91《氧气站设计规范》第2.0.3条氧气站等的乙类生产建筑物与厂外建、构筑物之间的最小防火间距表表6最小防氧气站建、构火间距(m)筑物名称项目名称氧气站等的一、二级耐火等级的乙类生产建筑物湿式氧化贮罐(m3)≤10001001-50000>50000重要公用建筑5050厂外铁路线路(中心线)非电力牵引机车电力牵引机车25202520厂外道路(路边)1515电力架空线1.5倍电杆高度1.5倍电杆高度液化石油气贮罐单罐容量(m3)≤512206-10182511-30203031-1002540101-4003050401-10004060>100050附录2危险化学品生产装置和储存设施与厂内周边安全距离表1、氢氧站、供氢站、氢气罐与厂内建筑物、构筑物的防火间距GB50177-93《氢氧站设计规范》第2.0.2条氢氧站、供氢站、氢气罐与建筑物、构筑物的防火间距表(m)表1建筑物、构筑物氢氧站或供氢站氢气罐总容积(m3)≤10001001-1000010001-50000>5000其它建筑物耐火等级一、二级三级四级121416121520152025202530253035民用建筑2525303540重要公共建筑505035-500kV且每台变压器为10000kVA以上室外变配电站以及总油量超过5t的总降压站2525303540明火或散发火花的地点3025303540架空电力线≥1.5倍电杆高度≥1.5倍电杆高度注:1)防火间距应按相邻建筑物或构筑物的外墙、凸出部分外缘、储罐外壁的最近距离计算。2)固定容积的氢气罐,总容积按其水...

1、当您付费下载文档后,您只拥有了使用权限,并不意味着购买了版权,文档只能用于自身使用,不得用于其他商业用途(如 [转卖]进行直接盈利或[编辑后售卖]进行间接盈利)。
2、本站所有内容均由合作方或网友上传,本站不对文档的完整性、权威性及其观点立场正确性做任何保证或承诺!文档内容仅供研究参考,付费前请自行鉴别。
3、如文档内容存在违规,或者侵犯商业秘密、侵犯著作权等,请点击“违规举报”。

碎片内容

危险化学品生产装置和储存设施与厂外周边安全距离表

您可能关注的文档

确认删除?
VIP
微信客服
  • 扫码咨询
会员Q群
  • 会员专属群点击这里加入QQ群
客服邮箱
回到顶部