电脑桌面
添加小米粒文库到电脑桌面
安装后可以在桌面快捷访问

教学楼玻璃幕墙施工组织设计VIP免费

教学楼玻璃幕墙施工组织设计_第1页
1/24
教学楼玻璃幕墙施工组织设计_第2页
2/24
教学楼玻璃幕墙施工组织设计_第3页
3/24
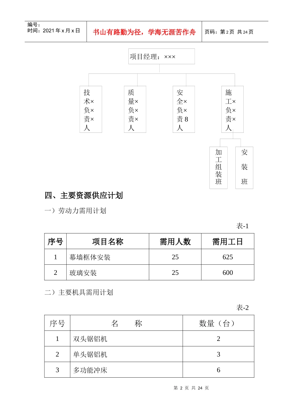
第1页共24页编号:时间:2021年x月x日书山有路勤为径,学海无涯苦作舟页码:第1页共24页教学楼玻璃幕墙施工组织设计一、工程概况:1、幕墙概况:幕墙位于××医学院教学楼在××医学院内,建筑物共15层,幕墙最大高度43.8m,幕墙共分大部份分别为MQ-1、MQ-2、MQ-3、MQ-4、MQ-5(参看详图)。2、幕墙结构情况:1)铝材料:采用××铝材厂155B系列隐框幕墙材料,表面氧化处膜厚15μm颜色为银白色,材料应符合GB/T5237-93。2)钢材、螺栓、五金件为不锈钢产品,钢板、角钢为热镀锌处理。3)玻璃采用6+0.76PVB+5镀膜绿色玻璃。4)硅胶采用GE黑色结构胶和耐候胶。5)幕墙结构:采用155B系列隐框玻璃幕墙结构(参看详图)详情参看设计图纸节点图。二、项目的质量目标本项目的质量目标:确保省样板,争创鲁班奖。三、项目管理组织及施工人员配备第2页共24页第1页共24页编号:时间:2021年x月x日书山有路勤为径,学海无涯苦作舟页码:第2页共24页项目经理:×××四、主要资源供应计划一)劳动力需用计划表-1序号项目名称需用人数需用工日1幕墙框体安装256252玻璃安装25600二)主要机具需用计划表-2序号名称数量(台)1双头锯铝机22单头锯铝机33多功能冲床6技术×负×责×人质量×负×责×人施工×负×责×人安全×负×责8人加工组装班安装班第3页共24页第2页共24页编号:时间:2021年x月x日书山有路勤为径,学海无涯苦作舟页码:第3页共24页4铣孔机25380V电焊机56电钻等小型工具50第4页共24页第3页共24页编号:时间:2021年x月x日书山有路勤为径,学海无涯苦作舟页码:第4页共24页三)主要材料计划表-3序号材料名称单位数量使用时间1铝型材(框料)吨8.22002.11.252安装连接件件13002002.11.253铝型材(肩料)吨4.12002.12.154玻璃M210022002.12.255结构胶,耐候胶支42002002.12.28五、施工进度计划1、后置预埋件安装由我公司派出安装小组进行安装。2、幕墙、铝门窗安装(详见施工进度计划表)。六、幕墙施工流程及工艺施工方案一)施工流程放线定位→机械加工→车间组装→支座安装→立柱安装→横梁安装→玻璃(铝板)安装→注密封胶→饰面清洁→预验收→交付验收二)施工方案1、施工准备1)构件在车间加工、组装完成。第5页共24页第4页共24页编号:时间:2021年x月x日书山有路勤为径,学海无涯苦作舟页码:第5页共24页2)所有构件需编号包装完好,各种附件配套齐全,并具有产品出厂合格证书。3)防腐材料、防火材料、填缝材料、密封材料、保护材料、清洁材料等应符合设计要求和有关的规定。4)幕墙设置后置预埋件。5)构件安装前,应检查其外观质量,如有表面损伤、变形及松动等问题,应及时进行修理、校正等处理,合格后才能进行安装。2、施工安装1)测量定位幕墙分格轴线的测量要与主体结构测量配合,一般按土建提供的中心线经我方复测确定后,上下放钢线进行定位,水平放线用水平仪复测定位。对高层建筑的测量应在风力不大于4级情况下进行。2)后置预埋件安装按照设计分格确定后置预埋件安装位置,铁件安装标高偏差不应大于设计设置10mm;铁件安装位置与设计位置的偏差不应大于20mm。铁件拉爆螺丝的安装孔深不应小于100mm。3)支座安装每层楼幕墙支座安装后用水平仪检测,相邻支座水平误差应符合规范标准,轴线内外偏差不得大于2mm,左右方向偏差不得大于3mm。支座的焊接施工要持证上岗,设备保证运行状况良好。无质量证明或经检验不合格的母材及焊接材料不得用于焊接。第6页共24页第5页共24页编号:时间:2021年x月x日书山有路勤为径,学海无涯苦作舟页码:第6页共24页焊接缝要配备专人检查,焊缝宽度应≤5mm,焊缝不应有气泡及断缝现象。焊接完成后,经自检合格和专检合格后报监理工程师检验,监理工程师检验合格签认后方能进入下一工序施工。4)立柱的安装立柱由上至下逐层安装,将立柱先与连接件连接,然后连接件再与主体预埋件连接,接好后进行调整和固定。立柱安装标高偏差应≤3mm,轴线前后偏差应≤2mm,左右偏差应≤3mm。相邻两根立柱安装标高偏差应≤3mm,同层立柱的最大标高偏差应≤5mm,相邻两根立柱的距离偏差应≤2mm。5)横梁的安装将横梁两端的连接件在立柱的预定位置...

1、当您付费下载文档后,您只拥有了使用权限,并不意味着购买了版权,文档只能用于自身使用,不得用于其他商业用途(如 [转卖]进行直接盈利或[编辑后售卖]进行间接盈利)。
2、本站所有内容均由合作方或网友上传,本站不对文档的完整性、权威性及其观点立场正确性做任何保证或承诺!文档内容仅供研究参考,付费前请自行鉴别。
3、如文档内容存在违规,或者侵犯商业秘密、侵犯著作权等,请点击“违规举报”。

碎片内容

教学楼玻璃幕墙施工组织设计

确认删除?
VIP
微信客服
  • 扫码咨询
会员Q群
  • 会员专属群点击这里加入QQ群
客服邮箱
回到顶部